蓝桥杯嵌入式赛道---硬件篇
本文介绍了蓝桥杯嵌入式竞赛平台CT117E-M4开发板的硬件设计。该平台基于STM32G431RBT6微控制器,配备2.4寸TFT-LCD、功能按键、LED指示灯、E2PROM、可编程电阻等外设。文章详细解析了开发板的PCB布局和电路设计原理,包括MCU基本电路(滤波电容、晶振电路、复位电路)、DAP-Link调试接口、信号发生器、LED驱动电路(采用SN74HC573ADWR锁存器)、USB通信
·
前言
- 比赛内容偏向于软件编程,本篇可以跳过不看。在软件设计中涉及的相关硬件知识会在后面的软件篇中进行补充
- 文章中涉及的资料在GitHub中自取:PCB-Design/蓝桥杯嵌入式开发板CT117E-M4(基于STM32G431RBT6) at main · CSUST-IOTQRS/PCB-Design
CT117E-M4蓝桥杯竞赛平台
开发板介绍

- 嵌入式竞赛实训平台(CT117E-M4)是北京国信长天科技有限公司设计、生产的一款“蓝桥杯全国软件与信息技术专业人才大赛-嵌入式设计与开发科目”专用竞赛平台,平台以STM32G431RBT6为主控芯片,预留扩展板接口,可为用户提供丰富的实验场景。
板载资源
| 资源 | 配备 |
|---|---|
| 微控制器 | STM32G431RBT6 |
| 调试器 | CMSIS DAP-Link |
| USB转串口 | 1路 |
| TFT-LCD | 2.4寸 |
| 功能按键 | 4个 |
| 复位键 | 1个 |
| 八路D型透明锁存器(控制LED) | SN74HC573ADWR |
| LED | 8个 |
| E2PROM | AT24C02 |
| 可编程电阻芯片 | 1个(100k) |
| 信号发送器 | 2路 |
| 电位器 | 4个 |
| 扩展接口 | 2个 |
PCB布局

- 如果想要学习这一款开发板的PCB绘制,可以去Github中获取资源。PCB使用立创EDA专业版制作,布局和器件选型于参考手册基本一致,走线是自己摸索的。

跳线
- 为方便配置和扩展功能,竞赛平台上预留了各种配置跳线,用于选择不同的功能。
- 现在的比赛已经取消了扩展板的使用,所以这些跳线在平常实际操作中都不去动用
| 序号 | 跳线编号 | 功能说明 | 备注 |
|---|---|---|---|
| 1 | J6 | 调试器/SWCLK | 断开后调试器不可用 |
| 2 | J7 | 调试器/NRST | 断开后调试器不可用 |
| 3 | J8 | 调试器/SWDIO | 断开后调试器不可用 |
| 4 | J9 | 脉冲输出/PB4 | |
| 5 | J10 | 脉冲输出/PA15 | |
| 6 | J11 | 电位器分压/PB15 | |
| 7 | J12 | 电位器分压/PB12 | |
| 8 | J13 | USB D+/PA12 | USB通信 |
| 9 | J14 | USB D-/PA11 | USB通信 |
| 10 | J15 | 可编程电阻 W | |
| 11 | J16 | 可编程电阻 B | |
| 12 | J17 | 参考电源/VREF+ |
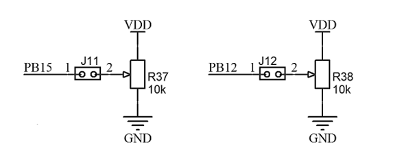
电位器功能
| 序号 | 跳线编号 | 功能说明 | 备注 |
|---|---|---|---|
| 1 | 电位器 R37 | 模拟电压输出 | 在0~3.3V电压范围内调节 |
| 2 | 电位器 R38 | 模拟电压输出 | 在0~3.3V电压范围内调节 |
| 3 | 电位器 R39 | 脉冲输出 | 调整脉冲输出的频率 |
| 4 | 电位器 R40 | 脉冲输出 | 调整脉冲输出的频率 |
引出接口

电路设计原理图
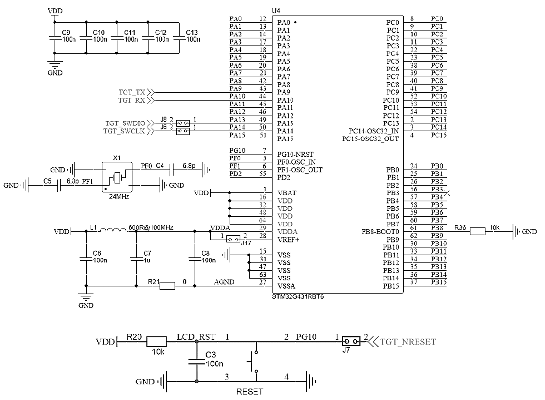
MCU基本电路

滤波电容
- 首先左上角的电容的职能是滤波电容,负责芯片电源滤波。100nf是常见的经验取值,负责高频滤波。在实际电路中的直流电并不是理想直流电,是带不同频率脉动直流电,所以需要进行滤波给单片机输入稳定的直流电源
晶振电路
- 这里使用的是无源晶振,外接的电容是负责电容,具体取值要参考数据手册
复位电路
- 这里的复位电路是典型设计,复位电路中的电容,其核心作用是利用 “电容两端电压不能突变” 这一基本物理特性,为微控制器(MCU)提供一个持续时间可控的复位脉冲,确保系统能够从一个确定无疑的初始状态开始工作。
启动电路
-
STM32通过BOOT0和BOOT1(有些型号只有BOOT0)两个引脚的电平组合来决定芯片复位后从什么地方开始执行程序。这里直接把BOOT0接地就是正常工作模式,从内部Flash运行用户程序
BOOT1 BOOT0 启动模式 用途说明 X 0 主闪存存储器 正常工作模式,从内部Flash运行用户程序 0 1 系统存储器 串口下载模式,用于通过串口烧录程序 1 1 内置SRAM 调试模式,用于调试和测试
ADC参考电位电路
- 电路功能:芯片左下角设计了LC滤波电路,用于电源去耦和噪声滤波,确保输出洁净、稳定的电压。
- 引脚作用:该电压直接供给VREF+引脚,作为芯片内部模数转换器(ADC)和数模转换器(DAC)的基准电压。
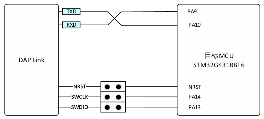
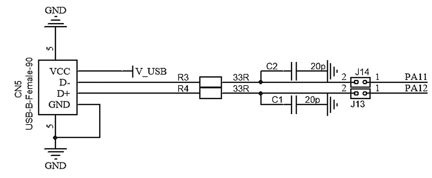
DAP-Link与串口调试接口

- CT117E-M4程序下载和调试需要连接CN2(USB-TypeB)接口,并保证NRST、
SWCLK、SWDIO的跳线连接。调试器的USB转串口功能默认与STM32G431RBT6
微控制器USART1连接。
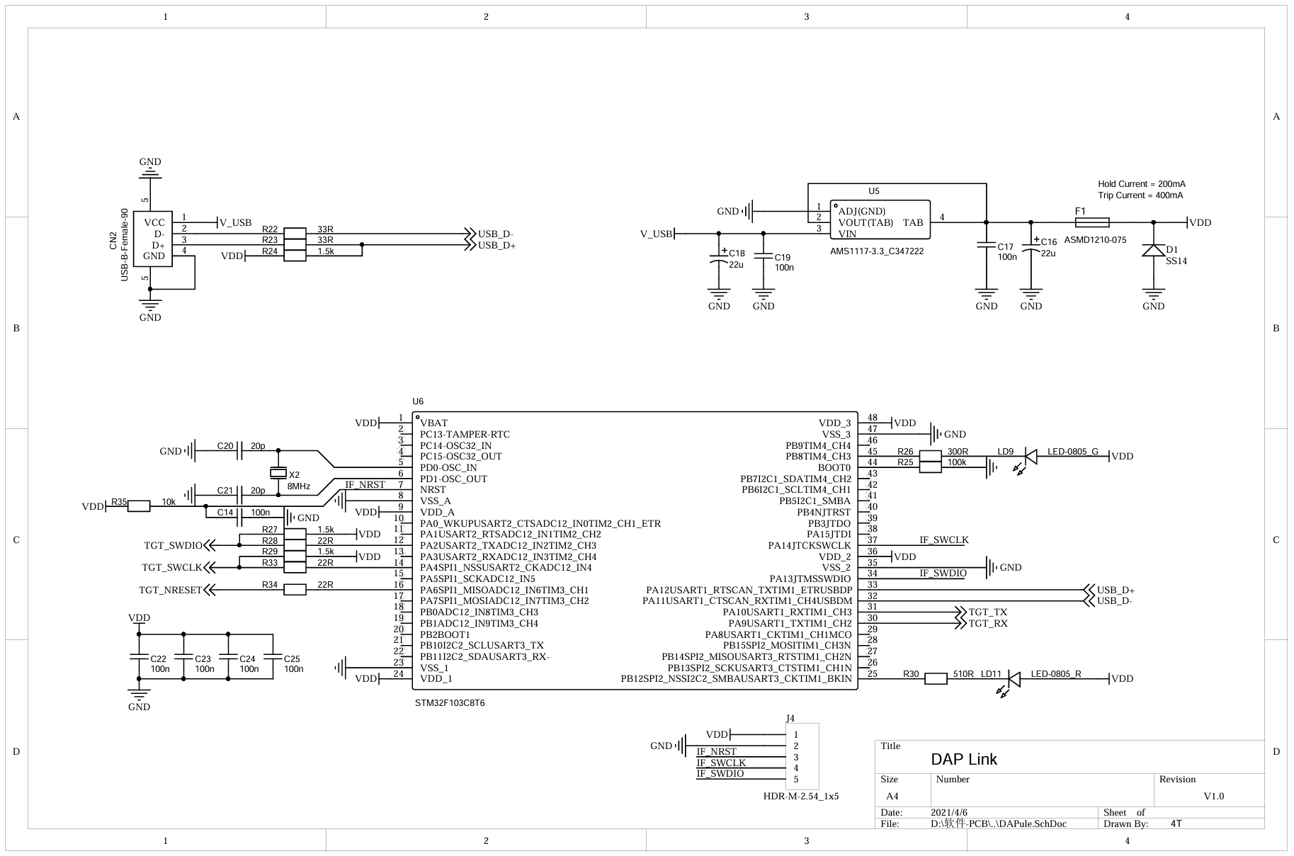
DAP-Link电路原理图

- 左上角是常用的LDO降压方案,电容用于滤波,输入端进行了短路保护设计
- DAP-Link下载器选用的芯片是STM32F103C8T6,下载DAP-Link的固件后就可以用作芯片的下载器/调试器。与之同理的ST-Link也是如此,不过芯片选型用的是STM32F103CBT6(更大的Flash)
- USB接口处在USB-D+/-信号处串联的电阻是用作USB信号的阻抗匹配(高速信号中的设计规则),同时给USB-D+接入一个上拉电阻,作用是告诉主机“我是全速设备”。详细参考这篇博客https://www.cnblogs.com/wcat/p/13843641.html
模拟输出

- 简单的电位器串电阻分压,引脚与MCU的ADC引脚相连可获取该点的电压值
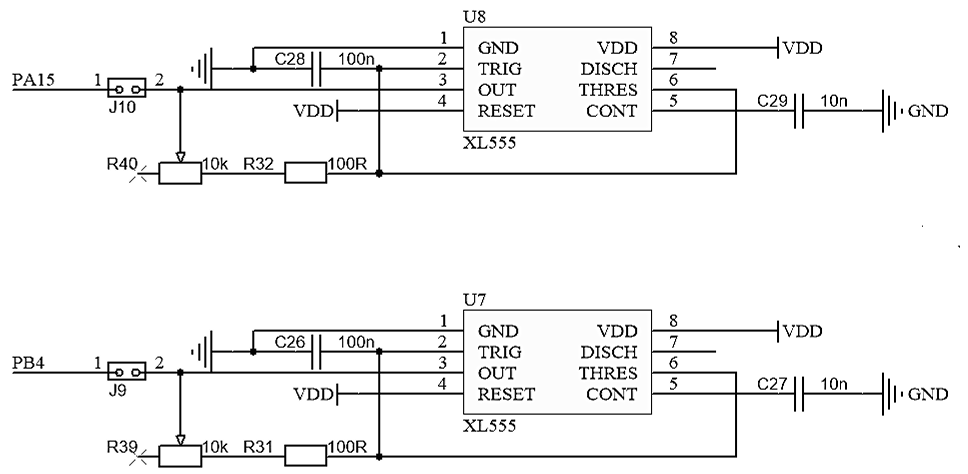
信号发生器

XL555(俗称三五定时器)
- 这里是用三五定时设计的脉冲发生电路,主要靠调节R40/R39的电阻值改变脉冲的频率。可调节的频率范围为:700Hz~14000Hz(三五定时器的使用自行查阅)
LED指示灯电路

SN74HC573ADWR芯片
- 这是74系列的D触发器(数电的知识),简单的概括这个芯片的功能就是把芯片右边的D引脚上的电平进行锁存,同时给同步到左边的Q引脚控制LED。锁存的功能通过对LE引脚的电平设计控制
- 为什么要用这个芯片?因为这里的引脚与控制LCD屏幕的引脚有冲突,这么做是为了做隔离。只要LE引脚不操作,不管D引脚上的电平怎么变化都不会影响到LED。
UBS通信接口

- 这里的USB接口所连接的引脚是做USB通信用的,与前面的PA9/PA10的串口通信接口不是一个概念
LCD屏幕引脚

- LCD屏幕排针直插主板的排母连接
四路按键

- 这里的按键对芯片的引脚都进行了上拉,在按键按下的时候接地,检测0电平即可判断按键是否按下
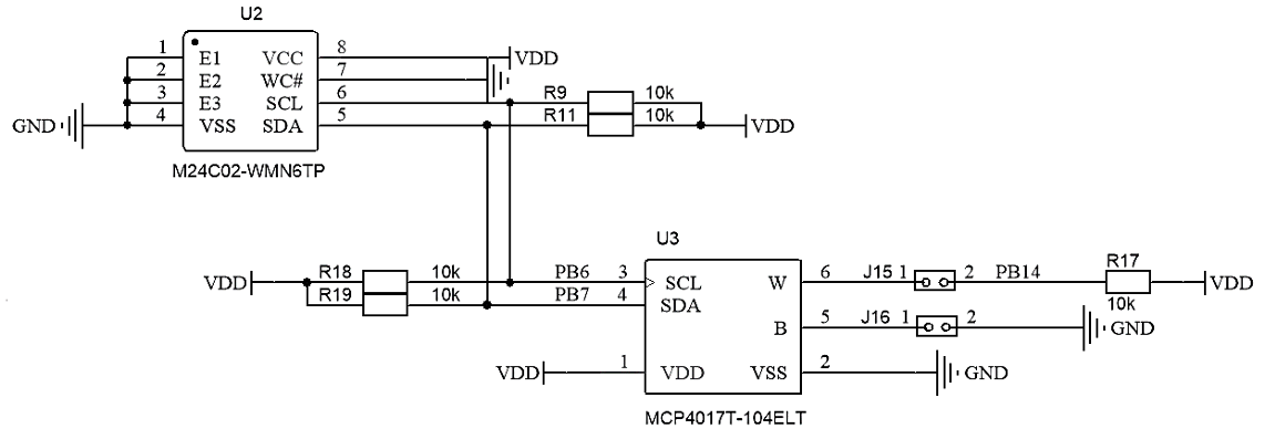
AT24C02+MCP4017

IIC通信接口
- 芯片的IIC通信引脚要进行上拉设置
AT24C02
- AT24C02是一个2K位串行CMOS E2PROM, 内部含有256个8位字节,CATALYST公司的先进CMOS技术实质上减少了器件的功耗。AT24C02有一个16字节页写缓冲器。该器件通过IIC总线接口进行操作,有一个专门的写保护功能。
MCP4017
- 通过IIC通信写入数据后可以调整内部电阻值,同时接入了芯片的PB14引脚可以通过ADC读取该点的电位
扩展接口

- 芯片的外用引脚通常用排母或者排针对外引出使用
- 这里的J3引脚是用于外接扩展板的,但是比赛已经不使用扩展板了,所以这里就不再介绍扩展板
结语
- 之后将开始更新比赛的软件部分,关注本栏及时获取后续更新📚
更多推荐


所有评论(0)