
简介
该用户还未填写简介
擅长的技术栈
可提供的服务
暂无可提供的服务
本文介绍了PlatformIO开发环境的主要功能模块:1)Home模块提供新建/导入工程功能;2)Projects模块管理本地工程;3)Inspect工具支持代码静态分析和内存诊断;4)Libraries模块提供丰富的开源库支持;5)Boards模块以开发板为单位创建工程,支持通过platformio.ini文件自定义配置;6)Platforms模块展示不同的开发环境选项;7)Devices模块显

本文提供了蓝桥杯嵌入式赛道的知识点大纲截图,包含三张详细的考试内容图示。读者可直接访问官方网址https://dasai.lanqiao.cn/notices/846自行查询完整信息。这些截图系统性地展示了嵌入式开发相关的考核知识点分布,为参赛者提供了明确的备考方向。通过大纲图示,考生可以快速把握比赛重点考查内容,包括嵌入式系统基础、硬件设计、软件开发等多个维度的知识要求。

VSCode是一款功能强大的文本编辑器,通过"code."命令可快速打开文件夹进行编辑。文章以嵌入式开发为例,展示了如何在VSCode中编辑Keil5工程代码,实现实时同步修改。演示了代码注释后保存,Keil5会提示重新加载修改内容。后续将持续更新相关使用技巧。

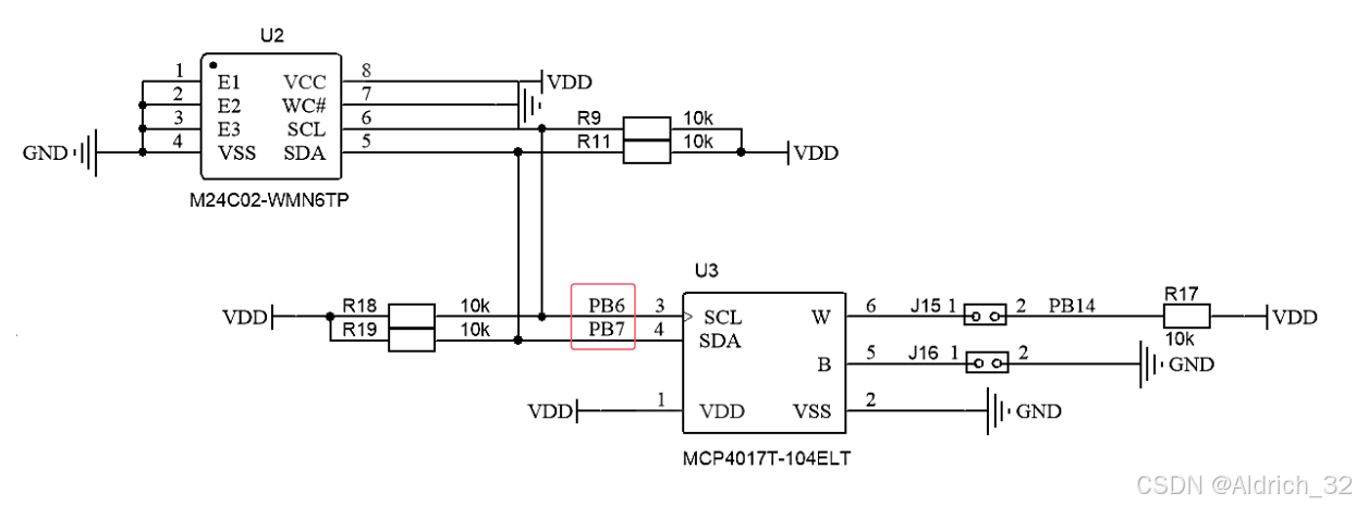
这一个板块针对开发板上的I2C总线区域的模块,这一条总线同时连接了两个芯片一个是,另外一个是MCP4017(可编程电阻)。同时官方给的资料文件中有软件I2C的源码可以直接给我们使用,所以这里就使用软件I2C,就不用芯片自带的硬件I2C了。关于I2C通信的详细细节这里就不展开讨论,在代码配置的过程中会简单提到一点,详细的内容大家自行去学习。官方的软件I2C的源码放在了文章的最后,有需要自取。

本文介绍了蓝桥杯嵌入式竞赛平台CT117E-M4开发板的硬件设计。该平台基于STM32G431RBT6微控制器,配备2.4寸TFT-LCD、功能按键、LED指示灯、E2PROM、可编程电阻等外设。文章详细解析了开发板的PCB布局和电路设计原理,包括MCU基本电路(滤波电容、晶振电路、复位电路)、DAP-Link调试接口、信号发生器、LED驱动电路(采用SN74HC573ADWR锁存器)、USB通信

STM32 CubeMX是现代化配置STM32工程的工具,相比标准库具有自动生成代码和持续更新优势。文章详细介绍了CubeMX的界面功能,包括File菜单的工程管理、Windows菜单的显示设置、Help菜单的库文件管理。重点讲解了新建工程的步骤:首先选择芯片型号创建工程,然后配置工程文件信息,包括工程名称、保存路径和编程IDE(推荐MDK-ARM)。特别说明了比赛环境下需手动导入离线库文件的方法

本文介绍了电子设计竞赛资料包的内容与更新情况。资料包每年随赛事进行小幅调整,主要改动集中在驱动代码部分,第十六届资料包相比前一版有较大更新。资料包包含竞赛平台原理图、说明文档、驱动代码(HAL/LL库)、芯片数据手册以及多种工具软件(CubeMX、USB驱动、串口助手、Keil5编译器、芯片支持包等)。其中BSP文件夹提供IIC通信和LCD屏幕驱动代码,DataSheet包含平台芯片手册,Tool

本文介绍了蓝桥杯嵌入式竞赛平台CT117E-M4开发板的硬件设计。该平台基于STM32G431RBT6微控制器,配备2.4寸TFT-LCD、功能按键、LED指示灯、E2PROM、可编程电阻等外设。文章详细解析了开发板的PCB布局和电路设计原理,包括MCU基本电路(滤波电容、晶振电路、复位电路)、DAP-Link调试接口、信号发生器、LED驱动电路(采用SN74HC573ADWR锁存器)、USB通信

STM32微控制器发展简史:从2007年横空出世到今天的行业标杆。作为首款采用Cortex-M3内核的平价32位MCU,STM32F103开创了嵌入式新时代。随后ST通过产品矩阵扩张(F/L/H/G/U/C等系列)和生态系统建设(CubeMX/HAL库/无线方案),打造出覆盖各领域需求的完整解决方案。如今STM32正聚焦AI、安全和物联网,持续引领行业发展。其成功源于精准战略定位、强大产品力和完善
本文介绍了蓝桥杯嵌入式竞赛平台CT117E-M4开发板的硬件设计。该平台基于STM32G431RBT6微控制器,配备2.4寸TFT-LCD、功能按键、LED指示灯、E2PROM、可编程电阻等外设。文章详细解析了开发板的PCB布局和电路设计原理,包括MCU基本电路(滤波电容、晶振电路、复位电路)、DAP-Link调试接口、信号发生器、LED驱动电路(采用SN74HC573ADWR锁存器)、USB通信








