
简介
该用户还未填写简介
擅长的技术栈
可提供的服务
暂无可提供的服务
本文测试了AI8051U单片机的双路ADC DMA功能,旨在验证其八路信号采集能力。通过设计单面PCB测试板,设置外部32MHz晶体时钟,成功验证了单片机运行在外部时钟下的性能。测试显示ADC采集时间与分频系数和DMA通道数相关,八路ADC数据在10kHz时同相,150kHz时出现相位差。实验利用USB直接通讯,但发现添加DMA功能后程序偶发异常,具体原因尚待排查。该方案为后续四通道导航信号采集板

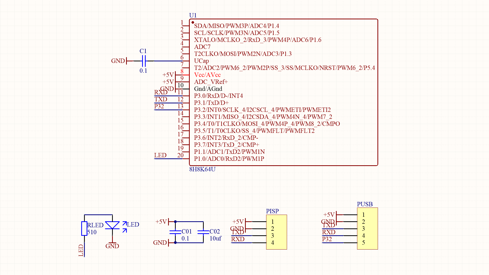
本文记录了AI8051U单片机的测试过程。首先对48管脚QFN48和LQFP48封装的AI8051U进行开发测试,设计了单面PCB测试电路板。初次焊接后发现USB无法访问单片机,经排查后重新制作8H8K单片机验证硬件夹具正常。随后修改设计重新制板,调整QFN底部衬板接地方式,采用二次热风枪加热确保焊接可靠。最终测试显示芯片可被正确检测,表明焊接工艺是关键因素。测试验证了AI8051U的开发可行性,

前不久,「第16届全国大学生智能汽车竞赛——百度人工智能创意赛」已经启动报名。 很多同学分享了往期参赛心得,同时后台也收到很多同学的反馈:比如之前参赛遇到的GPU算力资源不足、模型部署踩坑,以及希望有前辈指点等问题,这些因素一定程度上限制了同学们的发挥,影响了咱们同学的项目提交时间和完成度。 工欲善其事,必先利其器。竞赛尤其如此,完善的资源教程、前辈的一二指点,就能够帮助同学们提升开发效率
简 介: 对于AlexNet的网络基本结构进行总结。由于这个网络在实现过程中所需要的计算力比较大。再次并未对其进行测试。关键词: AlexNet,Paddle#mermaid-svg-OffS1zoJUhH5TWZK .label{font-family:'trebuchet ms', verdana, arial;font-family:var(--mermaid-font-family);fi

通过一个大功率音频放大器驱动扬声器, 使用 DG1062 产生 100Hz的正弦波输入放大器, 扬声器震动,敲击压电陶瓷薄膜震动。使得它可以输出恒定的交变电压, 测量了薄膜传感器对应的电容大约为 0.5nF, 输出电压内阻大约 300k欧姆左右。不同的频率输出电压也会发生变化, 在172Hz下, 输出电压最大。对应的输出电压一半的时候, 对应的内阻大约260k欧姆, 也比100Hz时对

前天在使用8H8K64U单片机开发电路的时候,发现使用 USB 下载完程序之后,单片机自动进入程序下载模式, 而无法自动启动。通过测试发现, 如果程序中不应用USB, 单片机软件下载之后可以运行。但是如果应用到了USB的功能,则只能通过USB进行软件下载之后, 单片机可以自动运行。由此可以知道, 如果建立的应用程序中, 没有增加 USB 的功能, 无论哪一种下载方式, 程序都可以正常运行。这说明

先测量端口电压1.46V的电池内阻, 在1kHz测量频率下,测量回路中等效串联电阻大约12.7欧姆, 使用 10kHz 的测量频率, 可以直接得到电阻的阻值为 9.97欧姆。最后测量1.2V的电池, 对应的内阻大约为9.96欧姆。下面, 使用一个 220欧姆的电阻对作为电池的负载, 根据电池放电电压的变化, 可以获得电池的等效内阻。可以看到, 对于端口电压只有 1.2V的电池, 它的放电内阻

本文研究了MCP6S22单边放大检波电路的特性优化。针对原电路在150kHz导航信号检测中出现的非线性问题,通过降低耦合阻抗、调整输入通道电容电阻参数(电容从0.1μF增至10μF,电阻从10kΩ减至510Ω)改善了检波线性度。实验结果显示,修改后的小信号死区消失,输出信号与输入幅度呈现良好线性关系,但信号幅度有所降低。进一步通过增加510kΩ上拉电阻提供直流偏置后,检波特性进一步改善,在较大输入

本文介绍了基于MCP6S22可编程运放的150kHz电磁导航信号采集系统设计。系统采用STC32G单片机控制,通过MCP6S22对LC谐振回路接收的150kHz信号进行11倍放大和单边检波,经RC滤波后由ADC采集。测试显示,电路能有效放大信号并完成半波整流,形成可检测的直流电压。后续将测试信号幅度与ADC数值关系,评估系统动态范围。该系统为电磁导航应用提供了可靠的信号采集方案。

这不是关键, 最重要的是, 在上半桥MOS管截止的过程中,再也没有出现高频震荡了。同样是高频MOS半桥,在他铺设的电路中, 两个功率MOS栅极信号都与源极之间采用了差分驱动。多么好的建议, 下面, 根据这位朋友的建议, 制作一个测试电路, 对今天我的电路进行重新布线测试。这个电路还是那个电路, 只是在线路布局的时候, 将上下两个桥臂MOS管的驱动信号, 尽可能采用了差动布线,减小了回路面积








