
简介
该用户还未填写简介
擅长的技术栈
未填写擅长的技术栈
可提供的服务
暂无可提供的服务
嵌入式开发入门
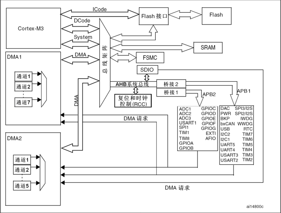
目前主流的一些芯片、开发板都可作为我们学习嵌入式的选择以及树莓派、香橙派、Arduino等目前我的专业也开设嵌入式开发与传感器(基于stm32)课程,所以准备选择学习stm32F103C8T6芯片系统结构图:STM32主系统主要由四个驱动单元和四个被动单元四个驱动单元:①内核DCode总线②系统总线③通用DMA1④通用DMA2四个被动单元:①AHB到APB的桥:连接所有的APB设备②内部flash

Python机器学习——朴素贝叶斯
(Naive Bayes)是一种简单经典的,它的经典应用案例为人所熟知:文本分类(如垃圾邮件过滤)。

Python机器学习——决策树
通过对以上决策树知识点的学习,总结出决策树也同样优缺点并存建立决策树模型的过程非常容易理解决策树模型可以可视化,非常直观可用于分类和回归,而且非常容易做多类别的分类能够处理数值型和连续的样本特征缺点:对噪声数据比较敏感,容易过拟合决策树算法在工业中本身应用并不多,但很多算法都是以决策树为基础搭建出来的,包括随机森林、Adaboost、GBDT等等理解决策树,是学习这些算法的基石。

到底了