
简介
该用户还未填写简介
擅长的技术栈
可提供的服务
暂无可提供的服务
最绝的是工况识别模块,用动态时间规整算法匹配驾驶模式,比固定规则识别率高了两成。包含燃料电池汽车的燃料电池动力源功率选型,驱动电机参数匹配选型,蓄电池参数匹配选型,主减速比匹配,以满足最高车速,最大爬坡度,百公里加速时间等动力性要求。包含燃料电池汽车的燃料电池动力源功率选型,驱动电机参数匹配选型,蓄电池参数匹配选型,主减速比匹配,以满足最高车速,最大爬坡度,百公里加速时间等动力性要求。然后根据参数

本文分析的微网优化调度系统是一个基于MATLAB平台开发的综合性能量管理系统,采用CPLEX作为优化求解器。该系统核心目标是在考虑风光储多元能源协同的基础上,实现微电网的经济优化运行,特别集成了三类需求侧响应机制和电池储能寿命损耗模型,为现代智能电网的调度决策提供技术支撑。

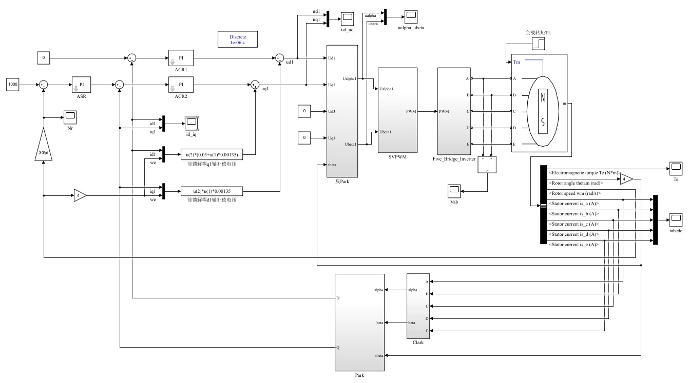
双闭环矢量控制里最烧脑的环节,当属邻近四矢量SVPWM的实现。有次手滑把2π写成π,结果输出转矩直接腰斩,查了三天才发现是这里的小数点背叛了革命。实测发现这个处理直接影响了扇区切换时的波形平滑度,有次调试忘了加mod函数,结果波形突然跳变差点烧了IGBT。特别是那个非线性补偿表,据说是用遗传算法优化出来的,实测能提升约3%的转矩输出效率。这个设计完美解决了积分饱和引发的超调问题,实测突卸负载时的转

本代码实现了一个综合能源系统(Integrated Energy System, IES)的优化调度模型,该系统集成了电力、天然气、供热和制冷多种能源形式。模型采用改进的粒子群优化算法(Particle Swarm Optimization, PSO)来解决复杂的多能源协同调度问题,实现了在不确定条件下的经济环保运行。

从目标数据区间的起始点(sindex)提取平衡点参数:状态变量平衡点x0a=y(st,4)(高压转速)、b=y(st,3)(低压转速),即x0=[a b];输出变量平衡点y0a=y(st,4)(高压转速)、c=y(st,5)(涡轮前温度相关参数),即y0=[a c];该步骤是小偏差线性化的基础,确保线性化模型围绕稳定平衡点构建。

石墨烯/钙钛矿太阳能电池是一种很有潜力的新型太阳能电池结构。钙钛矿材料具有优异的光电转换性能,而石墨烯具有高导电性和良好的光学透明性等优点,将它们结合有望提高太阳能电池的效率。在COMSOL中构建的这个光电耦合模型,主要用于模拟太阳能电池内部的光吸收、电荷产生、传输和复合等过程。通过这个模型,我们可以更深入地了解电池的工作原理,以及各个参数对性能的影响。通过这次对COMSOL石墨烯/钙钛矿太阳能电

本套工具由FLAC脚本(main.f3dat)与Matlab脚本(main.m)组成,核心功能是实现从数值模拟结果到可视化位移云图的完整流程。通过FLAC软件完成三维模型的力学计算后,自动提取模型各关键点的坐标信息与Z方向位移数据,生成标准化数据文件;再借助Matlab脚本读取该数据文件,通过两种可视化方案(散点云图、多边形插值云图)实现位移分布的三维可视化呈现,清晰直观地展示模型在重力作用下的位

BISS-C 是一种开源的、主从式、同步串行通信协议,专为传感器(如编码器)与控制器之间的高速、可靠数据交换而设计。双向同步:主设备(Master,即 FPGA)提供时钟,从设备(Slave,即编码器)在时钟边沿收发数据。高速率:典型时钟频率可达 10 MHz 以上(本系统使用 5 MHz)。内置 CRC 校验:确保数据完整性。支持寄存器读写:可配置从设备内部参数。在汉森驱动器中,BISS-C 主

通过ABAQUS软件的有限元模拟,我成功地研究了重力锚在钙质土中的水平承载力特性。这个过程涉及多个步骤,包括地应力平衡、重力浮力平衡以及水平极限荷载的施加。最终的结果为相关工程提供了重要的参考价值。ABAQUS模型:钙质土中重力串锚水平承载力特性有限元研究使用ABAQUS软件Standard,模拟了海底重力锚在钙质土中的水平极限承载力,土体采用莫尔库伦本构,重力锚为钢制,同时受到重力与浮力作用。

MATLAB/Simulink搭建电动助力转向模型,EPS模型,包括PID控制算法,传递函数回正控制,有完整的模型公式搭建过程,可直接仿真出图像,参数自己数据齐全,建模过程详细!MATLAB/Simulink搭建电动助力转向模型,EPS模型,包括PID控制算法,传递函数回正控制,有完整的模型公式搭建过程,可直接仿真出图像,参数自己数据齐全,建模过程详细!视频操作,截图说明,简单易懂,一一对应。视频








