
简介
该用户还未填写简介
擅长的技术栈
可提供的服务
暂无可提供的服务
基于模糊滑模控制器Fuzzy-SMC的永磁同步电机FOC1.转速环采用Fuzzy-SMC控制器;2.控制器参数使用PSO算法进行在线寻优,降低调参难度;3.提供算法对应的参考文献和仿真模型在永磁同步电机(PMSM)的控制领域,基于磁场定向控制(FOC)策略搭配模糊滑模控制器(Fuzzy - SMC)能实现更优异的性能。今天就和大家唠唠这里面的门道。

基于单位功率因数的永磁同步电机spmsm的矢量控制simulink仿真模型,实现电机输出稳态无功功率保持在0左右程序2014版本,可靠运行最近在研究永磁同步电机(SPMSM)相关内容,今天就和大家分享下基于单位功率因数的SPMSM矢量控制Simulink仿真模型的构建,这个模型能让电机输出稳态无功功率保持在0左右,程序基于2014版本,运行稳定可靠。

基于Learning MPC(LMPC)的四旋翼飞行器(VAU)的避障路径规划本模型建立一种学习模型预测控制(LMPC)的四旋翼飞行器VAU的控制算法。该控制器可以从数据中学习并找到最佳路径轨迹,在避障的同时,使四旋翼飞行器的单圈时间最小化。此外,还提出了LMPC优化问题的新松弛方法,即允许将其从混合整数非线性规划简化为二次规划。模型有详细说明文档(paper)模型需要安装MATLAB工具,文档附

简单来说,这个研究主要聚焦在如何通过自适应强化学习,让机械臂在面对各种不确定性(比如模型误差、外部干扰等)以及输入饱和(机械臂的输入信号不可能无限大,存在一定限制)的情况下,还能精准地按照预设轨迹运动。这对于实际工业应用中机械臂的高效、稳定运行至关重要。

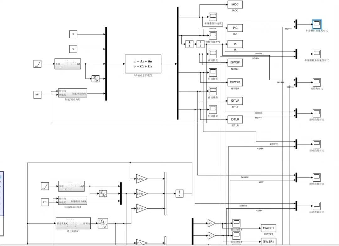
matlab/simulink半车主动悬架建模:基于ADRC(自抗扰控制)的主动悬架控制。主体模型为半车主动悬架,采取ADRC控制。输出为车身加速度,悬架动挠度,轮胎动变形。默认输入为正弦路面输入。有与pid控制的效果对比。在汽车工程领域,悬架系统对于车辆行驶舒适性和安全性起着至关重要的作用。主动悬架作为一种先进的悬架技术,能够根据路面状况和车辆行驶状态实时调整悬架参数,从而显著提升车辆性能。

纯电动汽车Simulink仿真模型建模详细步骤。通过文档的形式,跟着文档一步一步操作,既可以提高自己的建模能力,又可以对整个建模思路进行借鉴,形成设计能力。附带模型。最近在研究纯电动汽车相关内容,发现搭建其Simulink仿真模型是深入理解车辆动力系统运行机制的绝佳方式。今天就来给大家分享下详细的建模步骤,还会带上模型哦,希望能对大家有所帮助。

二阶RC等效电路模型能够较好地模拟电池动态特性。它包含一个电压源、一个内阻以及两个RC并联支路。这种模型可以更精确地反映电池在充放电过程中的暂态响应。

今天,我们从正运动学仿真开始,逐步深入到逆运动学、动力学、轨迹规划和Simulink建模,全面展示了如何利用Matlab Robotic Toolbox建立四轴机械臂模型并实现运动控制仿真。虽然代码看起来不算复杂,但背后涉及的机器人学知识非常丰富。希望这篇文章能够激发你对机器人运动控制的兴趣,并帮助你更好地理解和应用Matlab Robotic Toolbox。Matlab Robotic Too

SCN-Adaboost模型是一种结合随机配置网络和Adaboost算法的分类模型。其基本思想是通过随机配置网络的结构和权重,结合Adaboost的 Boosting 策略,逐步优化分类器,最终达到高精度分类的效果。本文介绍了SCN-Adaboost模型的实现方法,并通过Matlab代码展示了其在多特征输入二分类及多分类任务中的应用。代码中包含了随机配置网络的参数初始化、Adaboost算法的迭代

通过这次开发,我们不仅掌握了电动汽车定速巡航控制器的设计方法,也深刻体会到PID参数调优的重要性和复杂性。数据驱动:仿真结果是最直接的反馈,及时调整参数可以显著提高控制效果。细节决定成败:小到采样频率,大到系统结构,每一个细节都可能影响最终的表现。持续优化:控制算法没有终点,只有不断改进的过程。对于感兴趣的朋友,我提供了一份详细的资料包,包括MATLAB Simulink模型文件(.slx)和论文








