
简介
该用户还未填写简介
擅长的技术栈
可提供的服务
暂无可提供的服务
YOLOv5与YOLOv4实质上都是在YOLOv3算法的基础上,进行了网络结构及训练技巧等方面的改进,使得检测性能得到进一步的提升。YOLO系列目标检测的框架,通常可以分为如下几个部分:输入端、骨干网络、Neck网络和输出端。本文将具体阐述YOLOv5算法的改进之处,主要内容如下:(1)输入端的改进,主要增加了Mosaic数据增强方法和自适应图片缩放方法。(2)骨干网络的改进,考虑了Focus结构

限制强化学习应用的一个重要原因就是,许多任务所涉及的目标都很复杂或者不太明确,因此很难人为设计一个奖励函数来激励智能体进行学习。有两个方法可以解决这个问题:① 通过人类标注数据使用逆强化学习获得奖励函数模型,这样有了奖励函数之后,就可以使用一般的强化学习的方法去找出最优策略/动作。② 人类直接对智能体的当前策略/动作提供反馈,也就是用人类来替代奖励函数。OpenAI 的方法是从人类反馈中学习奖励函

阈值分割法可以说是图像分割中的经典方法,它利用图像中要提取的目标与背景在灰度上的差异,通过设置阈值来把像素分成若干类,从而实现目标与背景的分离。

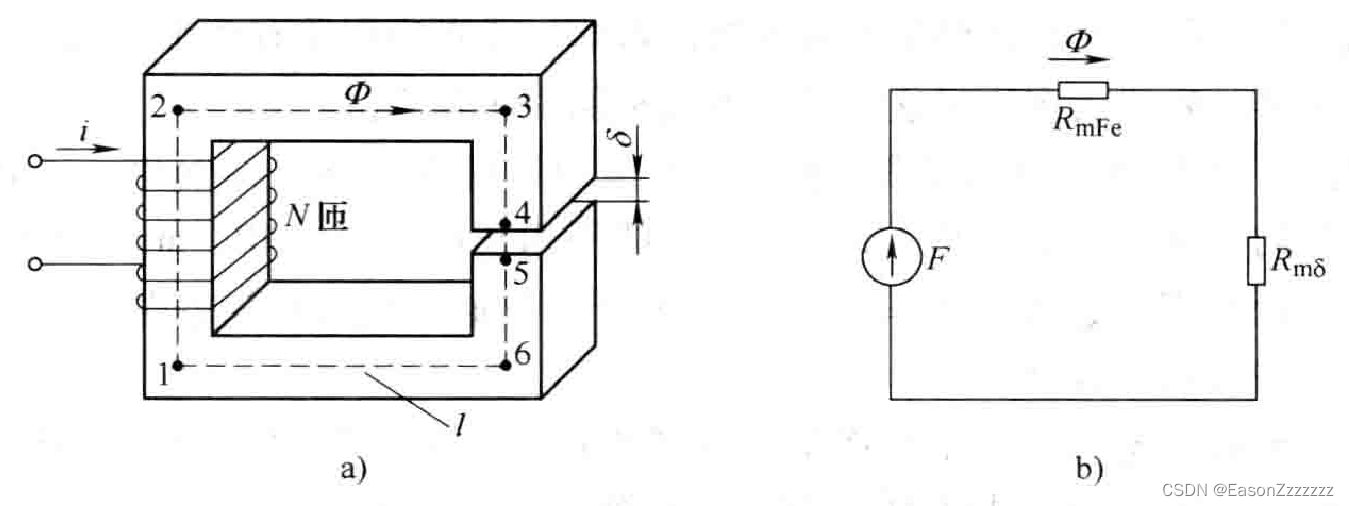
给定磁通量,计算所需要的励磁磁动势。:给定励磁磁动势,计算磁通量。下面说明正问题的计算方法图1.简单串联磁路a) 串联磁路b) 等效磁路图即不计漏磁影响,仅有一个磁回路,如图1所示。此时整个磁路中为统一磁通,但由于各段磁路的截面积不同,故应分段求出各段中的磁通密度Bk,再根据所用材料的磁化曲线,查出产生Bk所需的磁场强度Hk,最后求出各段和整个磁路所需的磁动势值。若磁路中含有气隙,由于气隙磁

矢量分析法中首先需要了解标量场和矢量场的区别

阈值分割法可以说是图像分割中的经典方法,它利用图像中要提取的目标与背景在灰度上的差异,通过设置阈值来把像素分成若干类,从而实现目标与背景的分离。








