
简介
该用户还未填写简介
擅长的技术栈
可提供的服务
暂无可提供的服务
无刷双馈电机BDFM&BDFIG电动机和发电机模型都有发电机采用了两种不同的模型搭建方法仿真结果验证可靠无误图5是复现某篇论文的电机控制算法的模型(控制部分额外)最近在研究电机领域的小伙伴可能都对无刷双馈电机(BDFM,Brushless Doubly - Fed Machine)以及它作为发电机时的无刷双馈感应发电机(BDFIG,Brushless Doubly - Fed Induction

发电公司(智能体)通过DDPG算法学习竞价参数α电力市场环境(threebus.py或thirtybus.py)根据竞价参数进行市场出清计算节点电价和发电公司利润,将利润作为奖励反馈给智能体智能体通过经验回放和 Actor-Critic 架构更新策略经过多轮迭代,智能体逐渐收敛到最优竞价策略通过与理论纳什均衡和其他算法(Q-Learning、VRE)对比,验证DDPG算法的有效性程序设计遵循模块化

模块化设计:将约束、成本、动态模型分离,便于维护与扩展;时域协同:上层提供基础策略,下层修正并反馈,形成闭环;多约束融合:同时考虑功率平衡、储能安全与经济性目标。代码严格遵循模型预测控制的“预测-优化-反馈”逻辑,通过逐段定义的函数实现各环节功能,忠实反映了含储能微网双层能量管理的工程需求。MATLAB代码:基于模型预测算法的含储能微网双层能量管理模型关键词:储能优化 模型预测控制MPC 微网 优

目前这个小平台已经支持STEP、IGS、STL、OBJ、3DS、OSG等十几种格式了,多文档切换、装配体树状显示、模型高亮、测量、导出图片这些功能都能用,网格划分导出也没问题,后续打算加个参数化建模的模块和剖切功能。代码已经开源到Gitee了,有兴趣的小伙伴可以去扒拉,要是能给个star就更开心了😎。

COMSOL天然气水合物温压力化四场耦合模拟,以产气量、温度、压力变化判断模型是否正确,孔隙压力和水合物解离对固体变形的影响以及应力对水力行为的影响,并应用有限元-有限体积法来求解数值模型在能源领域,天然气水合物因其巨大的潜在储量而备受瞩目。然而,对它开采过程的模拟是个复杂的活儿,今天咱就唠唠用COMSOL进行天然气水合物温压力化四场耦合模拟。

首先,基于阶梯碳机制建立工业园区碳模型,通过引入弗雷歇距离分析不同类型工业负荷用能特性,进一步建立电-碳双重激励机制下多类型工业园区激励型综合需求响应模型。其次,构建混合博弈模型,即上层电网调度控制中心与下层工业园区之间的主从博弈模型和下层工业园区联盟之间的合作博弈模型,并基于核仁法分配合作收益。其次,构建混合博弈模型,即上层电网调度控制中心与下层工业园区之间的主从博弈模型和下层工业园区联盟之间的

曾经有个项目,设备运行半小时后谐振频率漂了50Hz,陷波器直接成摆设。实际工程中,由于传动环节机械间隙和柔性的影响,机械谐振现象经常会发生,导致伺服系统运行过程中会产生噪声,更严重时容易损坏设备。实际工程中,由于传动环节机械间隙和柔性的影响,机械谐振现象经常会发生,导致伺服系统运行过程中会产生噪声,更严重时容易损坏设备。仿真内可手动设置谐振频率,根据设定频率自动设定机械参数,并且设置陷波滤波器参数

悬架mpc控制程序模型2自由度 4自由度 7自由度在汽车动力学控制领域,悬架系统的精准控制至关重要。模型预测控制(MPC)因其能有效处理多变量、有约束的复杂系统控制问题,在悬架控制中得到了广泛应用。今天咱们就来聊聊悬架MPC控制程序模型中2自由度、4自由度和7自由度模型的那些事儿。

下层模型以火电机组运行成本最小和可再生能源弃电量最小为优化目标,考虑调峰主动性约束,旨在充分发挥火电机组深度调峰能力,优化可再生能源消纳能力和火电机组经济运行基于分解协调思想,实现上、下层问题的协调和下层问题的交替迭代求解最后,以改进的 IEEE30 节点系统为例进行测试。该策略考虑了多能系统的电源结构复杂性,以及涉及的众多变量和约束条件,采用分层优化的调度方案,实现了上、下层问题的协调和下层问题

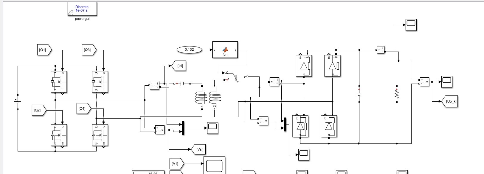
玩无线电能传输的都知道,系统稳定性就像走钢丝,稍微偏离谐振点效率直接扑街。最近在调一个15cm距离的100W系统,实测串串结构(Series-Series)在轻载时容易崩,这时候就得掏出控制策略的骚操作了。后来改成频率限制+移相优先的策略,系统鲁棒性直接上两个台阶。实测在耦合系数突变30%时,输出电压抖两下就稳住了,比传统前馈控制快一倍。ss补偿网络变频控制移相控制,同时控制系统保持谐振和稳定输出








