
简介
该用户还未填写简介
擅长的技术栈
可提供的服务
暂无可提供的服务
最近在搞圆形阵列波束形成的仿真,发现这东西虽然数学推导有点麻烦,但用MATLAB实现起来还挺有意思的。直接上干货,先说说怎么用30个阵元围成的圆盘阵列搞事情。对比自适应前后的方向图,能看到在30度位置出现了明显的零陷,深度大概35dB。仿真中最魔幻的时刻,是看着那个深不见底的零陷精准戳在干扰方向上的时候——仿佛阵列突然长了眼睛,对着干扰说:"就你叫夏洛啊?2.如果目标在0度,有一不相干的干扰信号在

本项目是一个基于知识蒸馏(Knowledge Distillation)技术的高光谱图像分类系统,采用教师-学生网络架构,实现高效的图像分类任务。系统包含完整的数据预处理、模型训练、知识蒸馏和预测推理流程。

单相图腾柱PFC交错并联totem单相整流器(仿真+参考文献+设计文档+计算书)参考文献:《图腾柱式无桥零纹波交错并联Boost功率因数校正器_王议锋》(1)采用双闭环控制策略(2)高功率因数,谐波畸变率低资料:①仿真:普通PFC仿真+改进的simulink仿真模型②报告:硬件设计报告、PFC部分软件设计报告③Mathcad计算书:PFC主功率计算书、PFC-软件计算、PFC环路设计与计算④参考文

通过基于模糊逻辑控制的模型预测控制方法,结合Matlab和CarSim进行仿真,我们能够有效地实现ACC巡航车队在变速工况下的纵向控制。希望这个分享能为大家在车队仿真和纵向控制项目中提供帮助,大家可以根据自己的需求进一步完善和优化这个模型。如果有任何问题,欢迎在评论区交流。#模型预测控制#车队#仿真#Matlab#carsim。

风光储联合发电系统 光伏风电储能能量管理matlab/sim ulink仿真包含永磁风力发电机模型、光伏发电模型、超级电容充放电模型和三相逆变模型能量管理控制方式为最大功率点跟踪MPPT。t=1s, 永磁风力发电机的风速6m/s 突变为 7 m/s;t=2s, 光伏发电的光照强度从1200W/m2突变为1000W/m2;t=3s,负载功率由5kW突变为11kW;具体仿真如下。在如今追求清洁能源的时

光储并网直流微电网仿真模型(matlab/simulink,2018),包含:1.MPPT模块,实现光伏输入最大功率跟踪;2.储能电池模块;3.超级电容模块;控制策略简介:糸统使用二阶低通滤波法对光伏输出功率进行抑制,通过设置不同截止频率,高频功率给超级电容响应,中频给蓄电池响应,低频功率馈入电网,并网THDi小于5%,母线电压稳定,并网质量良好;有对应文献;本文将介绍一个基于Matlab/Sim

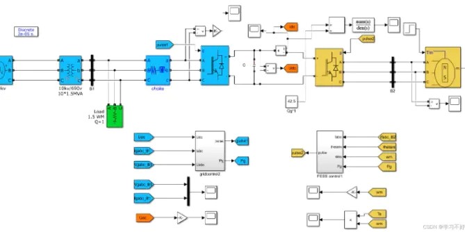
飞轮储能系统的建模与MATLAB仿真(永磁同步电机作为飞轮驱动电机)不是模型嘿,各位技术爱好者!今天咱们来聊聊飞轮储能系统的建模以及用 MATLAB 进行仿真的事儿,这里的飞轮驱动电机用的是永磁同步电机。飞轮储能系统可是个很有潜力的技术,在很多领域都能发挥大作用,比如电网调峰、不间断电源等等。

激励型负荷需求响应模型matlab编程语言:matlab+yalmip基本内容:采用激励型需求响应方式对时序性负荷进行转移,和电价响应模式不同Matlab/Simulink仿真设计,电力电子仿真设计,无线电能传输,电能质量治理,无功补偿,阻抗匹配等仿真指导与设计在电力系统的研究领域,需求响应是优化电力资源分配、提升系统稳定性的关键手段。今天咱们就唠唠激励型负荷需求响应模型,它和常见的电价响应模式不

计及碳捕集电厂低碳特性需求响应综合能源系统多时间尺度调度模型关键词:碳捕集电厂综合灵活运行方式需求响应 日前调度 实时调度多时间尺度参考文档:《计及碳捕集电厂低碳特性的含风电电力系统源-荷多时间尺度调度方法》非完全复现,只做了日前日内部分,并在上述基础上改进升级为电热综合电源系统仿真平台:MATLAB yalmip+cplex。

部署文档里有个坑得注意:PHP版本最好用7.3+,别用8.0以上的新版本,某些老扩展可能会闹脾气。数据库配置在application/database.php里改,记得把type改成你用的数据库类型,别傻乎乎用默认的sqlsrv配置。这段代码用了phpqrcode库,把资产ID转成可扫描的二维码。PHP资产管理系统源码可自由设计资产卡片,适用于IT办公行业固定资产管理,资产录入设备管理,功能齐全。








