
简介
该用户还未填写简介
擅长的技术栈
可提供的服务
暂无可提供的服务
这次接了个四轴码垛机的项目,三个松下A6伺服加一个雷赛步进,整套程序里比较有意思的是不同定位模式的混搭应用。原点回归直接用了三菱的DSZR指令,这玩意儿带DOG搜索和零点信号双重检测,比普通ZRN稳当不少。接线方面,松下伺服的CN1端口接法要特别注意,三菱的差分输出得接成集电极方式。整套图纸用Eplan出的,把伺服参数配置直接标注在线号旁边,现场调试省事不少。伺服轴的手动程序结构类似,区别在于需要

主要内容:代码主要构建了考虑电动汽车负荷随机性条件下,也就是并网功率有波动性的条件下,其蓄电池的最优容量以及最优充放电功率的优化模型,蓄电池的容量规划在考虑了不同程度并网波动性的条件下开展,此外还从多个时间尺度,如月度、季度以及年度等尺度进行了容量优化配置,结果非常全面,求解采用的是多目标灰狼算法,求解效果极佳,具体可以看图!当电动车的充电枪插入微电网,这套算法就像经验老道的冲浪者,在随机性的浪涌

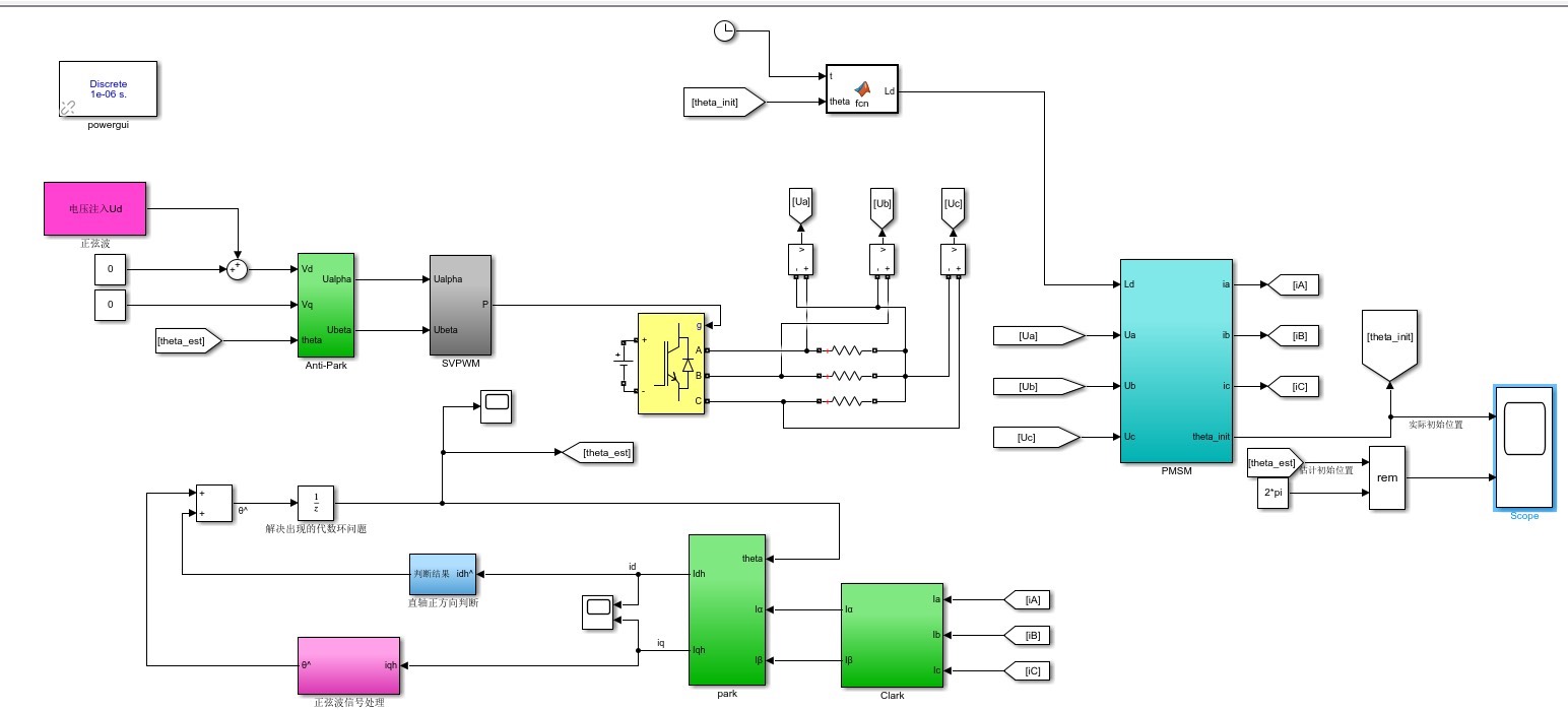
永磁同步电机无位置传感器转子初始位置检测1.正弦波信号注入实现PMSM转子初始位置检测,包括转子初始位置初次估计和极性判断;2.提供仿真模型和参考文献,购买赠送PMSM控制相关电子资料在永磁同步电机(PMSM)的控制领域,无位置传感器技术一直是研究热点,而其中转子初始位置检测更是关键的第一步。今天咱就来唠唠通过正弦波信号注入实现PMSM转子初始位置检测这一方法,它主要包含转子初始位置初次估计和极性

本套代码旨在解决含风电、光伏新能源的电力系统经济调度问题,以IEEE30节点六机系统为研究对象,构建考虑多重约束条件的调度模型,并采用粒子群优化(PSO)算法实现最优解求解。核心目标是在满足功率平衡、机组出力限制、机组爬坡约束等条件下,最小化系统总发电成本,同时最大化新能源(风电、光伏)消纳率,降低弃风弃光与失负荷损失。

1,扩展卡尔曼滤波。道路坡度估计算法,使用Simulink模型搭建,已经在实际道路上测试使用。主要程序执行流程:1) 获取陀螺仪和加速度采集的实时动态信息2) 初始化用来校正传感器3) 通过预处理对信号进行滤波,消除大部分错误和失真的信号4) 主处理动态调整加权因数、利用角速度校正加速度等方法,得到最优的坡度估计5) 通过 CAN 总线将估计的坡度信号传递给整车其他电控单元。

Logistic回归全流程代码,包含:导入数据 数据划分 基线表生成LASSO回归批量单因素logistic 多因素logistic列线图ROC校准曲线DCA本文档详细介绍一套基于R语言的Logistic回归全流程分析代码,该代码覆盖从数据导入到变量筛选的核心环节,适用于医学、社会学等领域的二分类结局变量研究,可帮助研究者高效完成数据预处理、基线特征分析与变量初筛,为后续多因素回归建模、模型验证奠

质子交换膜燃料电池仿真Comsol完整版虽然氢电发文量多了,但是氢电模型复杂程度和别的领域没法比,两相流非等温的氢燃料电池,跑通的都得好几千的,这个模型的流道和内侧都是多相流,这个里面是雾状流的流道,目前是给定电压,自己可以改,没有气体反扩散,有水的反渗透,这个模型考虑了所有流域的液态水,以及相变,相变热,流道水用扩散项,国际氢能多见这么做的,流道水加扩散项雾状流流道内液态水体积分数基本在10的负
starccm+里的时间窗口和采样频率:刚才说了,别忘减平均压力,别忘采样频率是最高频率的2倍以上,别忘前一半时间步是过渡,别导出进去。Vaone里的面关联:一定要把导入的starccm+声源面和Vaone的板块一一对应,不然声源会加在错误的地方,结果全错。Vaone里的材料属性:别随便改材料库的参数,小白先用默认的,等入门了再自己调损耗因子、阻尼系数这些。简化模型的重要性:一开始别搞复杂的整车模

基于 51 单片机的电磁感应无线充电系统设计融合了硬件与软件的巧妙配合,通过 51 单片机的精确控制,实现了无线充电过程的智能化管理。虽然这里只是简单地介绍了一些关键部分的设计思路和代码示例,但实际的系统设计可能会更加复杂,需要考虑到效率、稳定性、兼容性等多方面的因素。不过,通过这种初步的探讨,希望能给对无线充电技术感兴趣的朋友们一些启发,大家可以进一步深入研究,说不定就能做出更完善、更实用的无线

1.本设计采用STC89C51/52(与AT89S51/52、AT89C51/52通用,可任选)单片机作为主控制器2.采用霍尔传感器非接触式测电机转速3.LCD1602液晶显示当前的转速,转速单位为转/分(RPM)和显示当前的pwm占空比0~100%电机的速度可以通过按键调整,也可以开始暂停,正转和反转在电子制作和自动化控制领域,电机的精确控制是一个常见需求。今天咱就来讲讲如何用STC89C51/








