
简介
该用户还未填写简介
擅长的技术栈
可提供的服务
暂无可提供的服务
调一下光敏电阻的亮度,屏幕上的数值会跟着变,按模式切换键可以改模式,按阈值按键可以调阈值,自动模式下亮度超过阈值就关窗帘,手动模式下按开关按键就能控制窗帘开和关。最后是核心的电机控制,用的是28BYJ-48五线四相步进电机,减速比挺大的,转一圈要好久,刚好适合窗帘用,驱动用ULN2003,毕竟STM32的IO口带不动电机的电流。按键这块我用了四个,分别是阈值加、阈值减、模式切换、手动开关,都是接在
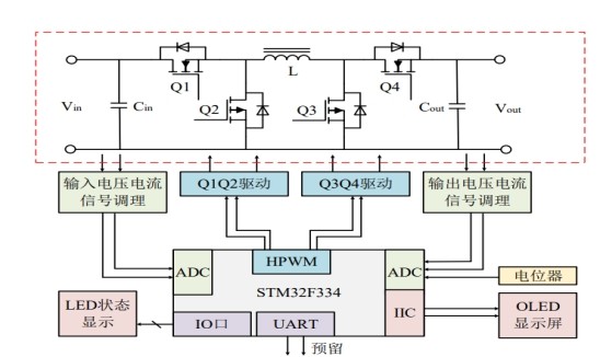
该系统是基于ARM的buck-boost拓扑双向DC-DC电源变换器设计,本系统主要包括STM32F334、BUCK-BOOST电路、辅助电源、驱动电路、信号调理电路等,输入的电源经过一系列变换进行输出,为负载或电池供电。该系统是基于ARM的buck-boost拓扑双向DC-DC电源变换器设计,本系统主要包括STM32F334、BUCK-BOOST电路、辅助电源、驱动电路、信号调理电路等,输入的电

国内汽车车载电源DCDC首家,硬件原理图,软件源码,3带上位机调试工具,资料完全配套3.3KW DCDC电源控制系统是一套软硬件协同的车载电源解决方案,代码层面分为上位机调试软件与下位机控制程序两大核心部分,配套硬件驱动配置文件,实现从设备连接、参数监控到故障保护的全流程自动化控制。代码文件总计48个,涵盖C# WinForms上位机工程、PIC单片机C语言下位机工程及硬件驱动配置文件,各模块功能

在“毫米级精度、百元级成本”的激光测距市场,传统方案往往依赖 FPGA 高速采样或双光路结构。本开源项目反其道而行:仅用一颗 24 MHz 主频的 STM32F10x、一片 12-bit ADC、一片可调 APD 高压源,就实现了 0.05~30 m 范围内亚厘米级测距。整个软件系统围绕“如何让慢速 MCU 做出高速相位仪”展开,功能密度极高。下文将以“代码本身怎么说”为主线,逐层拆解其设计哲学与

51单片机直流电机1602PWM控制系统 C程序、proteus仿真、报告、仿真演示视频支持LCD1602显示PWM占空比、转速支持按键设置PWM占空比加减、正反转、启动/停止,从而实现对直流电机的加速、减速以及正反转、急停。在电子制作和自动化控制领域,51单片机配合直流电机的应用非常广泛。今天咱就来唠唠这个基于51单片机的直流电机1602 PWM控制系统,还会涉及C程序编写、proteus仿真,

硬件部分整个活:STM32F103C8T6当家做主,配个LCD1602显示实时温度,PWM驱动半导体制冷片。温度控制这玩意儿在工业里可是老熟人了,今天咱们来盘盘怎么用STM32做个能冷能热的PID温控系统。半导体制冷片记得加散热器,仿真里不显真身,但实物操作时烫手可不是开玩笑的。这段代码的骚操作在积分项限幅——新手常栽的坑就是积分饱和,温度冲过头直接表演开水煮青蛙。参数整定方面建议先用Z-N法粗调

新能源电池焊接1200程序西门子PLC做的电池焊接程序,电池包里面有n*m行列个电池,主要功能:1.每个电池的焊点坐标能够独立调整2.每个电池的焊接能量可独立选择3.任意一个或者多个电池可以随机选择不焊接4.可以选择某一边电池焊接5.可以灵活选择焊接方式6.可存储5套不同产品种类数据7.所有参数均可在hmi上配置程序设计灵活,采用了位置试教与定位路径规划完全独立的算法,任意一方修改,不会影响另外一

基于51单片机交通灯设计单片机模拟交通灯信号灯十字路口信号灯51单片机交通灯proteus仿真仿真图protues 8.0程序编译器:keil 4/keil 5程序 仿真 原理图 报告功能如下:1.红绿灯时间可显示,正常红绿灯切换2.可以按键设置红绿灯时间3.有交通管制按键(按下默认全部红灯)在嵌入式开发的世界里,51单片机是很多爱好者入门的经典选择。今天咱们就来聊聊基于51单片机的交通灯设计,这

这个方案主要聚焦于实现超声波发生器的自动追频功能,并且通过数码管直观地展示相关参数。AVR单片机在其中扮演核心角色,凭借其丰富的资源和相对简单的编程,能够高效处理复杂的超声波频率追踪任务。而半桥电路设计则为超声波的产生提供了稳定的驱动。数码管显示部分让我们可以实时观察到发生器的工作状态,比如当前的工作频率等关键信息。

模糊 PID 在桥式起重机防摇控制中确实是个实用的思路。它不像纯模糊控制那样完全抛弃 PID 的精度,也不像固定 PID 那样死板。通过模糊规则把人的经验融入参数调整,实现了“软硬结合”。但也要注意,模糊规则的设计很考验经验,调不好反而会引入振荡;而且实时计算量比固定 PID 大,对硬件有一定要求。另外,如果系统动力学参数变化剧烈(比如吊重质量大变),可能还需要更高级的自适应方法。/project








