
简介
该用户还未填写简介
擅长的技术栈
可提供的服务
暂无可提供的服务
ABM开发板FreeRTOS版APP源码(APPV3.0)基于Cortex-M3架构与FreeRTOS内核,构建了一套功能完整、可配置、高可靠的嵌入式实时系统解决方案。其底层模块提供了处理器核心操作与启动支持,FreeRTOS内核实现了任务调度、通信同步等核心功能,可满足工业控制、智能硬件等领域的实时性与可靠性需求。开发者可基于此源码,通过配置与扩展任务逻辑,快速适配具体应用场景,降低嵌入式实时系

它把“单个 32 bit 变量”抽象成“最多 24 个独立事件位”,通过“位或、位与、位清除、位等待”四种原子语义,让多个任务可以以“任意位匹配”或“全位匹配”方式聚合/等待事件,从而替代传统“多个二值信号量”方案,减少 RAM 占用与上下文切换次数。通过以上机制,事件组在仅消耗 28 字节 RAM(StaticEventGroup_t)的前提下,即可替代传统“N 个信号量 + M 次同步”方案,

这段代码通过对CANMC寄存器的操作,先进入配置模式,然后清除配置寄存器,接着精心设置CANBT1、CANBT2、CANBT3等寄存器来配置位时间等参数,最后再退出配置模式,完成了CAN模块的初始化。咱们都知道,在嵌入式开发中,程序的升级是个很重要的事儿。还有Hex文件解析,它能准确地读取和理解Hex文件中的内容,把程序代码和数据等信息提取出来,以便进行正确的升级操作。总之,这个F28035的CA

该程序主要方法复现《含高比例可再生能源配电网灵活资源双层优化配置》运行-规划联合双层配置模型,上层为光伏、储能选址定容模型,即优化配置,下层考虑弃光和储能出力,即优化调度,模型以IEEE33节点为例,采用粒子群算法求解,下层模型为运行成本和电压偏移量的多目标模型,并采用多目标粒子群算法得到pareto前沿解集,从中选择最佳结果带入到上层模型,最终实现上下层模型的各自求解和整个模型迭代优化。这俩就像

通过以上代码实现,我们对OFDM MQAM在衰落信道下的性能进行了仿真,其中导频估计和信道均衡在一定程度上补偿了衰落信道的影响。但实际通信环境更为复杂,不同的衰落模型、导频模式以及均衡算法都会对误比特率性能产生影响,后续可以进一步深入研究。希望本文的内容对本科和研究生在相关领域的学习有所帮助。

基于simulink的8阶lms自适应滤波器模型,纯手搭 非软件自带lms库,图示为降噪效果。第一行为加噪信号;第二行为滤波器输出;第三行为降噪结果。可广泛应用于数字域噪声抵消的原型验证,具有参考和再次开发价值。提供原理说明与相关测试文件。~~~~~~~~~~另也可改造为语音降噪模型,如图二在信号处理领域,噪声问题一直是个让人头疼的家伙。

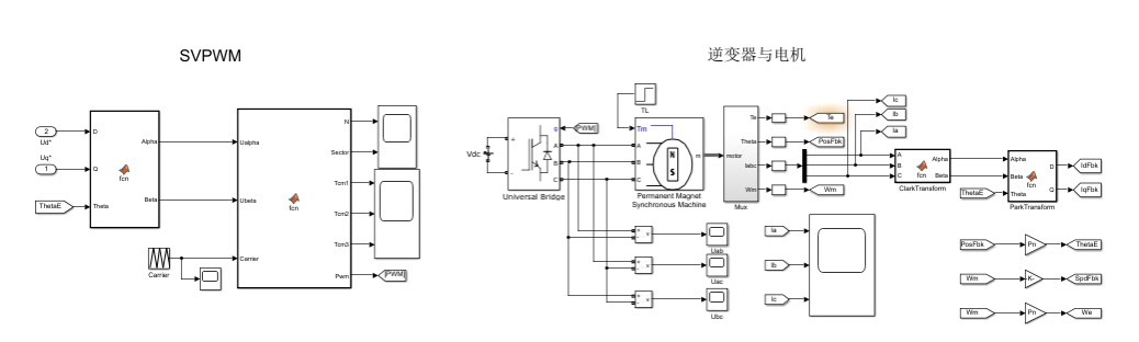
永磁同步电机伺服控制仿真三环PI参数自整定 Matlab仿真模型1.模型简介模型为永磁同步电机伺服控制仿真,采用 Matlab R2018a Simulink搭建。模型内主要包含DC直流电压源、三相逆变器、永磁同步电机、采样模块、SVPWM、Clark、Park、Ipark、位置环、速度环、电流环等模块,其中,SVPWM、Clark、Park、Ipark模块采用Matlab funtion编写,其

这个模型是用Matlab R2018a/Simulink搭建的,专门针对基于双环自抗扰控制的永磁同步电机伺服控制进行仿真。这里的双环,指的是把位置环和转速环合并成了一环,采用二阶自抗扰控制器,而电流环采用一阶自抗扰控制器,这就是双环自抗扰伺服控制的由来。整个模型包含了好多关键模块,像DC直流电压源、三相逆变器、永磁同步电机这些基础的不说,采样模块、SVPWM(空间矢量脉宽调制)、Clark、Par

HHO哈里斯鹰算法算法优化KELM核极限学习机(HHO-KELM)回归预测MATLAB代码代码注释清楚。main为主程序,可以读取EXCEL数据。很方便,容易上手。(电厂运行数据为例)温馨提示:联系请考虑是否需要,程序代码商品,一经售出,概不退换。在电力行业,对电厂运行数据进行精准预测至关重要。今天咱们聊聊用HHO(哈里斯鹰算法)优化KELM(核极限学习机)来做回归预测,还会分享MATLAB代码,

本文档基于Ansys Workbench软件环境,对芯片回流焊与温度循环热力耦合仿真相关代码进行功能解读。该代码体系围绕热力耦合分析核心需求,构建了包含材料参数定义、几何模型导入、仿真流程配置及结果输出的完整技术框架,支持从热分析到结构应力分析的全流程自动化仿真,适用于芯片封装工艺中的可靠性评估场景,可精准模拟回流焊过程中的温度场分布与温度循环下的结构应力变化,为芯片封装设计优化提供数据支撑。








