
简介
该用户还未填写简介
擅长的技术栈
未填写擅长的技术栈
可提供的服务
暂无可提供的服务
SPI总线全攻略:从以太网组网、大容量Flash存储到AirLink高速通信
SPI总线硬件配置、SPI以太网应用、SPI TF卡应用、SPI Nor Flash应用、SPI NAND Flash应用、SPI AirLink应用

LuatOS-Air脚本移植到LuatOS版本注意事项
lua版本不一样、api不同、跨文件调用方式不同、实例

LuatOS实战教程:sys库多任务管理
RTOS实时操作系统 、sys库任务管理API函数、多任务实战演练

LuatOS开发:实时操作系统RTOS核心库
RTOS底层操作库API函数——系统管理、内存管理、路径配置、其他底层交互

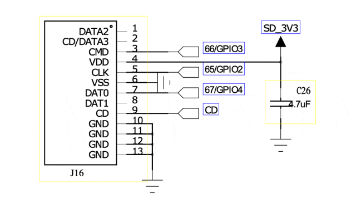
空间告急?AirMICROSD_1000直插小板快速扩容
硬件接线方式、软件demo下载

Air8000-exgnss 扩展库的使用
GNSS 概述、演示功能概述、准备软硬件环境、GNSS软硬件参考、代码示例介绍、注意事项与常见问题

Air8000-exvib 扩展库的使用
GSENSOR 概述、演示功能概述、准备软硬件环境、代码示例介绍、注意事项与常见问题

GNSS定位调试方法
GPS 工作原理简介、不同地球坐标系的区别、GNSS 报文格式、Air8000 无法定位情况分析、Air8000 的 GNSS 测试环境、NMEA 扩展知识

内置ES8311和音频PA,AirAUDIO_1010音频小板
AirAUDIO_1010使用说明、原理图及参考示例

出镜率高,绝不“默默无闻”:AirAUDIO_1000
AirAUDIO_1000使用说明、原理图及参考示例、








