
简介
该用户还未填写简介
擅长的技术栈
未填写擅长的技术栈
可提供的服务
暂无可提供的服务
SIMULINK 的POWER GUI功能使用--傅里叶分析
power GUI 使用傅里叶分析
IP被锁定的原因以及处理方法[IP definition not found]
IP被锁定的原因以及处理方法[IP definition not found]

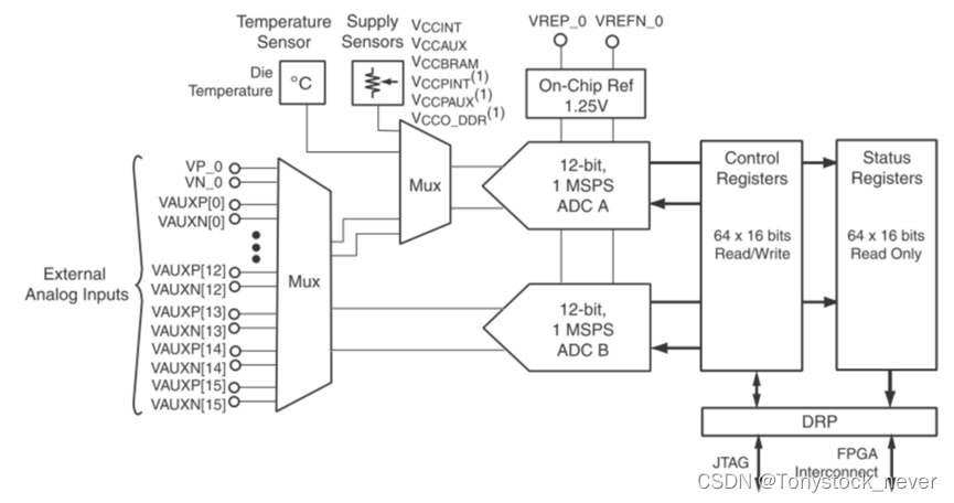
ZYNQ XADC使用
ZYNQ XADC使用

Matlab作图中只显示特定区域内图像方法
Matlab作图只显示特定区域内图像

到底了







