
简介
该用户还未填写简介
擅长的技术栈
可提供的服务
暂无可提供的服务
这个光伏交直流混合微电网模型的核心玩法,是把直流母线和交流母线当成两个性格迥异的兄弟——一个喜欢直来直去,另一个偏爱正弦曲线。3.ILC采用双下垂控制策略,首先将交流母线频率和直流母线电压进行归一化,使其范围控制在[-1,1],之后通过ILC的归一化下垂控制调节交流母线频率和直流母线电压的偏差,最终使二者数值相同。3.ILC采用双下垂控制策略,首先将交流母线频率和直流母线电压进行归一化,使其范围控

基于数据驱动的中央空调系统可控潜力评估关键词:数据驱动 中央空调需求响应可控潜力评估编程语言:matlab平台内容简介:代码主要做的是住宅空调负荷的可调度潜力评估,因为住宅空调负荷是一种具有一定灵活性和可控性的需求响应资源,本代码首先评估单一客户的空调可控潜力,进而发展为大规模地区的空调的需求响应潜力以及规模的评估采用静态和动态模型参数估计的分段分析方法,深入分析了ACLs的消费行为,并针对不同时

座舱域开发最魔幻的是,你以为在建模,其实在搭电子系统的神经脉络。那些看似冰冷的Simulink模块,连起来就是让钢铁机器拥有"温度"的魔法阵。simulink模块汇总梳理, 智能座舱域在AUTOSAR 框架中应用层的开发依赖于simulink建模,通过simulink模型设计加上C代码生成来完成繁杂的应用层开发。simulink模块汇总梳理, 智能座舱域在AUTOSAR 框架中应用层的开发依赖于s

三机并联风光混合储能并网系统Matlab仿真风光储并网风光储微电网系统风光储系统光伏电池模型光伏mppt永磁同步风机风机mppt混合储能,超级电容电压电流控制PQ控制波形正确,结构完整有参考文献看倒数第三张图在当今能源转型的大背景下,风光储并网微电网系统成为研究热点。这种系统将太阳能、风能等可再生能源与储能装置相结合,有效解决了可再生能源间歇性和波动性的问题,为实现稳定可靠的电力供应提供了可能。今

100kW光伏并网发电系统MATLAB仿真模型采用“增量电导+积分调节器”技术的MPPT控制器VSC并网控制最近在研究光伏并网发电系统,搭建了一个 100kW 的 MATLAB 仿真模型,今天就来和大家分享下其中用到的关键技术。

这是一套完整的异步电机变压变频(VVVF)控制系统的C语言实现代码,采用模块化设计,适用于嵌入式变频器控制系统。系统基于SVPWM调制技术,实现了完整的V/F控制算法,包含自动转矩提升、转差补偿、振荡抑制等核心功能。Settings.h定义电机基本参数(电阻、电感、极对数等)设置系统基准值(电压、电流、频率)配置中断频率和采样周期定义变频器机型参数和电压等级// 电机参数示例#define RS

高精度称重模块设计方案供电:12-24V通信接口:CAN通道:2精度0.1g,带零点校位高精度,低温漂含原理图,PCB,BOM表,源工程代码,可直接生产最近调试无人售货机的散称模块,踩了一堆坑——普通电阻应变片模块要么零点飘上天,要么20kg量程误差±5g根本没法用,串口通信还老丢包,CAN协议的又贵得离谱。翻了翻开源仓库改了三天,终于搞出个低成本、0.1g精度、12-24V宽压、双路称重、带源工

一维模糊的反推过程很简单,看Scope里的输入论域是[-1,1]m(假设期望10m,当前9.5→9.8→9.9→10→10.1这种小波动,大了肯定论域调宽,当年做的是悬停微调),隶属度函数用了5个三角型+高斯型混合?中间0附近是高斯“刚好”,两边是三角“稍低”“太低”“稍高”“太高”;好坑填完,说说当年啃Scope图反推的一维二维模糊定高的区别吧,旧项目的Scope图有两个对比组:一个是误差e(期

4. 整个电路包括:pv数学模型,mppt,boost电路,双向dcdc,buckboost,蓄电池,双闭环控制等。4. 整个电路包括:pv数学模型,mppt,boost电路,双向dcdc,buckboost,蓄电池,双闭环控制等。2.蓄电池充电放电时,双向buckboost均采用双闭环控制,即:直流母线电压外环,蓄电池放电电流内环。2.蓄电池充电放电时,双向buckboost均采用双闭环控制,即

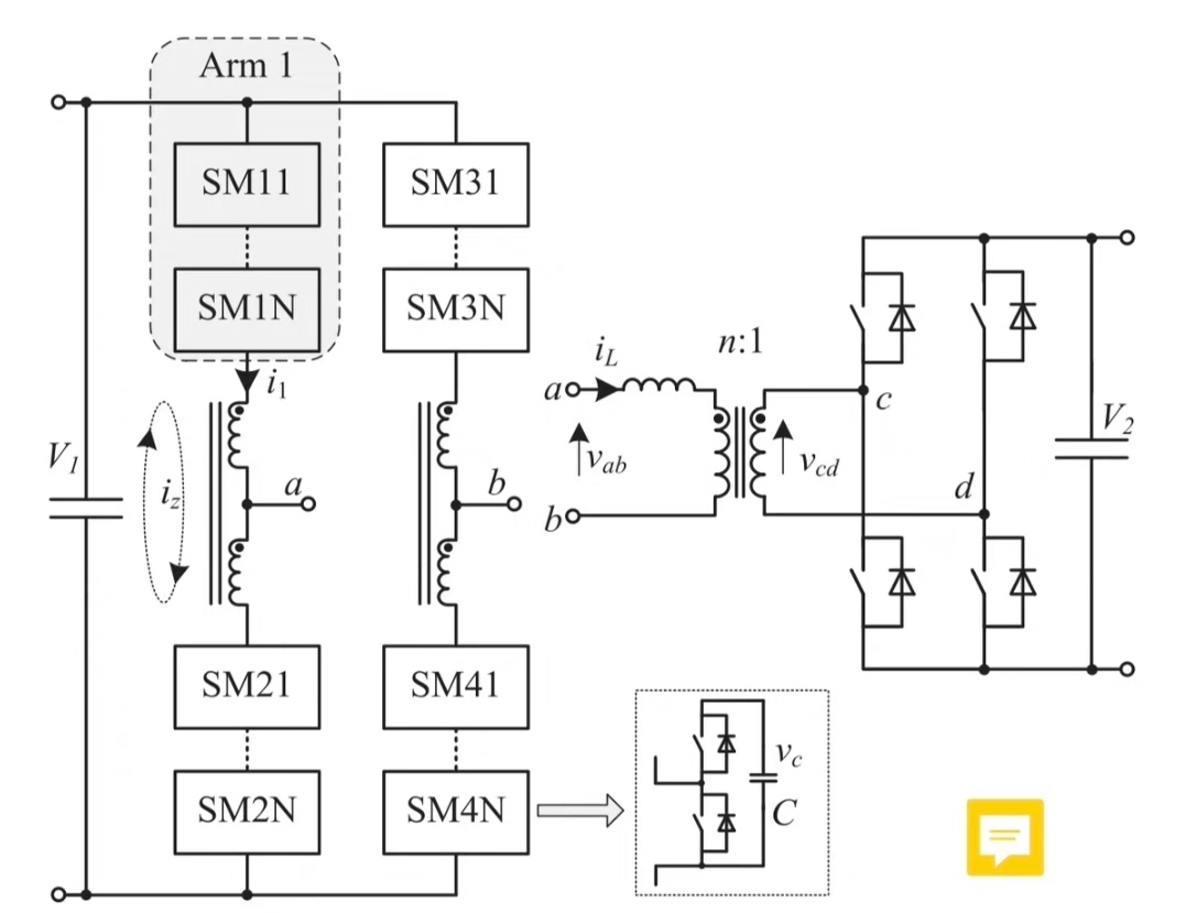
这个模型主要由两部分组成:一次侧采用模块化多电平结构,输出准两电平方波;二次侧则采用H桥结构,输出方波。原副边采用单移相控制来实现输出功率的调节和副边直流电压的稳定。整个系统的核心在于通过合理的控制策略,实现高效率的能量传输。模块化多电平直流变压器仿真模型是一个复杂而有趣的系统,通过合理的结构设计和控制策略,可以实现高效率的能量传输和稳定的电压输出。希望本文能够帮助大家更好地理解这个系统的原理和实








