
简介
该用户还未填写简介
擅长的技术栈
可提供的服务
暂无可提供的服务
同理,设置 VGS1 = 4.5V,VGS2 = 0V,VS2S1 = 4.5V,IS2S1 = 6A,记录下测试的 VFSS2。按下图连接测试电路,设置 IS = 6A,分别测试 VGS 等于 4.5V、4.0V、3.8V、3.1V、2.5V 时,S1 与 S2 两端的电压 VS1S2,RSS(on) = VS1S2 / 6A。同时,按下图连接测试电路,设置 VGS = 0V,VSS2 从 0V
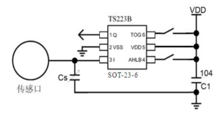
•应用领域•适用于小家电、电子玩具、智能物联网等各种触控产品方案。•功能介绍•单键电容式触控芯片TS223B具有功耗低、触控灵敏度高、抗干扰能力强等众多优势,输出方式包括直接输出、电平翻转输出,并且输出的初始状态可以配置,能灵活满足多种应用于场合•基本特性••引脚信息•TS223B采用SOT23-6的封装,使得体积很小,更适合于单键触控产品的应用场合。其各引脚功能如下:•参考设计•

D358是由两个独立的高增益运算放大器组成。可以是单电源工作,也可以是双电源工作,电源的功耗电流与电源电压大小无关。应用范围包括音频放大器、工业控制、DC增益部件和所有常规运算放大电路。● 封装形式: DIP8、SOP8。● 可单电源或双电源工作。● 包含两个运算放大器。

•应用领域•适用于小家电、电子玩具、智能物联网等各种触控产品方案。•功能介绍•单键电容式触控芯片TS223B具有功耗低、触控灵敏度高、抗干扰能力强等众多优势,输出方式包括直接输出、电平翻转输出,并且输出的初始状态可以配置,能灵活满足多种应用于场合•基本特性••引脚信息•TS223B采用SOT23-6的封装,使得体积很小,更适合于单键触控产品的应用场合。其各引脚功能如下:•参考设计•

指纹识别速度快,BOM成本低,非常适合挂锁、内门锁、箱包锁、箱柜锁等场景。• 主控+算法单芯片:ACH512或ACM32FP4。• 完整成熟方案,客户可直接生产,不用做任何开发。• 传感器分辨率:88*112点阵(推荐)• 待机电流(手指检测):10uA。• 工作电流(指纹采集):50mA。• 指纹识别速度:平均0.8秒。• 指纹库大小:30枚指纹。

GC6150是双通道5V低压步进电机驱动器,具有低噪声、低振动的特点,特别适用于相机变焦对焦系统、万向架、摇头机等精度、低噪声STM控制系统,该芯片为每个通道集成了一个256微步的驱动器。通过SPI & T2C接口,客户可以方使地调整驱动程序的参数。内置在2个通道的STM驱动程序。针对STM的256u步驱动技术。给出驱动器电流最高可达0.TA。机器人医疗器械。内置的高速缓存寄存器的连续。内置1通道

线路滤波电容器是简单的电容滤波器,用于减少此类噪声源对设备的影响,从而提高设备的性能。这些是一些基本的滤波器类型,可以组合起来创建其他更复杂的滤波器,例如带通滤波器或陷波滤波器。对于 Y 电容器应用,金属化纸和薄膜电容器比陶瓷电容器更受欢迎,因为它们稳定、电容值更高且具有自愈特性,而且金属化电容器的故障模式倾向于开路,而陶瓷电容器的故障模式倾向于短路,这对用户来说可能更危险。线路滤波电容器用于许多

D6208 是一块单片双向马达驱动电路,它使用TTL电平的逻辑信号就能控制卡式录音机和其它电子设备中的双向马达。该电路由一个逻辑部分和一个功率输出部分组成。逻辑部分控制马达正、反转向及制动,功率输出部分根据逻辑控制能提供100mA(典型值)电流。● 噪声低 内设马达驱动功率晶体管(典型100mA)● 可施加制动,强制马达停止(输入A和B都为高电平)● 输入A和B都为低电平时,具有非常小的待机电流。

D211是 一 块 相 位 控 制 集 成 电 路 ,该 电 路 内 部 具 有 F-V转 换 接口 、 控 制 放 大 器 、 过 载 限 制 、 软 启 动 、 自 动 重 触 发 、 电 压 监 视 、电 压 电 流 同 步 等 功 能。主 要 应 用 于 电 动 工 具 中 马 达 转 速 的 控 制。

当有漏电信号产生时,零电流互感器(ZCT)检测到电信号,其次级线圈输出作为漏电保护器芯片的输入,漏电信号可以是直流、AC 型和 A 型(包括 0°、90°和 135°漏电信号)。芯片内部包含稳压电源、放大电路、比较器电路、延时电路、计数器电路、跳闸控制电路及跳闸驱动电路。芯片外围应用由脱扣线圈、压敏电阻、稳压二级管、二级管、电阻、电容等元器件组成。新能源充电桩(充电枪)、智能空开(智能微断开关)等








