
简介
该用户还未填写简介
擅长的技术栈
未填写擅长的技术栈
可提供的服务
暂无可提供的服务
探索EKF算法在机器人轨迹定位中的神奇魅力
EKF算法做机器人轨迹定位/跟踪的程序,与里程计算法进行对比,结果显示EKF算法定位/跟踪精度更高。纯里程计的误差为Ekf定位的误差为在机器人领域,轨迹定位和跟踪可是至关重要的任务。想象一下,机器人要是连自己在哪、要往哪走都搞不清楚,那还怎么好好工作呢?今天咱就来聊聊EKF(扩展卡尔曼滤波)算法在机器人轨迹定位和跟踪里的表现,并且和传统的里程计算法做个对比。

玩转FactoryIO十字机械手仿真
特别适合刚入门的新手研究——没有复杂的FB块,全是直观的梯形图,改个参数就能看到效果变化。使用简单的梯形图编写,逻辑清晰,通俗易懂,写有详细注释,起到抛砖引玉的作用,比较适合有动手能力的入门初学者。使用简单的梯形图编写,逻辑清晰,通俗易懂,写有详细注释,起到抛砖引玉的作用,比较适合有动手能力的入门初学者。加工中心的机器人不是真正的机器人,是仿真软件的一个部件,通过简单的IO控制,机器人执行固定的动

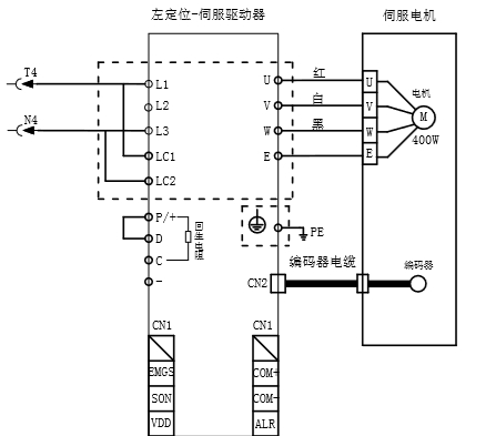
三菱FX5U伺服机器人程序开发指南
工具栏:提供常用的拖放工具(如比较、循环、条件分支等)。编辑窗口:用于编写程序流程图。变量窗口:用于定义和管理变量。通信配置窗口:配置伺服驱动器和通信模块的通信参数。通过以上步骤,可以完成三菱FX5U伺服机器人程序的编写、威纶通触摸屏程序的分析、IO表的配置、材料清单和电气图的查看,以及EPLAN电气方案的设计。三菱FX5U的结构化编程环境和EPLAN设计工具为复杂的工业自动化控制提供了强大的支持

到底了







