
简介
该用户还未填写简介
擅长的技术栈
可提供的服务
暂无可提供的服务
CA法模拟动态再结晶,晶粒正常长大,利用元胞自动机生成拓扑晶粒模型,参数可调。元胞胞自动机模拟动态再结晶母相晶粒生成。本程序基于曲率驱动机制以及热激活机制,matlab编写,本程序模拟奥氏体晶粒正常长大过程。程序均有注释,仅作学习交流使用这段程序主要是用于生成晶粒取向随机分布的均匀化晶粒组织。程序的主要流程如下:1. 用户输入元胞空间大小(Nx和Ny)、形核点数目(numnucl)和随机数种子(m

通过这次对Comsol螺旋光纤模式分析的探索,我不仅学习了如何利用仿真软件进行光纤模式分析,还对螺旋光纤的工作原理有了更为深入的认识。虽然过程中遇到了许多挑战,但通过不断学习和实践,我逐渐克服了困难,取得了初步的成果。对于今后的工作,我计划进一步优化我的光纤模型,引入更多的物理效应,如偏振色散和非线性效应,以更全面地分析螺旋光纤的性能。同时,我也希望能够在未来的实践中,将理论分析与实验验证相结合,

在永磁同步电机控制中,BP神经网络根据转速与给定值的误差,自动调整速度环PI的参数,以实现更优的控制效果。基于BP神经网络PI的永磁同步电机控制是一种先进的电机控制技术,其核心在于利用BP神经网络对永磁同步电机的速度环PI进行动态调整,从而增强控制的抗干扰性。BP神经网络采用梯度下降法寻优,调整依据为转速与给定值的误差,可根据实际情况,调整转速环PI,以达更优的控制效果。BP神经网络采用梯度下降法

基于Matlab/simulink的增程式混合动力汽车建模仿真模型(增程纯电,与日产的e-power整车配置策略类似),包含增程器模型、电机模型、电池模型,驾驶员模型,整车VCU控制模型等基于模型的整车策略开发思路、整车模型搭建流程模型明确清晰,相当于手把手教学,新能源混动控制建模方面相关需求人才,教你玩转基于simulink的混动汽车建模开发流程——此模型提供工况数据、仿真数据,发动机,电机等整

四矢量 SVPWM 算法通过选择合适的四个基本电压矢量来合成期望的电压矢量。它的核心思想是利用空间矢量的概念,将逆变器的开关状态与空间中的电压矢量对应起来,通过合理地选择和组合这些矢量,使得逆变器输出的电压波形尽可能接近正弦波。该算法通过对六相系统进行解耦处理,将其分解为三个独立的三相子系统。这样,就可以分别对每个三相子系统进行 PWM 控制,从而提高系统的控制性能和稳定性。该算法通过在三相调制波

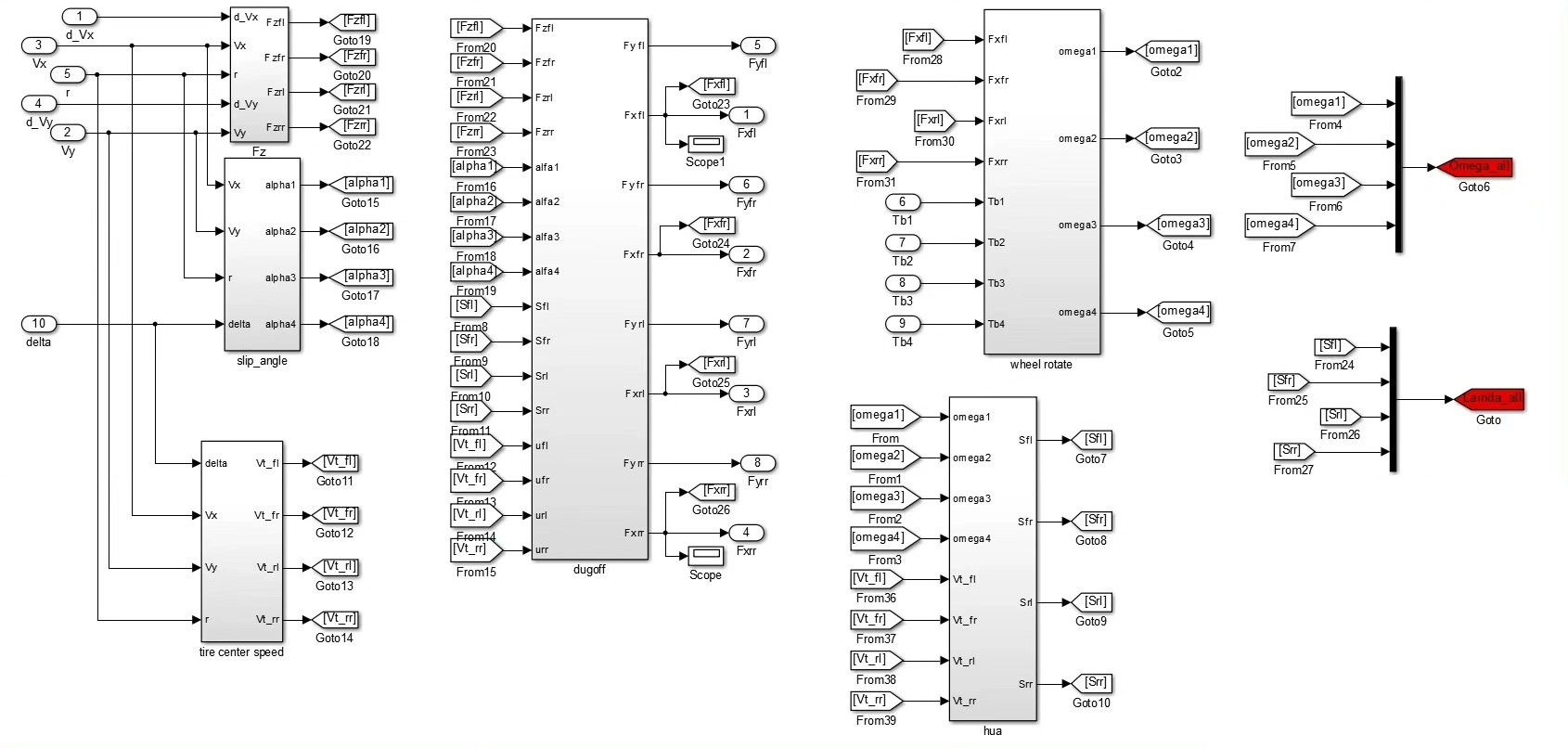
分布式驱动电动汽车复合制动控制策略,建立七自由度整车模型、魔术轮胎模型、电机模型、电池模型,研究上下层机电复合控制策略在电动汽车发展的浪潮中,制动控制策略对于车辆的安全性、能量回收效率以及整体性能起着关键作用。今天咱们就来聊聊分布式驱动电动汽车复合制动控制策略,这里面涉及到一系列模型的建立以及上下层机电复合控制策略的研究。

我们这次的目标是对 PMSM 永磁同步发电机进行仿真,采用三电平(NPC)的矢量控制方式,并且在控制策略上使用电压外环和电流内环的双闭环控制。值得一提的是,三电平 NPC 逆变器以及 SVPWM(空间矢量脉宽调制)这两个关键模块,我们可以直接使用 PLECS 自带的模块,这样能大大节省开发时间。

配电网 最优潮流二阶锥最优潮流模型,用于解决配电网规划(DNP)问题。数学优化模型,旨在找到基于给定参数和约束条件的最优配电网规划解决方案。SOCPR方法用于处理问题中的非凸性,从而更容易找到大规模配电网的近似最优解。解决问题:1.在给定的配电网拓扑结构和负荷情况下,如何在网络中放置电容器,以实现最优的功率分配和最小化系统的功率损耗。2. 配电网规划是确定配电网的最佳配置和扩展,以有效满足负载需求

混动软件P1P3开发原理解析说明1.混动架构:P1P3架构2.软件功能:驱动控制,能量回收,能量管理,混动模式控制,发动机启停管理,串并联切换控制,上下电控制,故障诊断及处理3.可以按照需求提供全部软件开发,也可以按照功能提供单个软件功能开发4.软件功能策略经过实车验证5.开发流程符合V模型,可以提供从系统需求到整车验证整个验证在混动汽车领域,P1P3架构正逐渐崭露头角。今天咱就来深入剖析一下基于

热力图可视化、特征图可视化、gradcam图像分类模型 vgg resnet densenet mobilenet数据集cifar10mini-imagenet不同网络结构可视化结果(子图请点击放大后在看,缩略图看不到全貌)只限pytorch代码在深度学习领域,理解模型如何做出决策至关重要。图像分类模型如VGG、ResNet、DenseNet和MobileNet在CIFAR - 10和Mini -








