
简介
该用户还未填写简介
擅长的技术栈
可提供的服务
暂无可提供的服务
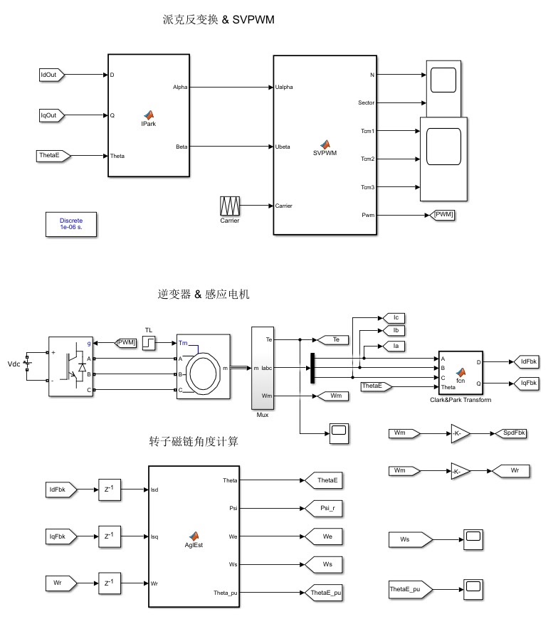
模型内主要包含DC直流电压源、三相逆变器、感应(异步)电机、采样模块、SVPWM、Clark、Park、Ipark、采用一阶线性自抗扰控制器的速度环和电流环等模块,其中,SVPWM、Clark、Park、Ipark、线性自抗扰控制器模块采用Matlab funtion编写,其与C语言编程较为接近,容易进行实物移植。在转速环中,由于自抗扰控制器无积分环节,因此无积分饱和现象,无需抗积分饱和算法,转速

不过训练耗时是真肝,i7跑了一晚上才收敛,显卡风扇狂转像要起飞。在matlab上进行基于深度强化学习算法自适应调节PID参数的控制,实现一级倒立摆的起摆和平衡,可出单独pid控制的对比图,使用强化学习工具箱搭建。在matlab上进行基于深度强化学习算法自适应调节PID参数的控制,实现一级倒立摆的起摆和平衡,可出单独pid控制的对比图,使用强化学习工具箱搭建。结果就像喝醉的鸭子(图1蓝线),虽然勉强

伺服系统永磁同步电机矢量控制调速系统在线转动惯量辨识Matlab仿真1.模型简介模型为永磁同步电机伺服控制仿真,采用Matlab R2018a/Simulink搭建。模型内主要包含使用matlab function编写的永磁同步电机模型代码和基于遗忘最小二乘法的转动惯量在线辨识算法代码、速度环、电流环等模块,Matlab funtion编写的代码,与C语言编程较为接近,容易进行实物移植。模型均采用

基于SMO滑模观测器的轮胎力估计方法真的太好用啦!省去轮胎模型,避免了很多麻烦,还提高了估计精度。以后搞轮胎力估计仿真,就它啦!通过这次仿真,深刻体会到技术的不断进步带来的便利。传统方法的局限在新方法面前变得不值一提。期待以后能在这个基础上继续优化,让轮胎力估计更加准确和可靠。使用Carsim和Simulink联合进行仿真,通过滑模观测器(SMO)估计轮胎的纵向力和侧向力。该方法在双移线工况下测试

最后唠叨句:参数辨识前务必确认编码器零点,别像去年那样十几个电机参数集体跑偏,最后发现是工装夹具上的磁铁装反了...代码里那个0.707可不是瞎编,是三相两相变换的矢量投影系数,实测比直接除以√3更准。注意那个相位差计算,产线版本里用了改进的过零检测法,比FFT省了70%的算力。有个坑得提醒:测试频率别选在机械共振点附近,别问为什么,上次车间测试台跳舞的场景还历历在目。,玩过电机自学习的都知道,这

这个模型里的“家伙事儿”还挺多,主要有DC直流电压源、三相逆变器、永磁同步电机、采样模块、SVPWM、Clark、Park、Ipark,还有采用一阶线性自抗扰控制器的速度环和电流环等模块。这里面的SVPWM、Clark、Park、Ipark以及线性自抗扰控制器模块,都是用Matlab function编写的,这就有意思了,为啥呢?因为它和C语言编程很接近,以后要是想搞实物移植,那可就方便多啦。而且

风光储、风光储并网直流微电网simulink仿真模型。系统由光伏发电系统、风力发电系统、混合储能系统(可单独储能系统)、逆变器VSR+大电网构成。光伏系统采用扰动观察法实现mppt控制,经过boost电路并入母线;风机采用最佳叶尖速比实现mppt控制,风力发电系统中pmsg采用零d轴控制实现功率输出,通过三相电压型pwm变换器整流并入母线;

测试双移线时,25m/s下横向误差能压在0.3米以内(轮胎还没到非线性区),但超过27m/s后后轮开始侧滑,这时候RMPC的鲁棒性就体现出来了——自动降速到15m/s维持稳定。线性参变(LPV)+鲁棒模型预测控制(RMPC)+路径跟踪(PTC),目前能实现20-25m/s的变速单移线和10-15m/s的变速双移线。线性参变(LPV)+鲁棒模型预测控制(RMPC)+路径跟踪(PTC),目前能实现20

mpc模型预测控制从原理到代码实现mpc模型预测控制详细原理推导matlab和c++两种编程实现四个实际控制工程案例:双积分控制系统倒立摆控制系统车辆运动学跟踪控制系统车辆动力学跟踪控制系统包含上述所有的文档和代码。模型预测控制(Model Predictive Control, MPC)是一种先进的控制策略,它通过求解有限时域内的最优控制问题来实现系统的控制目标。本文基于MATLAB实现的多个M

AGV全覆盖移动避障路径规划matlab代码扫地机器人路径规划第一类算法 全覆盖智能算法%% 基于深度优先搜索算法的路径规划—扫地机器人移动仿真% 返回深度优先搜索实现全覆盖的运行次数% 将栅格模型的每一个栅格看成一个点% 实际中栅格模型是连续的,在计算机处理时看作离散的% 将栅格模型抽象为标识矩阵,矩阵对应位置的标记表示栅格对应位置的状态第二对比算法%% 随机碰撞的路径规划—扫地机器人移动仿真%








