
简介
该用户还未填写简介
擅长的技术栈
可提供的服务
暂无可提供的服务
不过要注意,这种玩法比较吃算力,100个种群跑50代大概要半小时,建议用parfor加速循环。注意这里用的是最原始的三层结构,输入层8节点,隐藏层10节点,输出层1节点。直方图对比能清晰看出,GA优化后的参数集中在-0.5到0.5区间,不像初始参数那样分散在[-2,2],说明算法确实找到了更稳定的参数组合。GA-BP采用遗传算法优化BP神经网络,注意这个优化的不是超参数,而是网络内部的权重和偏置参

最近在研究高精地图解析的时候发现个有意思的现象——Lanelet2和OpenDRIVE这两大格式的拥护者总爱互相较劲,像极了当年蓝光与HD-DVD的标准之争。更绝的是交通灯绑定——必须把红绿灯的stop线精确关联到对应车道,差半个像素都可能导致路口急刹。Lanelet2高精地图解析及全局路径规划, Lanelet2格式的高精地图是与opendrive高精地图并行的当前两大最流行的高精地图格式。因此

人工势场法通过模拟引力和斥力,能够有效规划避障路径。在Matlab中实现该算法,可以直观地观察路径规划过程。通过改进势场函数和平滑处理,可以进一步提高算法的性能。这种方法在工业机器人路径规划中具有广泛的应用价值。路径规划人工势场法以及改进人工势场法matlab代码,包含了。

本文介绍了一款基于51单片机的智能扫地小车系统,该系统集成了自动寻迹、障碍物避障和清洁功能。通过超声波传感器检测前方障碍物,红外传感器实现路径跟踪,配合电机驱动模块完成自主导航与清洁任务。系统采用模块化设计,具有良好的可扩展性和稳定性。

本文档旨在详细说明一个基于列约束生成法(Column-and-Constraint Generation, CCG)的两阶段鲁棒优化问题求解器的实现逻辑与功能架构。该实现以经典文献为基础,采用 MATLAB 语言结合 YALMIP 建模工具包构建,适用于处理具有不确定参数的两阶段决策问题。其核心思想是通过迭代主问题(Master Problem, MP)与子问题(Subproblem, SP)之间

欧姆龙NJ501-1300,威伦通触摸屏,分布式总线控制,ID262.OD2663等输入输出IO模块,MAD模拟量模块。欧姆龙NJ501-1300,威伦通触摸屏,分布式总线控制,ID262.OD2663等输入输出IO模块,MAD模拟量模块。欧姆龙R88D-1S总线伺服,汇川机器人TCP/IP网络通信控制,CCD视觉位置控制,AD压力模拟量控制。欧姆龙R88D-1S总线伺服,汇川机器人TCP/IP网

通过上面的代码示例,大家应该能很清晰地看到如何用遗传算法优化 SVM 的c和g参数来解决分类问题啦。如果是回归问题,只需要把svmtrain和svmpredict函数换成回归版本的函数,同时调整适应度函数,比如可以用均方误差(MSE)等回归评估指标作为适应度。只要按照这个框架,把数据换成你自己的,就能轻松上手解决实际的分类或回归预测问题。希望大家都能在自己的项目里用上这个方法,提升模型性能。遗传算

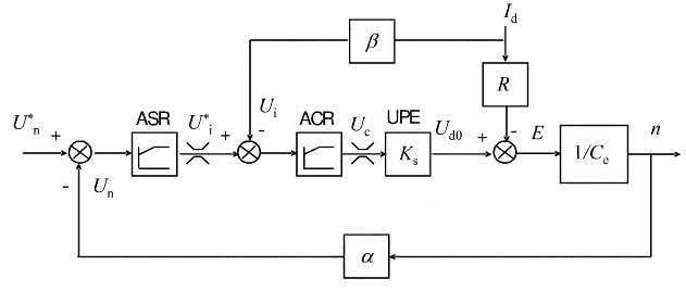
直流电机转速电流双闭环调速系统 晶闸管控制 simulink仿真(1)该模型采用 matlab/simulink 2016b 版本搭建,使用matlab 2016b及以上版本打开最佳。(2)该模型已经代为转换到各个常用版本。【算法介绍】(1)模型由三相电源(电网)、同步6脉冲发生器、双闭环控制模块、直流电机、负载转矩、测量模块等构成;(2)直流电机由晶闸管整流桥驱动;固定励磁;(3)转速外环ASR

相比传统的ReadProcessMemory,这种方式不会在用户层留下任何调用记录,反作弊系统很难通过API监控发现异常。比如直接通过驱动层绕开常规的内存保护机制,配合云端动态下发内存特征码,实现客户端无痕读写。这样同一批用户的内存读写特征完全不同,批量检测直接失效。某次实际测试中,20个客户端产生的内存访问模式差异率达到97%,传统特征匹配基本瘫痪。我们给每个客户端生成唯一的特征标识符,通过HT

程序中使用了一些函数和数据文件,例如dataIn函数用于读取数据文件,formACY函数用于形成交流系统节点导纳矩阵,NR_main函数用于进行潮流计算,NcalGCum函数用于计算发电机的八阶半不变量,NcalPLCum函数用于计算负荷的八阶半不变量,ProbCMGC函数用于计算电压越限概率(基于CMGC方法),ProbMC函数用于计算电压越限概率(基于Monte Carlo模拟方法),Prob








