
简介
该用户还未填写简介
擅长的技术栈
可提供的服务
暂无可提供的服务
本系统实现了一个基于非线性模型预测控制(NMPC)的智能车辆轨迹跟踪与避障控制算法。该系统能够使车辆在复杂环境中沿着预设路径行驶,同时动态避开障碍物,并保持稳定的运动性能。系统采用ACADO工具箱进行优化求解,结合车辆运动学模型,实现了高效实时的控制决策。

MISSA-BP 分类预测模型是一款融合改进麻雀搜索算法(Modified Improved Sparrow Search Algorithm, MISSA)与反向传播(Back Propagation, BP)神经网络的智能分类工具。该模型通过 MISSA 算法优化 BP 神经网络的初始权值与阈值参数,有效解决了传统 BP 神经网络易陷入局部最优、收敛速度慢等问题,显著提升了分类预测的准确性与稳

本MATLAB代码集实现了一个完整的曲柄滑块机构多体动力学仿真系统,采用Newmark-β数值积分方法求解系统的动力学响应。系统特别包含了含间隙铰链的接触力模型和速度相关摩擦模型,能够模拟真实机械系统中存在的间隙和摩擦效应。

物联网业务本身并不复杂:设备上线 → 上报数据 → 触发规则 → 执行动作。分页、缓存、权限、多数据源、Excel、MQTT、XSS、防重、日志……每开一个新项目都要复制一遍,BUG 也随之复制。KSoft 把上述能力沉淀到,并全部开源无加密。本文不再重复“功能列表”,而是一行一行把代码读给你听类签名为什么这么写?字段为什么加transient?哪一行隐藏了性能陷阱?哪一行做了物联网场景的特殊补偿

本程序包提供了一套完整的滚动轴承动力学仿真工具,包含刚性保持架和柔性保持架两种模型。程序基于MATLAB环境开发,采用四阶龙格-库塔数值积分方法求解轴承系统的动力学响应。

主要内容:该程序主要方法复现《含高比例可再生能源配电网灵活资源双层优化配置》运行-规划联合双层配置模型,上层为光伏、储能选址定容模型,即优化配置,下层考虑弃光和储能出力,即优化调度,模型以IEEE33节点为例,采用粒子群算法求解,下层模型为运行成本和电压偏移量的多目标模型,并采用多目标粒子群算法得到pareto前沿解集,从中选择最佳结果带入到上层模型,最终实现上下层模型的各自求解和整个模型迭代优化

2)在下一个时间步,基于更新的输入参数(包括实时价格(RTP),新近预测的环境温度,更新的未来风能输出,前一步生成的数据Tr等),使用MILP模型优化成本函数,并为下一个控制窗口生成一组新的参数。2)在下一个时间步,基于更新的输入参数(包括实时价格(RTP),新近预测的环境温度,更新的未来风能输出,前一步生成的数据Tr等),使用MILP模型优化成本函数,并为下一个控制窗口生成一组新的参数。滚动优化

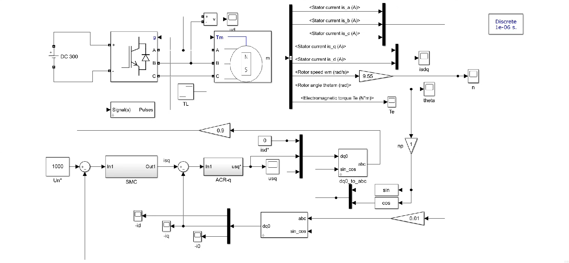
永磁同步电机的控制算法仿真模型:1. 永磁同步电机的MRAS无传感器矢量控制:2. 永磁同步电机的SMO无传感器矢量控制(反正切+锁相环);3. 永磁同步电机DTC直接转矩控制;4. 永磁同步电机的有传感器矢量控制;5. 永磁同步电机的位置控制;6. 永磁同步电机的模型预测控制;7. 永磁同步电机的高频注入;8. 永磁同步电机的自抗扰控制;9. 永磁同步电机的EKF扩展卡尔曼滤波无传感器矢量控制;

滑模相关(是一个大文件夹)1.永磁电机的滑模观测器Simulink模型2.永磁同步电机趋近律滑膜控制NSMC3.MATLAB四旋翼仿真滑模控制 simulink5.传统滑模控制器设计6.分散滑模负载频率控制的MATLAB 仿真滑模控制7.超螺旋滑模控制器8.基于模糊滑模控制的开关磁阻电机控制模型9.Matlab Simulin...使用不同控制算法(LQR、滑模控制器、积分器反步控制器)的姿态确定

通过上面的代码,我们用SVC解决了鸢尾花数据集的多分类问题,并且使用SHAP对模型的预测进行了解释分析。这样我们不仅能得到模型的分类结果,还能知道模型是根据哪些特征做出的决策。这在实际应用中非常有用,比如在医疗诊断、金融风险评估等领域,我们需要知道模型为什么会给出某个结果,以便更好地做出决策。希望这篇文章能帮助你理解SVC - SHAP在多分类问题中的应用,赶紧动手试试吧!








