
简介
该用户还未填写简介
擅长的技术栈
可提供的服务
暂无可提供的服务
本文介绍了一种基于STM32的智能按摩椅控制系统设计方案。该系统通过STM32主控模块结合姿态传感器、心率检测、语音识别等模块,实现座椅位置调节、按摩模式切换、加热通风等功能。设计包含硬件电路和手机APP控制,支持蓝牙连接、语音操作和用户偏好记忆。系统具有防盗报警和防摔倒功能,当倾斜角度过大时自动报警并调整。该智能按摩椅可为长途客车乘客提供个性化舒适体验,提升客运服务质量。设计资料包括原理图、说明

本文介绍了一种基于STC89C52单片机的语音控制小车系统设计方案。系统采用凌阳SPCE061A作为核心控制器,结合超声波避障模块和电机驱动模块,实现了语音识别、语音播报和智能避障等功能。该设计充分发挥了SPCE061A芯片的语音处理优势,硬件结构简单但功能全面,运行稳定可靠。系统可应用于智能家居、无人车等声控场景,具有较强的实用性和拓展性。作者作为电类领域专家,还提供了毕业设计指导、技术咨询等多

本文设计了一款基于STM32F103C8T6的智能蓝牙音箱系统,集成了蓝牙通信、语音识别和OLED显示功能。系统采用BT201蓝牙功放模块实现无线音频传输,通过LD3320芯片实现语音控制,支持SD卡播放模式和按键操作。创新性地加入了频谱灯模块,能随音乐节奏闪烁。该系统摆脱了传统有线连接方式,测试表明各项功能均达到设计要求,既满足日常使用需求,也适合音乐爱好者。作者作为资深电类专家,提供从设计到答

本文基于STC89C52/AT89C51单片机设计了一套智能家居控制系统,集成了温度、烟雾和红外监测功能。系统通过MQ-2、DS18B20等传感器采集环境数据,经A/D转换后实现报警和自动控制功能,适用于家庭、办公室等场景。作者作为电类领域专家,提供从设计指导到论文辅导的全流程服务,包括开题报告、代码实现、论文降重及答辩辅导。系统经过仿真测试运行正常,具有实用价值。文末附有设计资料下载链接,为相关

本文设计了一款基于STC89C52RC单片机的四足仿生机器人系统。系统采用3D打印框架结构,以SG90舵机作为关节驱动器,通过PCA9685模块控制实现前进、后退、转向等功能。机器人配备红外传感模块实现自动避障,并通过蓝牙模块与手机连接进行远程控制。系统包含主控、通信、检测和驱动等模块,采用四足步态算法实现稳定行走。该机器人可应用于火灾、矿井等危险环境下的侦察和救援工作,具有较好的实用价值。

本文介绍了一种基于STC89C52单片机的花式喷泉控制系统设计。系统通过单片机编程控制喷泉图案变化,灯光颜色和亮度随音乐信号变化。文章包含系统设计要求、原理图、主程序框图及"看门狗"子程序等核心内容,重点阐述了喷嘴工作参数确定原理和输出地址分析方法。作者作为电类领域专家,提供毕业设计全流程指导服务,包括系统设计、代码编写、论文辅导等,并分享了相关技术资料。该系统实现了喷泉水姿与

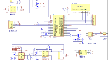
摘要:本文设计了一款基于STC89C52单片机的嵌入式睡眠监测系统,可实时检测用户心率、体温及翻身次数。系统采用8052内核单片机作为主控,搭配LCD1602显示屏,通过ADC0832模数转换器获取心率数据,DS18B20温度传感器采集体温,ADXL345传感器监测翻身动作。该方案解决了传统数码管显示信息量不足的问题,具有成本低、功能实用等特点,帮助用户了解睡眠质量,预防因失眠引发的健康问题。系统








