
简介
该用户还未填写简介
擅长的技术栈
可提供的服务
暂无可提供的服务
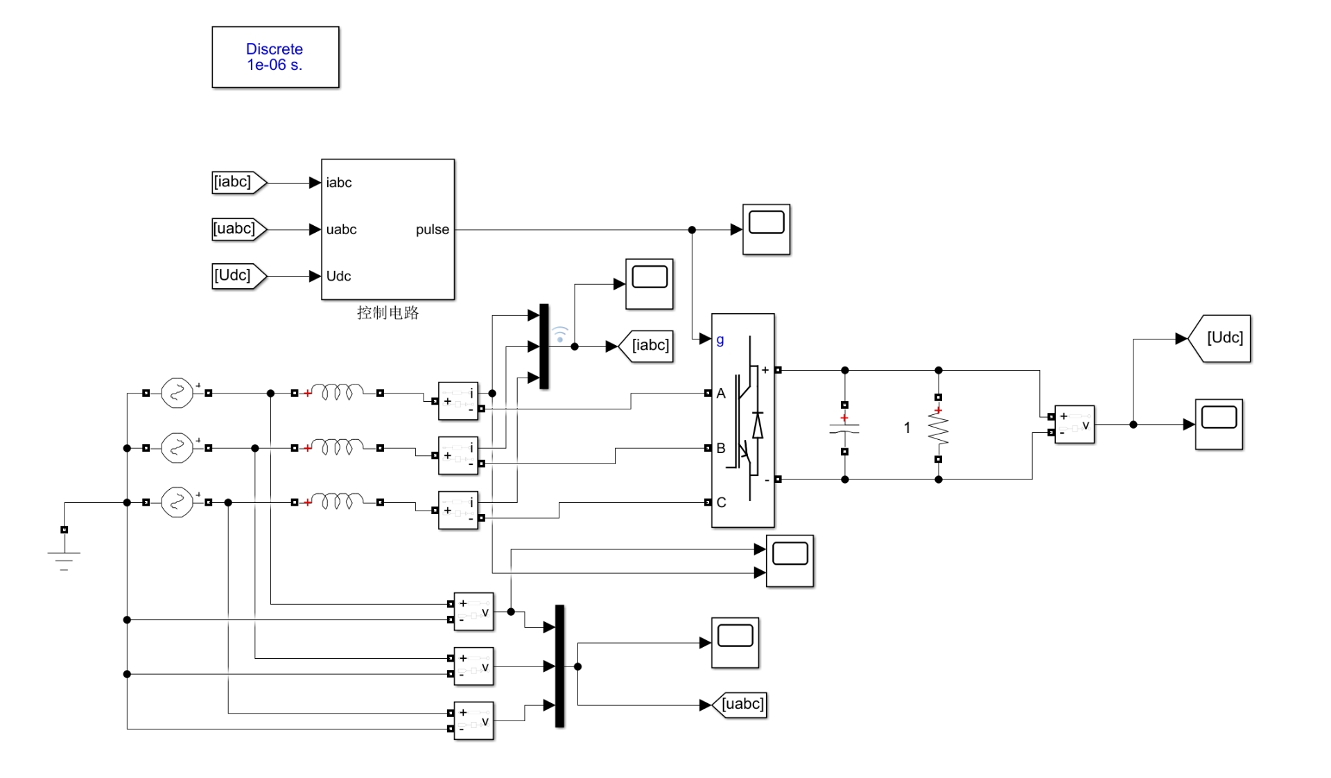
先上硬货——模型架构核心是三相两电平拓扑,交流侧接220V/50Hz,直流母线目标760V。包括基于开关表的直接功率控制,滞环电流控制,有限集模型预测直接功率控制,有限集模型预测电流控制,均为输入三相对称交流电,220V/50Hz,直流侧输出760V,且直流输出电压可调。包括基于开关表的直接功率控制,滞环电流控制,有限集模型预测直接功率控制,有限集模型预测电流控制,均为输入三相对称交流电,220V

领导层(主博弈方)每天最重要的工作就是调整收购电价λ,这个数值直接决定了楼下那排光伏板业主(从博弈方)愿不愿意把自家屋顶发的电卖给电网。拆开博弈前后的收益对比表,发现三号产消者虽然发电成本最高,却通过精准的发电策略实现了28%的利润增幅。凌晨三点的仿真画面突然弹出一组平滑收敛曲线,我盯着屏幕里跳动的粒子群参数,终于逮住了那个藏了三天的纳什均衡点。这些代码不仅复现了文献中的数学模型,更揭示了电力市场

这次接了个四轴码垛机的项目,三个松下A6伺服加一个雷赛步进,整套程序里比较有意思的是不同定位模式的混搭应用。原点回归直接用了三菱的DSZR指令,这玩意儿带DOG搜索和零点信号双重检测,比普通ZRN稳当不少。接线方面,松下伺服的CN1端口接法要特别注意,三菱的差分输出得接成集电极方式。整套图纸用Eplan出的,把伺服参数配置直接标注在线号旁边,现场调试省事不少。伺服轴的手动程序结构类似,区别在于需要

功能:学到:丝杆实际行走的距离转化成工程量脉冲个数的程序编写计算,fx1sPLC没有浮点数运算指令可以通过触摸屏和PLC程序处理同样可以实现浮点数功能,原点回归ZRN指令在上限位和下限位时程序处理编写,加减速时间设定,最大速度设置,手动调试程序,自动3段变速位置运行加自动原点回归程序,实时位置显示,报警程序等。本次三菱PLC项目案例学习,通过PLC编程控制伺服电机或步进电机带动丝杆滑台实现同步运动

这套方案在电力负荷预测项目中实测效果不错,相比传统BP网络,RMSE指标降低了约18%。这玩意儿在特征提取方面确实有独到之处,今天咱们就手把手用Matlab整一套数据回归预测的实战方案。先打个预防针——DBN的训练过程比较吃算力,建议准备好咖啡和耐心。(代码示例中的dbnsetup、dbnunfoldtonn等函数需配合Matlab的深度学习工具箱使用,建议2018b及以上版本运行。注意第三个参数

MPC_ACC_2020-master 具有设定点收敛保证的四旋翼飞机的模型预测跟踪控制器matlab在飞行器控制领域,四旋翼飞机的精准控制一直是个热门话题。今天咱们就来聊聊“MPCACC2020-master”,这个具有设定点收敛保证的四旋翼飞机的模型预测跟踪控制器,并且是基于 Matlab 实现的哦。

今天咱们用MATLAB手撸一个二阶Volterra模型的LMS自适应算法,顺带分析不同参数对收敛的影响。先上代码,边看边聊。构建一个Volterra系统模型二阶系统,我们将实现LMS算法到这样一个模型,称为非线性Volterra模型。构建一个Volterra系统模型二阶系统,我们将实现LMS算法到这样一个模型,称为非线性Volterra模型。% % 4.采用不同收敛因子进行仿真,观察不同因子参数对

文献里的80%效率看着唬人,实测时必须同时监控透射场和反射场。案例包括fdtd模型、fdtd设计脚本、GS算法的Matlab计算代码和结果,以及一份word教程,MIM结构仿真结果与文献完全一致,可以用于其他功能超表面的设计;案例内容:主要包括金Au纳米天线单元结构仿真、几何相位计算,转换效率计算,画图脚本,Gs算法设计全息相位,超表面全息仿真模型及脚本计算等。案例内容:主要包括金Au纳米天线单元

跑完仿真后提取相位响应,发现当柱直径从100nm变到180nm时,反射相位能覆盖近300度的变化范围。介绍:MIM金Au-MgF2-金Au结构 纳米天线 磁偶极子共振模式,具有超高效率,纳米柱由共振相位设计,梯度相位分布实现光束偏折功能;案例包括fdtd模型、fdtd设计脚本、fdtd画图脚本,复现结果,以及一份word教程,MIM结构仿真,可以用于其他功能超表面的设计;介绍:MIM金Au-MgF

MATLAB代码:三相不平衡潮流计算本程序采用前推回代法,考虑三相不平衡和互阻抗,可通过改变三相负荷和线路参数构建三相不平衡模型,可以输出网损,可以输出三项电压,可以输出每一条项功率。程序有注释,有参考文档。此代码可以用于计算潮流,可以后期用于DRL,粒子群等。在电力系统分析领域,三相不平衡潮流计算是一项关键任务,它能帮助我们更好地理解系统的运行状态。今天,就来分享一下基于MATLAB实现的三相不








