
简介
该用户还未填写简介
擅长的技术栈
可提供的服务
暂无可提供的服务
自抗扰顺序模型预测PWM整流器控制matlab仿真,算法用.m文件编写配套论文及理论推导公式和参数在电力电子领域,PWM整流器的控制一直是研究热点。今天咱就来唠唠自抗扰顺序模型预测(ADRC - SMPC)对PWM整流器控制的Matlab仿真实现,这其中算法是用.m文件编写的,还得结合配套论文及理论推导公式和参数。

基于扩展卡尔曼滤波EKF的车辆状态估计估计的状态包括:1. 车辆的横纵向位置2.车辆行驶轨迹、横摆角、3. 车速、加速度、横摆角速度4. 相应的估计偏差。内容附带:Simulink模型与MATLAB代马,以及参考文档。在车辆动力学研究和自动驾驶等领域,准确估计车辆状态至关重要。今天咱就唠唠基于扩展卡尔曼滤波(EKF)的车辆状态估计这事儿,要估计的状态可丰富了,包括车辆的横纵向位置、行驶轨迹、横摆角

起重机吊摆系统动力学分析,拉格朗日分析原理动力学方程建模matlab代码动起重机线性动力学模型,与论文复现结果完全一致,。在起重机的实际操作中,吊摆现象是一个不容忽视的关键问题。它不仅影响起重机工作效率,还关乎作业安全。今天咱就来深入探讨起重机吊摆系统的动力学分析,并且通过Matlab代码实现基于拉格朗日分析原理的动力学方程建模,看看如何与论文复现结果完美契合。

statcom静止同步补偿器与SVC静止无功补偿器simulink仿真模型①对于无功调压下垂特性,搭建了两种补偿器来进行比对看图的效果在电力系统的无功补偿领域,Statcom(静止同步补偿器)和SVC(静止无功补偿器)是两种重要的装置。今天咱们就通过Simulink仿真模型,来对比分析它们在无功调压下垂特性方面的表现。

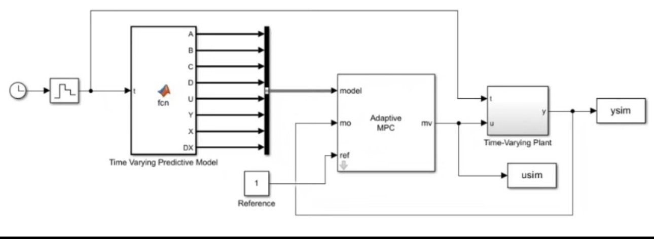
我们处理的是单入单出的线性时变系统,通过传递函数来描述。这种系统与传统线性时不变系统不同,其参数会随着时间变化,这给控制带来了新的挑战,但同时也提供了适应动态环境的能力。

1020-(顶刊复现)配电网两阶段鲁棒故障恢复(matlab实现)参考资料为:《Robust Restoration Method for Active Distribution Networks》复现自中科院一区期刊IEEE Transactions on Power Systems使用matlab+yalmip+gurobi进行求解代码逻辑清晰,注释详细本文提出了一种具有两阶段目标的可调鲁棒恢

Comsol锂离子电池仿真comsol方形锂电池电化学—热耦合模型充放电循环热仿真Comsol软件锂电池液冷仿真,电池热管理模型,流热耦合多物理场分析Comsol锂电池产热模型 充放电模型 电池热管理模型 风冷 液冷 流热耦合多物理场分析 刀片电池 方形电芯在当今电动汽车和便携式电子设备飞速发展的时代,锂离子电池作为核心能源,其性能与安全性至关重要。而Comsol这款强大的多物理场仿真软件,为我们

基于非奇异终端滑模控制的二自由度机械臂系统[1]理论说明文档:进行机械臂轨迹跟踪控制器理论设计说明[2]NTSMC控制:是通过引入非线性辅助项,将滑模控制器的终端项从奇异点(可能导致系统决策和切换问题)移动到非奇异点。这种改进使得系统的控制性能更加稳定可靠,提高了系统对参数变化和扰动的抑制能力。同时,NTSMC还可以通过设计合适的终端面和非线性辅助项,实现对机械臂系统的精确跟踪控制和高鲁棒性[3]

背靠背变换器,simulink仿真,标幺值控制参数,spwm调制1机侧变换器为PQ控制,网侧变换器为Udc-Q控制2额定线电压690V,2MW3直流电压可改变,如图所示展示了udc参考值突变时的电压波形4控制环参数均为标幺值,适用于大部分电路模型为r2022b版本在电力电子领域,背靠背变换器是一种极为重要的装置,它在很多应用场景中起到关键作用。今天咱就来唠唠背靠背变换器基于 Simulink 的仿

Heric拓扑并离网仿真模型(plecs)逆变器拓扑为:heric拓扑。仿真说明:1.离网时支持非单位功率因数负载。2.并网时支持功率因数调节。3.具有共模电流抑制能力(共模电压稳定在Udc/2)。此外,采用PR单环控制,具有sogipll锁相环,lcl滤波器。注:(V0004)Plecs版本4.7.3及以上最近在研究电力电子相关的内容,发现了 Heric 拓扑的并离网仿真模型挺有意思,和大家分享








