
简介
该用户还未填写简介
擅长的技术栈
可提供的服务
暂无可提供的服务
图2为一量测后的例子,一般量测时都会先用峰值量测,因峰值量测是最简单且快速的方法,量测仪器以9KHz为一单位,在150K~30MHz之间用保持最大值(maximum hold)的方式来得到传导的峰值读值,用此来确认电源的最大峰值然后再依此去抓最高峰值的实际QP,AV值来减少扫描时间,图2的蓝色曲线为准峰值的峰值量测结果,一般在峰值量测完后会再对较高的6个频率点做准峰值(QP)与平均值(AV)的量测

这个模型是根据人一段时间内的3D加速度数据,来判断人当前的行为,比如走路,跑步,上楼,下楼等,很符合Cortex-M系列MCU的应用场景。在STM32上验证神经网络模型(HAR人体活动识别),一般需要STM32F3/F4/L4/F7/L7系列高性能单片机,运行网络模型一般需要3MB以上的闪存空间,一般的单片机不支持这么大的空间,CUBEMX提供了一个压缩率的选项,可以选择合适的压缩率,实际是压缩神

已知参数:输入电压:12V — Vi输出电压:18V —Vo输出电流:1A — Io输出纹波:36mV — Vpp工作频率:100KHz — f。
DC-DC输出电压的计算,我相信每个硬件工程师都会计算,芯片规格书也会给出计算公式。但是,我们在选择反馈电阻时,有没有考虑过在比值相同的情况下,和取值到底是选大些的好还是小些的好,下面我针对这个问题探讨探讨。因此,当和值过大时,在整个反馈电流中的比重将增大,那么将导致电压降低,这样将影响输出电压的准确度。时,反馈电阻值的大小对效率影响较大,当负载电流较大时,其影响就很小了。时,输出电压和反馈电压开

在正常状况下,聚合树脂紧密地将导电粒子束缚在结晶状的结构外,构成链状导电电通路,此时的自恢复保险丝为低阻状态,线路上流经自恢复保险丝的电流所产生的热能小,不会改变晶体结构。当线路发生短路或过载时,流经自恢复保险丝的大电流,产生的热量使聚合树脂融化,体积迅速增长,形成高阻状态,工作电流迅速减小,从而对电路进行限制和保护。因此保护电路的作用与意义非常重要。共模电感便是利用电感的特性,只允许两个同相相反

对数电路改进基本对数电路缺点:运算精度受温度影响大;小信号时exp(VD/VT)与1差不多大,所以误差很大;二极管在电流较大时伏安特性与PN结伏安特性差别较大,所以运算只在较小的电流范围内误差较小。改进电路1:用三极管代替二极管电路在理想情况下可完全消除温度的影响改进电路3:实用对数电路。

当输出U0升高,经取样电阻R7、R8、R10、VR1分压后,U1脚电压升高,当其超过U1脚基准电压后U1脚输出高电平,使Q1导通,光耦OT1发光二极管发光,光电三极管导通,UC3842脚电位相应变低,从而改变U1脚输出占空比减小,U0降低。调节VR1可改变输出电压值。上图是常见的输出端限流保护电路,其工作原理简述如上图:当输出电流过大时,RS(锰铜丝)两端电压上升,U1脚电压高于脚基准电压,U1脚

在高压或低压输入下开机(包含轻载,重载,容性负载),输出短路,动态负载,高温等情况下,通过变压器(和开关管)的电流呈非线性增长,当出现此现象时,电流的峰值无法预知及控制,可能导致电流过应力和因此而产生的开关管过压而损坏。输入关掉时,5V输出将会下降,Vcc也跟着下降,IC停止工作,但是空载或轻载时,巨大的PC电源大电容电压并不能快速下降,仍然能够给高压启动脚提供较大的电流使得IC重新启动,5V又重

电场能和磁场能LC电路里面就不老实了,开始互相转化起来,随着电荷的流动,一会儿由电容里面的电场能转变为了线圈里面的磁场能,一会儿又由线圈里面的磁场能转换为了电容里面的电场能,此赠彼减,玩的不亦乐乎。但是由于LC电路中不可能存在完全理想无耗的电感和电容,那么,电磁能量就会在LC谐振回路中做阻尼振荡,这个阻尼值就是消耗在电阻上的电磁能量。当电路工作在谐振频率f0时,根据上面f0的公式,带入阻抗Z,可以

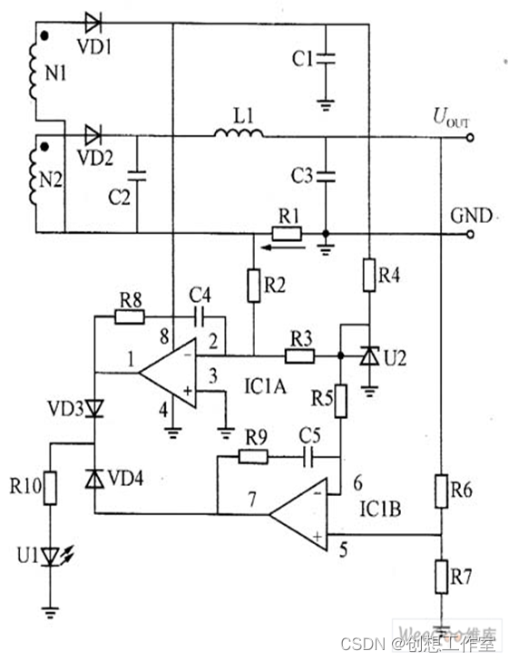
恒压电路工作原理:U2、ICIB、R6、R7、VD4、R10、U1组成电压控制环路。该电压直接送到ICA的同相输入端(3脚),而2.5V基准电压则由R2、R3组成的分压电路,再将分压电压送到反相输入端(2脚),输出电流在R1上的电压降与2.5V基准电压分压电压进行比较,1脚输出误差信号,再通过VD3和RIO变成电流信号,改变光耦LED中的电流,进而通过反馈控制网络控制一次侧PWM输出占空比,使输出








