
简介
该用户还未填写简介
擅长的技术栈
可提供的服务
暂无可提供的服务
基于canfestival协议栈的canopen程序。包含主从机,主站实现pdo收发、sdo收发、状态管理、心跳,从站实现pdo收发、sdo收发、紧急报文发送,只提供代码,stm32f407常用于一主多从控制、控制伺服电机。在工业控制领域,CANopen协议凭借其高效可靠的通信特性,广泛应用于诸如一主多从控制伺服电机等场景。今天咱就聊聊基于CanFestival协议栈,在STM32F407平台上实

整个项目基于FreeRTOS操作系统,这为多任务管理提供了极大的便利。LWIP协议则负责网络相关的处理,而STM32F107作为主控芯片,DM9161作为以太网物理层芯片,共同完成Modbus TCP从站的功能。

最后,这里提到“128拿走VCU或者BMS”,不太明确具体所指,但也许是某种交易价格或者编号之类的含义吧。今天咱来唠唠某主机厂的VCU(Vehicle Control Unit,车辆控制单元)和BMS(Battery Management System,电池管理系统)软件模型,这里面可有不少有趣的门道。Bms包含:上下电,继电器控制,充电管理,sox,均衡管理,故障诊断,热失控诊断。Bms包含:上

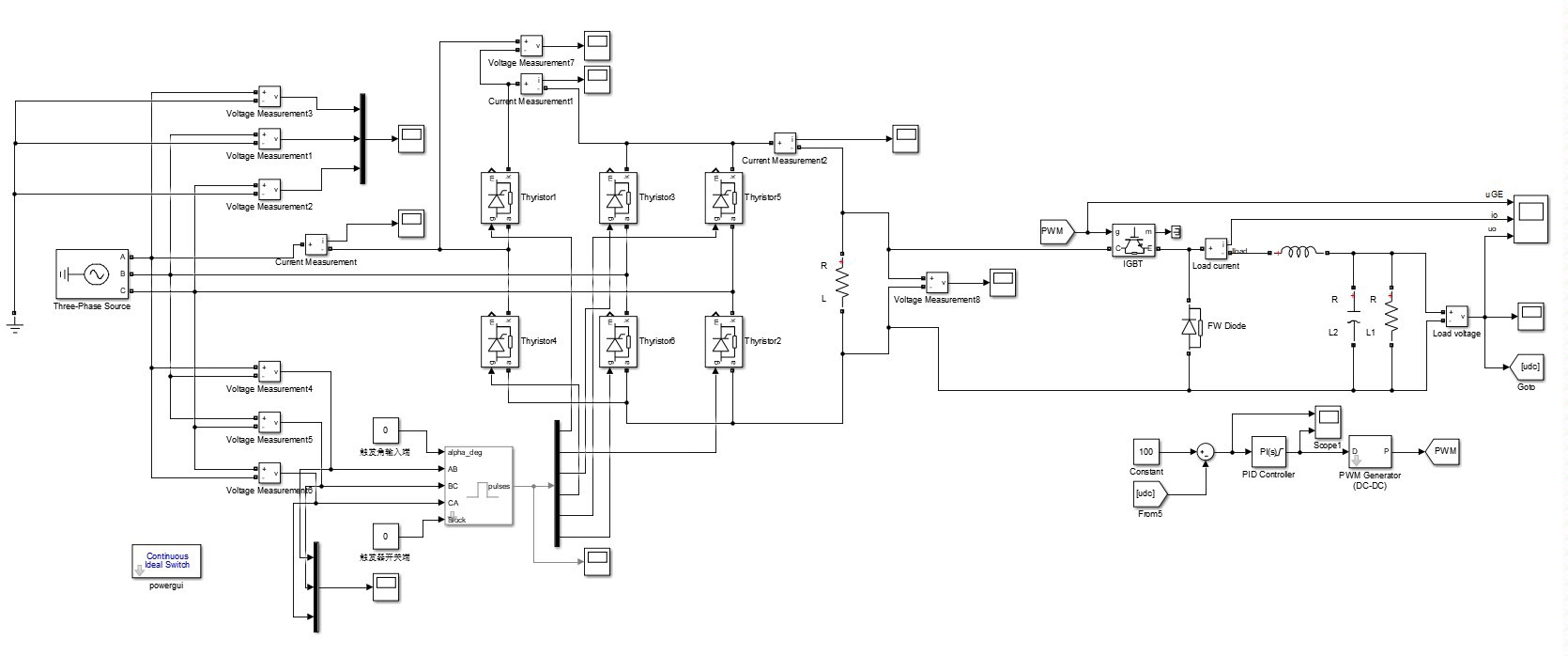
两级式电力电子变换器仿真模型前级为三相全桥整流电路,输入380V交流电;后级为闭环Buck电路,采用PI控制,输出为10V直流电;matlab/simulink模型在电力电子领域,两级式电力电子变换器因其能够实现高效的电能转换而备受关注。今天咱们就来详细探讨一下一个特定的两级式电力电子变换器,前级是三相全桥整流电路,输入380V交流电,后级是采用PI控制的闭环Buck电路,最终输出10V直流电,并

Simulink整车控制器vcu应用层模型,实车在用的,支持仿真和生成文件分类明确,每个普通功能和核心功能建有单独的库,存放在文件夹里。有相应的表格,描述了信号的意思。最近在研究实车正在使用的 Simulink 整车控制器 VCU 应用层模型,真的发现了不少有趣的东西,迫不及待要和大家分享一番。

洪水内涝暴雨预测模型,其他技能服务使用Kerala洪水数据集,输入是降雨量,输出是洪水风险,基于机器学习算法预测洪水发生的可能性。该模型采用5种机器学习算法,分别是KNN分类、逻辑回归、支持向量机、决策树和随机森林,利用Kerala降雨数据进行洪水预测以获取最佳模型。考虑清楚,和arcgis那种不一样,这个偏数学建模附源码,数据以及注释python在面对洪水内涝这样的自然灾害时,提前准确预测显得尤

【SCI 1区】基于开普勒优化(KOA-RF)的多元回归预测Python代码开普勒优化算法(Kepler optimization algorithm,KOA)于2023年被提出,KOA是一种基于物理学的元启发式算法,它受到开普勒行星运动定律的启发,可以预测行星在任何给定时间的位置和速度。在KOA中,每个行星及其位置都是一个候选解,它在优化过程中随机更新,相对于迄今为止最好的解(Sun)。KOA允

车辆七自由度模型考虑了车辆的纵向、侧向、横摆三个平动自由度,以及四个车轮的转动自由度。这种模型能较为准确地描述车辆在行驶过程中的动力学特性,为车辆的操控性和稳定性分析提供了基础。

BP神经网络是一种按误差反向传播算法训练的多层前馈网络,是目前应用最广泛的神经网络模型之一。它的基本结构包括输入层、隐藏层和输出层。在训练过程中,通过不断调整神经元之间的权重,使得预测值与真实值之间的误差最小化。

无线充电仿真 simulink磁耦合谐振 无线电能传输 MCR WPT lcc ss llc拓扑补偿一共四套模型:1.llc谐振器实现12/24V恒压输出 带调频控制 附参考文献和讲解视频2.lcc-s拓扑磁耦合谐振实现恒压输出 附参考文献和介绍3.lcc-p拓扑磁耦合谐振实现恒流输出 附参考文献4.s-s拓扑补偿 带原理分析,仿真搭建讲解和参考文献最近在研究无线充电仿真,用Simulink实现了








