
简介
该用户还未填写简介
擅长的技术栈
可提供的服务
暂无可提供的服务
RVM基于相关向量机模型RVM的多变量回归预测Matlab语言程序已调试好,无需更改代码直接替换Excel运行多输入单输出,回归预测也可以加好友换成时间序列单列预测(售前选一种)~出图美观模型新颖,审稿人看了都喜欢效果如图1所示可售前加好友增加各类优化算法进行优化,如PSO-RVM、DBO-RVM等等,也可改进各类优化算法,满足您创新的需求~1.附赠测试数据,数据格式如图2所示~2.注释清晰,适合

simulink MATLAB永磁直驱风机,300kW 模型 20kW模型 10kW模型1.5MW模型在电力系统和风力发电研究领域,MATLAB Simulink是一款强大的工具,能助力我们构建各类精确的模型。今天就来聊聊永磁直驱风机在Simulink里不同功率模型的搭建与探讨,包括300kW、20kW、10kW以及1.5MW的模型。

双馈风机 DFIG 低电压穿越 MATLAB仿真模型simulink, LVRT 双馈异步风力,Crowbar电路,波形如图(1)转子侧变换器采用基于定子电压定向的矢量控制策略,有功无功解耦,具备MPPT能力,采用功率外环电流内环双闭环控制结构;(2)网侧采用电网电压定向的矢量控制策略,采用电压外环电流内环控制,直流母线电压稳定,输入功率因数为1。波形如图在风力发电领域,双馈风机(DFIG)因其独

电动汽车充电负荷概率预测的条件扩散模型利用去噪扩散模型,该模型可以通过学习扩散过程的反转,逐步将高斯先验转换为实时时间序列数据。此外,我们将这种扩散模型与基于交叉注意的条件调节机制相结合,对可能的充电需求曲线执行条件生成。我们还提出了一种任务通知微调技术,以更好地使DiffPLF适应概率时间序列预测任务,并获得更准确和可靠的预测区间。最后,我们通过多个实验验证了DiffPLF在预测不稳定充电负荷复

改进自适应虚拟阻抗的一致性算法多机并联控制仿真[1]资料:simulink仿真模型+理论说明PPT+复现的参考文献[2]参考文献:《基于一致性理论的孤岛微电网分布式控制策略研究_熊德超》[3]主要内容描述:(1)采用分层控制策略对系统进行控制(2)通过一致性算法结合自适应虚拟阻抗控制的方式补偿线路阻抗不匹配对无功功率分配的影响,从而实现无功功率能够精确按比例分配,达到抑制环流的目的。

该模型在多个真实数据集上进行了大量实验,效果显著,且改模型具有自动学习可解释的多尺度序列间相关性的能力,即使应用于分布外样本也表现出强大的泛化能力。该模型在多个真实数据集上进行了大量实验,效果显著,且改模型具有自动学习可解释的多尺度序列间相关性的能力,即使应用于分布外样本也表现出强大的泛化能力。总之,这个模型就像时空预测领域的瑞士军刀,既有学术上的创新突破,又保持着工程师最爱的易用性。这是一种先进

EKF扩展卡尔曼滤波算法做电池SOC估计,在Simulink环境下对电池进行建模,包括:1.电池模型2.电池容量校正与温度补偿3.电流效率采用m脚本编写EKF扩展卡尔曼滤波算法,在Simulink模型运行时调用m脚本计算SOC,通过仿真结果可以看出,估算的精度很高,最大误差小于0.4%在电池管理系统(BMS)中,准确估计电池的荷电状态(SOC)至关重要。本文将介绍如何利用EKF扩展卡尔曼滤波算法在

PFC-LLC谐振开关电源设计方案整套学习资料程序+仿真+硬件软件说明报告+原理图+计算书等等注:该方案性价比很高,一套资料下来可以自己做个实物验证,要想看细节可以咨询我,我给你看资料的详细展示视频01.电路原理图:使用AD绘制,附带BOM表02.基于DSP28034编写的程序:PFC和LLC闭环程序,注释非常详细03.仿真模型:从开环到闭环的仿真都有,参数都是设计出来的,仿真验证04.硬件计算书

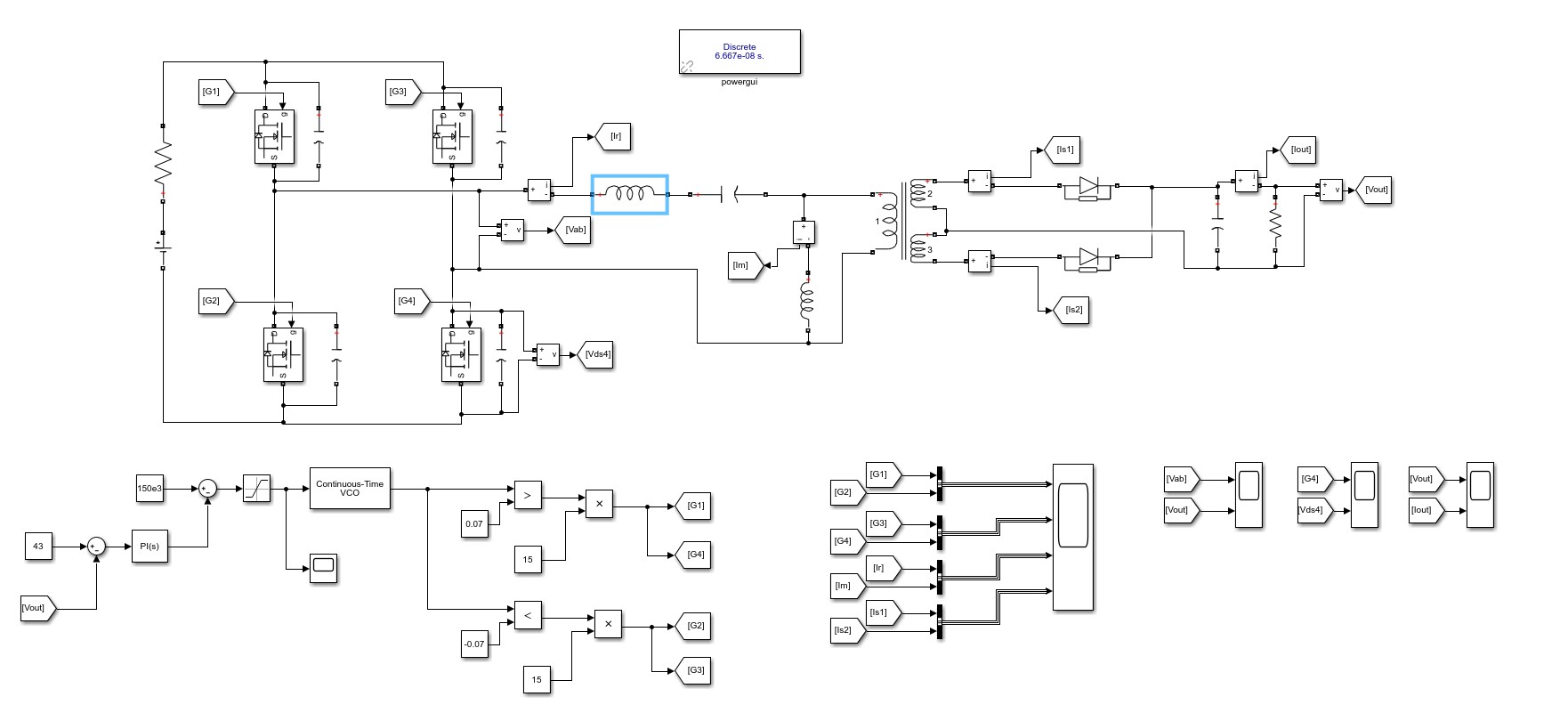
PFC+全桥LLC谐振变化器参数设计资料(闭环仿真+参数设计报告)资料内容:[1]PFC和LLC闭环仿真模型:纯在simulink中搭建,参数都是参考报告得到的,仿真验证了所设计出的参数合理[2]52页详细的设计报告:与仿真和mathcad完全对应,方便快速深入学习LLC谐振变化器[3]Mathcad计算书:无迹为了更好的理解参数设计,且方便自动设计不同参数的PFC或LLC变换器,因此整理了计算书

基于永磁同步电机旋转高频信号注入法零低速无位置控制仿真[1]相比高频方波信号注入法,旋转高频信号注入法噪声更小损耗更低[2]该模型注入1000Hz旋转高频电压信号到电机中用于产生激励电流,在低速100rpm下无感运行。带有自己搭建的PMSM模型(非系统自带)附上模型说明文档,很容易看懂。在永磁同步电机(PMSM)的控制领域中,零低速无位置传感器控制一直是个备受关注的话题。今天咱就来唠唠基于旋转高频








