
简介
该用户还未填写简介
擅长的技术栈
可提供的服务
暂无可提供的服务
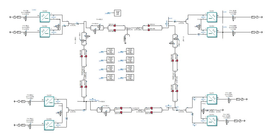
不对哦我翻的可研是张北(±500kV柔直)→冀北康保(±500kV柔直)→冀北丰宁(±500kV柔直抽水蓄能配套受端)→北京延庆(±500kV柔直北京主网接入),直流架空线的参数:R0≈0.008Ω/km,L0≈0.9mH/km,C0≈0.012μF/km,长度分别是张北-康保100km,康保-丰宁120km,丰宁-延庆180km——新手别直接用默认的直流线参数,默认的是±800kV或者更长的,参

12槽10极平板型永磁同步直线电机仿真,12槽10极平板型永磁同步直线电机仿真,包括:1.复现一份2.直线电机制动力仿真模型一份3.直线电机空载反电动势波形和推力输出模型一份12槽10极平板型永磁同步直线电机,绝对是直线电机里的“国民款”——短距配合天生齿槽转矩低,推力波动小,不管是练手仿真还是实际项目都好使。今天咱就把复现、制动力、空载反电动势+推力这三个仿真模块唠明白,代码和分析都给你们扒得明

通过这次实验,我们不仅验证了粒子滤波在锂离子电池 SOH 预测中的有效性,还深入理解了电池老化的内在规律。NASA 的数据为我们的研究提供了坚实的基础,而 MATLAB 的强大功能则让复杂的算法实现变得简单直观。未来,我们可以进一步优化粒子滤波算法,例如引入更复杂的电池衰退模型,或者尝试与其他滤波算法(如卡尔曼滤波)进行对比实验。此外,将这种方法应用于实际的电池管理系统中,也是一个值得探索的方向。

a. 最新:粒子群优化算法实现MPC(模型预测控制)参数自动调节:b. 代码模型说明:针对手动调节MPC参数困难、难以找到参数最优值的问题,首先建立了MPC轨迹跟踪控制效果的评价指标,用以描述模型仿真结果的优劣,其次编写了粒子群优化代码对simulink模型中MPC参数(Np,Nc,预测时域,控制时域)进行自动调节。可设置MPC参数Np,Nc的调节范围,进行最优参数寻优。

最近拿Simulink搭了个分层控制模型,上层用MPC、SMC、PID、LQR四个控制器搞决策,下层负责把力矩精准分配到每个轮胎。采用分层式直接横摆力矩控制,上层包括模型预测MPC,滑模控制SMC,PID控制,LQR控制。采用分层式直接横摆力矩控制,上层包括模型预测MPC,滑模控制SMC,PID控制,LQR控制。具有初始化文件,Simulink模型,控制器说明,有参考文献和七自由度整车建模说明文档

车辆被控对象采用七自由度整车模型输出实际质心侧偏角和横摆角速度,二自由度模型输出理想质心侧偏角和横摆角速度。采用分层式直接横摆力矩控制,上层包括模型预测MPC,滑模控制SMC,PID控制,LQR控制。采用分层式直接横摆力矩控制,上层包括模型预测MPC,滑模控制SMC,PID控制,LQR控制。具有初始化文件,Simulink模型,控制器说明,有参考文献和七自由度整车建模说明文档。具有初始化文件,Si

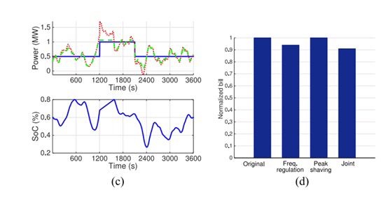
本代码实现了一个创新的储能系统优化运行模型,通过数学优化方法使电池储能系统同时参与电力系统的调峰和调频服务,实现经济效益最大化。该模型解决了传统储能系统中单一功能运行的经济性不足问题,为商业和工业用户提供了一套完整的储能系统协同优化解决方案。

电机振动噪声分析电机多转速工况下的NVH分析,有模型文件,教学视频在电机领域,振动与噪声(NVH)分析可是相当关键的一块内容,尤其是在电机处于多转速工况时。今天咱就好好唠唠这电机多转速工况下的 NVH 分析,顺便提提那些超有用的模型文件和教学视频。

shap分析代码案例,多个机器学习模型+shap解释性分析的案例,做好的多个模型和完整的shap分析拿去直接运行,含模型之间的比较评估。类别预测和数值预测的案例代码都有,类别预测用到的6个模型是(catboost、xgboost、knn、logistic、bayes,svc),数值预测用到的6个模型是(线性回归、随机森林、xgboost、lightgbm、支持向量机、knn)在机器学习领域,模型的

1.电力系统短路故障引起电压暂降2.不对称短路故障分析包括:共两份自编word+相应matlab模型1.短路故障的发生频次以及不同类型短路故障严重程度,本文选取三类典型的不对称短路展开研究,包含单相接地短路、相间短路和两相接地短路。文中分别计算了各类型短路故障发生时故障处三相电压变化,推导短路故障引发的暂降电压特征,使用MATLAB 进行了仿真验证。2.主要分为四章,第一章介绍现阶段短路故障研究背








