
简介
该用户还未填写简介
擅长的技术栈
可提供的服务
暂无可提供的服务
为了更高效地完成复杂未知环境下的无人机快速探索任务,很多智能算法被应用于无人机路径规划方面的研究,但是传统粒子群算法存在粒子更新思路单一、随机性受限、收敛速度慢、 易陷入局部最优等问题,因此,需要结合无人机探索特点,将粒子群算法和遗传算法结合形成改进粒子群算法,提高算法的全局寻优能力,从而增强无人机路径规划的效率。程序采用遗传粒子群、基本粒子群和遗传算法三种算法进行路径规划,并对比优化效果,在综合

改进惯性权重方法比较常见,不同的非线性函数能够得到不同的优化方法,程序中采用sin函数构造惯性权重的进化曲线,当然大家在编程过程中也可以采用其他非线性函数,如Sigmoid函数(见下图),甚至可以用分段方式提高算法的创新性。

本程序主要对《基于场景聚类的主动配电网分布鲁棒综合优化》-高海淑的方法复现,应用到综合能源电热微网方向,采用拉丁超立方抽样对不同场景进行处理,然后采用K-means聚类算法对场景聚类分析,应用该聚类分析数据采用分布鲁棒优化,场景分布的概率置信区间由1-范数和∞-范数约束,分两阶段对电热综合能源模型进行优化求解,得到不同场景下的优化结果。

之前发布了华电学报的复现程序《基于目标级联法的微网群多主体分布式优化调度》,具体链接为,虽然对模型及结果进行了复现,但是部分模型细节和参数并没有完全实现,本次发布该程序的完整复现版本,主要实现的内容如下:1.考虑多源异质分布式电源的出力随机性,增加风光出力的鲁棒约束;2.完全复现基于目标级联法的分布式求解流程;3.参数基本完全按照文献所列;4.程序目标函数和约束条件和文献一致。

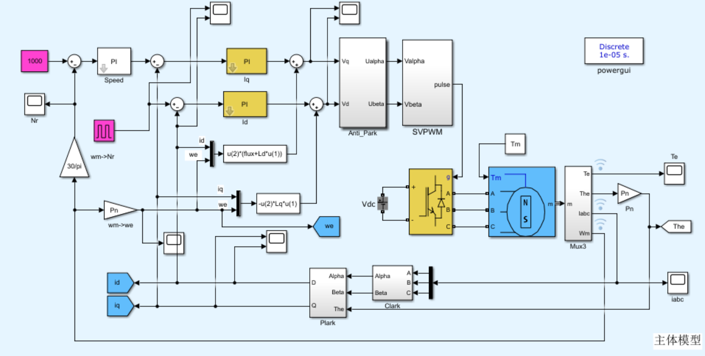
仿真程序参考文献《改进粒子群算法的永磁同步电机多参数辨识》,采用粒子群算法与simulink模型结合的方式,对永磁同步电机进行多参数辨识。程序以定子绕组电阻、d轴电感、q轴电感和永磁体磁链四个参数作为输入参数,以定子dg轴电压作为输出,通过辨识模型电压与测量电压的偏差作为目标函数,从而实现参数的精准辨识。

本文介绍了一个包含IEEE 5、9、14、30、33、39节点系统的Simulink仿真模型程序包,所有模型均按IEEE标准参数1:1复现。该资源包含完整的电源、线路和负荷数据,适用于潮流分析、分布式电源影响、电压控制等电力系统研究。程序包还提供各节点系统接线图和相关组件电子图,方便学术论文使用。以9节点系统为例,详细展示了电源和线路的参数设置方法。该仿真模型为电网规划等研究提供了便捷可靠的分析工

在电力系统调度研究过程中,由于全年涉及的风、光和负荷曲线较多,为了分析出典型场景,很多时候就用到聚类算法,而K-means聚类就是常用到聚类算法,但是对于K-means聚类算法,需要自行指定分类数,如果没有方法支撑、纯自行确定分类数的话,显得随意性较大,很难令人信服,本次介绍一个方法——手肘法。

程序参考文献《用于平抑可再生能源功率波动的储能电站建模及评价》,针对风电和光伏分布式能源出力波动的问题,提出采用储能平抑功率波动模型,通过储能电站充放电控制来优化整体功率波动,以相邻时段功率差的平方和作为目标函数,通过动态规划实现功率的平稳波动目标。

该程序参考《基于仿射最小路法的含分布式电源配电网可靠性分析》文献方法,通过概率模型和时序模型分别进行建模,实现基于概率模型+最小路法的含分布式电源配电网可靠性评估以及时序模型+序贯蒙特卡洛模拟法的含分布式电源配电网可靠性评估。程序采用matlab编写,注释清楚,方便学习!

该程序采用自适应遗传算法优化分布式电源的配置问题,以投资运行成本、网络损耗成本、购电成本和碳排放成本之和作为优化目标,潮流计算采用前推回代法进行计算,程序不止复现了参考文献的33节点系统,同时也实现了118节点系统配电网络的选址定容模型,因此文末链接的程序包包括两部分,一个是118节点系统优化程序,一个是33节点系统优化程序,该程序采用matlab编写,注释清晰!








