
简介
该用户还未填写简介
擅长的技术栈
可提供的服务
暂无可提供的服务
摘要:本文介绍了使用Vivado软件进行FPGA开发的基本流程:1)创建工程并选择FPGA型号;2)添加设计文件、约束文件和仿真文件;3)编写代码后依次执行综合、实现和生成比特流文件;4)连接FPGA板卡并烧录生成的比特流文件。开发过程中需要注意FPGA型号支持包的安装,以及调试信号(ILA核)会生成.ltx调试文件。整个流程涵盖了从工程创建到最终烧录的关键步骤。

本文介绍了FPGA开发中如何将Bitstream文件转换为MCS文件并烧录到Flash存储器中,实现断电后程序不丢失。主要内容包括:1)在Vivado工具中通过Generate Memory Configuration File"选项生成MCS文件;2)详细说明了MCS文件的配置参数,包括格式选择、Flash型号指定、接口类型等;3)描述了将MCS文件烧录到Flash存储器的具体步骤;4

由上图可知,当频率为截止频率100Hz时, 二阶RC滤波器的每一个RC低通电路相移-45°,两个RC低通电路总共相移-90°。RC低通滤波电路由于电阻电容的充放电作用,存在时延,即出现相位偏移,一阶RC低通滤波器随着输入电压频率的增大,输出电压相位会超前于输入电压的相位,最大相位偏移为-90°,一旦相位偏差达到90°,输入电压频率继续增大,输出电压相位将一直保持超前于输入电压90°不变。从图中可看

一阶滞后全通滤波器如图所示,与一阶超前全通滤波器类似,输入为Ui,输出为Uo,电阻R1 = R2 = R3 = R =1k,电容C1 = C = 100nF,求其传递函数,进行如下计算。一阶超前全通滤波器如图所示,输入为Ui,输出为Uo,电阻R1 = R2 = R3 = R =1k,电容C1 = C = 100nF,求其传递函数,进行如下计算。全通滤波器对于频率从0到无穷大的信号具有相同的比例系数

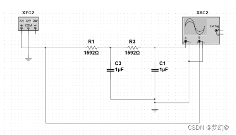
当f >> fo时,每级RC电路相位移接近-90°,则两级RC电路总位移趋近于-180°,输入和输出的波形对比如下图所示,(绿色为输出,红色为输入)当f = fo时,每级RC低通电路相位移为-45°,则两级RC电路的总相位移为-90°,输入和输出的波形对比如下图所示,(绿色为输出,红色为输入)例,二阶RC无源低通滤波电路,电阻阻值1592欧,电容容值1uf,经计算得到特征频率,fo为100Hz,截

例:在一阶RC低通滤波电路中,当电阻取值1592欧姆,电容取值为1uf时,经由截止频率公式计算得到,截止频率fc为37.30Hz,通过Multisim仿真可知,在其幅频图中,-2.939dB处,所对应的频率为36.81Hz,理论计算值与仿真值相符。例:在一阶RC低通滤波电路中,当电阻取值1592欧姆,电容取值为1uf时,经由截止频率公式计算得到,截止频率fc为99.97Hz,通过Multisim仿

一阶高通滤波器如图所示,输入为Ui,输出为Uo,电容C与电阻R串联,令电容C的容抗为Xc(Xc = 1 / jwC),则传递函数H(jw)为,H(jw)的模值,|H(jw)|为电压增益,当其下降Sqrt[2]/2(-3dB),此时频率即为截止频率,记作fc,通过数学软件Mathematica,求得|H(jw)|值,进而求得截止频率。









