
简介
该用户还未填写简介
擅长的技术栈
可提供的服务
暂无可提供的服务
本文针对珠海市梅华西路-敬业路交叉口的交通拥堵问题,研究了定时控制和感应控制两种信号优化方案。通过实地调查获取交通流量、车速等数据,基于韦伯斯特算法设计了定时控制方案,并利用VISSIM软件建立仿真模型。同时设计了感应控制逻辑规则,通过COM接口实现仿真。对比结果显示,在高峰时段感应控制比定时控制能更有效减少延误和停车次数,提高通行效率。研究为城市交叉口信号优化提供了实践参考,表明感应控制更适应交

摘要: 为提升美兰机场网络运维效率,本研究开发了一套数字化运维管理系统,面向员工、运维人员和管理员三类用户,支持移动端与电脑端双通道故障报修,集成智能设备识别与工单自动分发功能。系统采用SpringCloud微服务架构,结合Vue3可视化仪表盘,实现设备状态监控、故障分级处理与流程回溯,显著缩短故障响应时间至30分钟以内。测试显示系统并发量达200用户,响应时间低于500ms,有效解决了传统人工巡

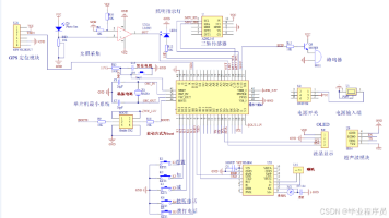
本文设计了一种基于STM32F103C8T6单片机的智能导盲系统,旨在提升视障人群的出行安全。系统集成超声波传感器、GPS模块、GSM通信模块等多种硬件,实现障碍物检测(SR04超声波)、位置定位(VK2828 GPS)、跌倒监测(ADXL345三轴传感器)、紧急求助(SIM800 GSM)等功能。通过OLED显示屏实时反馈环境信息,并配备5个功能按键实现安全距离设置、一键报警等操作。系统还包含光

本文设计了一款基于STM32单片机的多功能电子日历系统,采用DS1302时钟芯片和18B20温度传感器实现精确计时和环境监测。系统通过LCD1602液晶屏显示年、月、日、星期、时间及温度信息,支持按键调整、闹钟提醒和农历显示功能。硬件设计包含电源电路、时钟电路、显示模块及蜂鸣器驱动等,采用模块化方法确保系统稳定运行。该设计具有显示直观、功能完善、成本低廉等特点,体现了嵌入式系统开发的完整流程,为电

本研究设计了一种基于STM32单片机的智能温控风扇系统。系统硬件包含温度传感器、人体红外感应器、风扇驱动模块等组件,软件采用C语言编程实现智能控制。通过实时监测环境温度,系统能自动调节风扇转速,并结合人体检测实现节能运行。测试结果表明,该系统可精准控制风扇转速,达到舒适节能的效果。文中详细介绍了系统架构、控制流程,并附有效果图和源码获取方式。

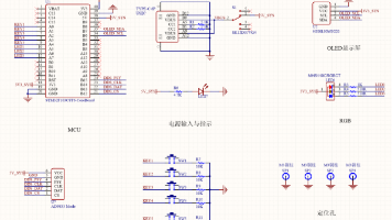
本文设计了一种基于STM32F103C8T6单片机的多功能波形信号发生器,采用AD9833作为核心波形发生芯片,可输出正弦波、方波和三角波。系统通过OLED显示屏实时显示波形参数,5个功能按键实现波形切换及频率、幅值调节,RGB指示灯提供状态反馈。设计结构紧凑,支持Hz至MHz频率范围,具有串口通信扩展功能,适用于教学实验和电子调试。该信号发生器成本低、交互直观,输出信号稳定可靠,具有良好实用价值

本文设计了一款基于STC89C52单片机的多功能智能小车,集成了寻迹循迹、红外避障、遥控控制、蓝牙操控和火焰检测灭火五大功能模块。硬件设计采用51系列主控芯片,结合红外传感器、蓝牙模块等数据采集部件;软件部分通过Keil uVision4编写C语言程序,利用Altium Designer绘制电路图。系统支持五种工作模式切换:自动循迹、智能避障、红外遥控、蓝牙控制及火焰灭火,各模式通过按键切换实现不

本文设计了一种基于STM32单片机的无线胎压监测系统,通过气压和温度传感器实时采集轮胎状态数据,经STM32处理后在LCD屏显示,并利用蓝牙模块实现远程传输。系统包含数据采集、处理、显示和无线传输模块,当轮胎压力异常时触发蜂鸣器报警。该方案解决了传统监测方式实时性差的问题,具有模块化设计、可靠性高、易于扩展的特点,为行车安全提供了有效保障。硬件设计涵盖主控芯片、传感器、显示屏等核心部件,软件采用初

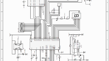
本研究通过51单片机进行了打地鼠设计,主要是在生活中可以用在打地鼠进行键盘设计,首先进行了该系统的研究价值和意义,并且对其进行了解当前打地鼠监测系统需要的功能,深入对这些功能进行了解和实验,然后进行了各个电路的原理介绍,LED灯,以及电路板的了解解,再次进行了软件的调试,这些模块都是通过ATM寄存器进行传入,运用C语言进行写入,最后进行了整体系统的调试,比如学习了硬件和软件方面的测试,通过这些模块

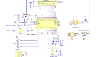
本文设计了一套基于STM32单片机的智能大棚监测系统,可实时监控温度、土壤湿度和烟雾浓度。系统采用自动和手动两种模式:自动模式下通过传感器检测环境参数,超出阈值时自动触发补光灯、水泵或报警装置;手动模式下可人工调节设备。所有设定参数支持掉电保存,并可通过WiFi模块实现远程监控和手机端控制。系统主要功能包括烟雾检测、土壤加湿、光照调节和温度控制,满足农业生产中的基础监测需求。硬件部分包含TFT显示








