
简介
该用户还未填写简介
擅长的技术栈
可提供的服务
暂无可提供的服务
该算法包含Matlab编写的非线性模型预测控制Nonlinear model predictive control 的无人船轨迹跟踪和障碍物避碰算法trajectory tracking and collision avoidance ,有详细的注释和参考文献。实测效果:在Intel i7-1185G7上跑,50米×50米场景下,同时处理3个动态障碍物,控制周期100ms不卡顿。2-文献复现基于非

和Dijkstra都可以用来解决迷宫的路径规划问题,但它们各有优劣。Q-learning是一种基于试错的学习算法,适合在未知环境中逐步学习最优策略;而A和Dijkstra则是经典的搜索算法,适合在已知环境中快速找到最优路径。选择哪种算法,取决于具体的应用场景和需求。希望这篇文章能帮助你更好地理解这些算法,并在实际项目中灵活运用。

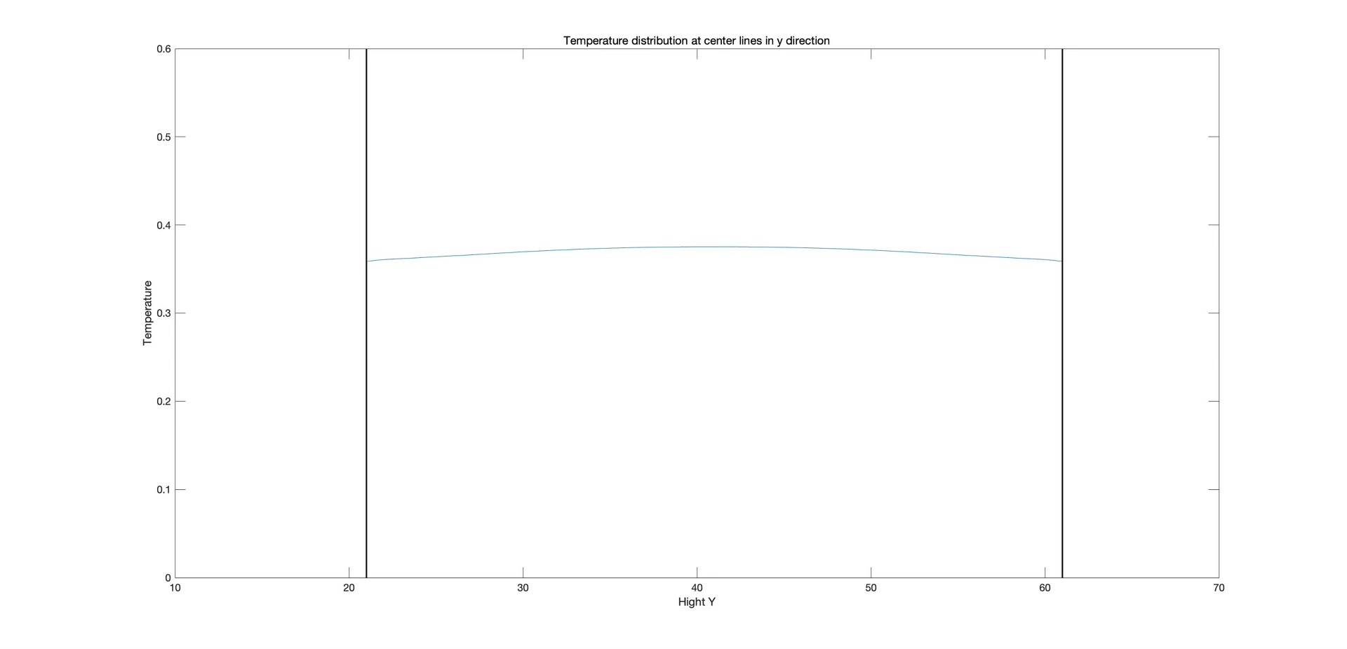
这个简易实现跑起来后,可以试着修改初始条件——比如把热源改成两个分离的高温点,或者调整tau值观察扩散速度的变化。LBM的显式特性虽然时间步长受限,但并行效率高,扩展到三维也方便,这些优势在更复杂的传热-流动耦合问题中会体现得更明显。格子玻尔兹曼方法(LBM)搞热扩散模拟其实挺有意思的,今天咱们用Matlab整一个简单的二维版本。先上核心思路:把温度场当作被动标量,用D2Q5速度模型(五个离散速度

低碳配送冷链物流优化路径规划 MATLAB考虑到冷链物流在运输中的高能耗和高碳排放,低碳理念引入到路径优化问题中,在传统的冷链多温共配车辆路径优化问题中加入碳排放成本,建立由运输成本、碳排 放成本、制冷成本及损失成本构成的以总成本最低为目标函数的冷链物流多温共配路径优化模型。设计遗传算法,并用 Matlab。对案例进行求解,通过实例验证了模型的有效性和实用性。

CNN-RNN网络时间预测分析,Matlab作图,单输入,单输出。预测电力负荷,数据来源于电工杯,联系宝贝送。代码注释清晰,替换数据即可。在电力系统领域,准确预测电力负荷至关重要。今天咱就来唠唠利用CNN - RNN网络进行电力负荷时间预测,并通过Matlab来完成相关数据的可视化。这次的预测是单输入单输出模式,数据源自电工杯,文末咱会说咋拿到数据哈。

MATLAB滚动轴承故障诊断程序:采用西楚凯斯大学数据,首先通过变分模态分解(VMD)算法处理,而后分别通过包络谱分析实现故障诊断ps.通过尖峰对应的频率与计算出的故障频率比较,实现故障诊断西储大学的轴承数据在故障诊断圈子里就像实验小白鼠般的存在。今天咱们用MATLAB给它做个深度体检,看看怎么揪出轴承内圈的故障暗号。整个过程就像侦探破案——先拆解信号碎片,再找特征密码。

双向反激的核心是带中心抽头的高频变压器(这里选200kHz的PQ3220磁芯),原边接整组电池,副边六个绕组分别对应单体电池。传统被动均衡发热大、效率低,双向反激拓扑凭借其磁耦合特性,能实现能量在电池间的无损转移。这次要聊的这套系统用STM32F103做主控,通过实时计算六节电池的SOC差异,动态调整反激变换器的工作模式。当SOC差异超过5%时,目标电流呈线性增长,但保留了0.05的死区避免频繁切

本项目是一个基于STM32F10x系列微控制器的三相SPWM(正弦脉宽调制)逆变器控制系统。项目采用CMSIS标准外设库,支持多种STM32F10x芯片型号,包括高密度、中密度、低密度及其Value Line版本。该系统能够生成精确的三相正弦波信号,适用于工业逆变器、电机驱动等电力电子应用场景。

车间流水线像个大型交响乐团,机器是乐器,工件是乐谱。最终在测试案例中,算法能找到总耗时14分钟的最优方案(传统方法需要15分钟)。这1分钟的差距在真实生产线中,可能意味着每天数万元的成本节约。这段代码像交通管制系统:跟踪每台机器的空闲时间,确保工序依赖关系。这类似生物学的基因重组:保留父代1的部分特征顺序,剩余位置按父代2的顺序填入,既保持优良基因又引入多样性。已知加工时间,如何确定加工顺序和工件

比如要输出500Hz,计算步进速度的公式是(72*500)/采样率,假设我们定时器中断频率设成72kHz,那每次中断处理就往前走1个点。烧录程序后接上示波器,能看到正弦波光滑得不像单片机生成的——秘诀在于DAC0832是8位分辨率,比PWM生成的波形细腻多了。先看效果:插上示波器能看到正弦波、三角波、锯齿波、方波随意切换,幅值从1V到5V咔咔跳,频率从100Hz飙到1KHz跟玩似的。先看波形生成的








