
简介
该用户还未填写简介
擅长的技术栈
可提供的服务
暂无可提供的服务
基于CasADi工具箱的模型预测控制求解示例学习,适合入门MPC轨迹跟踪运动控制器设计。带录制视频讲解与配套MATLAB,python脚本文件,讲义文件等。将MPC转换为非线性规划(NLP)问题的求解,并基于多重打靶法Multiple shooting将模型预测控制问题(MPC)转化为一般的NLP问题,进而利用CasADi工具箱对优化问题求解。1.控制模型离散化利用欧拉公式或其他数值离散化方法,采

三相光伏PV并网逆变器MATLAB仿真模型内容:1.光伏+MPPT控制(boost+三相桥式逆变)2.坐标变换+锁相环+dq功率控制+解耦控制+电流内环电压外环控制+spwm调制3.LCL滤波仿真结果:1.逆变输出与三项380V电网同频同相2.直流母线电压600V稳定3.d轴电压稳定311V;q轴电压稳定为0V,有功功率高效输出在可再生能源领域,三相光伏PV并网逆变器起着关键作用,它将光伏电池产生

通过在Matlab中分别实现M00299-LSTM和SVM进行设备故障诊断,我们发现LSTM更适合处理设备运行状态随时间变化的序列数据,而SVM在小样本故障类型分类上有独特优势。实际应用中,可以根据设备数据特点和故障诊断需求选择合适的模型,或者结合两者优势,构建更强大的故障诊断系统。M00299-LSTM和SVM实现设备故障诊断深度学习机器学习Matlab。

基于鲸鱼算法优化的lssvm回归预测:为了提高最小二乘支持向量机(lssvm)的回归预测准确率,对lssvm中的惩罚参数和核惩罚参数利用改进鲸鱼算法进行优化。4.计算效率高:鲸鱼算法通过模拟鲸鱼集群的迁徙和觅食过程,具有并行和分布式计算的特点,从而能够加速模型优化的过程,提高计算效率。4.计算效率高:鲸鱼算法通过模拟鲸鱼集群的迁徙和觅食过程,具有并行和分布式计算的特点,从而能够加速模型优化的过程,

去魔术公式里把C参数调小点,但别怪我没提醒,抓地力降了小心推头推成推土机。说到底,这个模型就像乐高,能拼出前驱车的温顺,也能调出四驱猛兽的野性。→包含模块:转向系统,整车系统,悬架系统,魔术轮胎pac2002,车轮系统,PI驾驶员模块等。→包含模块:转向系统,整车系统,悬架系统,魔术轮胎pac2002,车轮系统,PI驾驶员模块等。→十四自由度包含:整车纵向,横向,横摆,车身俯仰,侧倾,垂向跳动,四

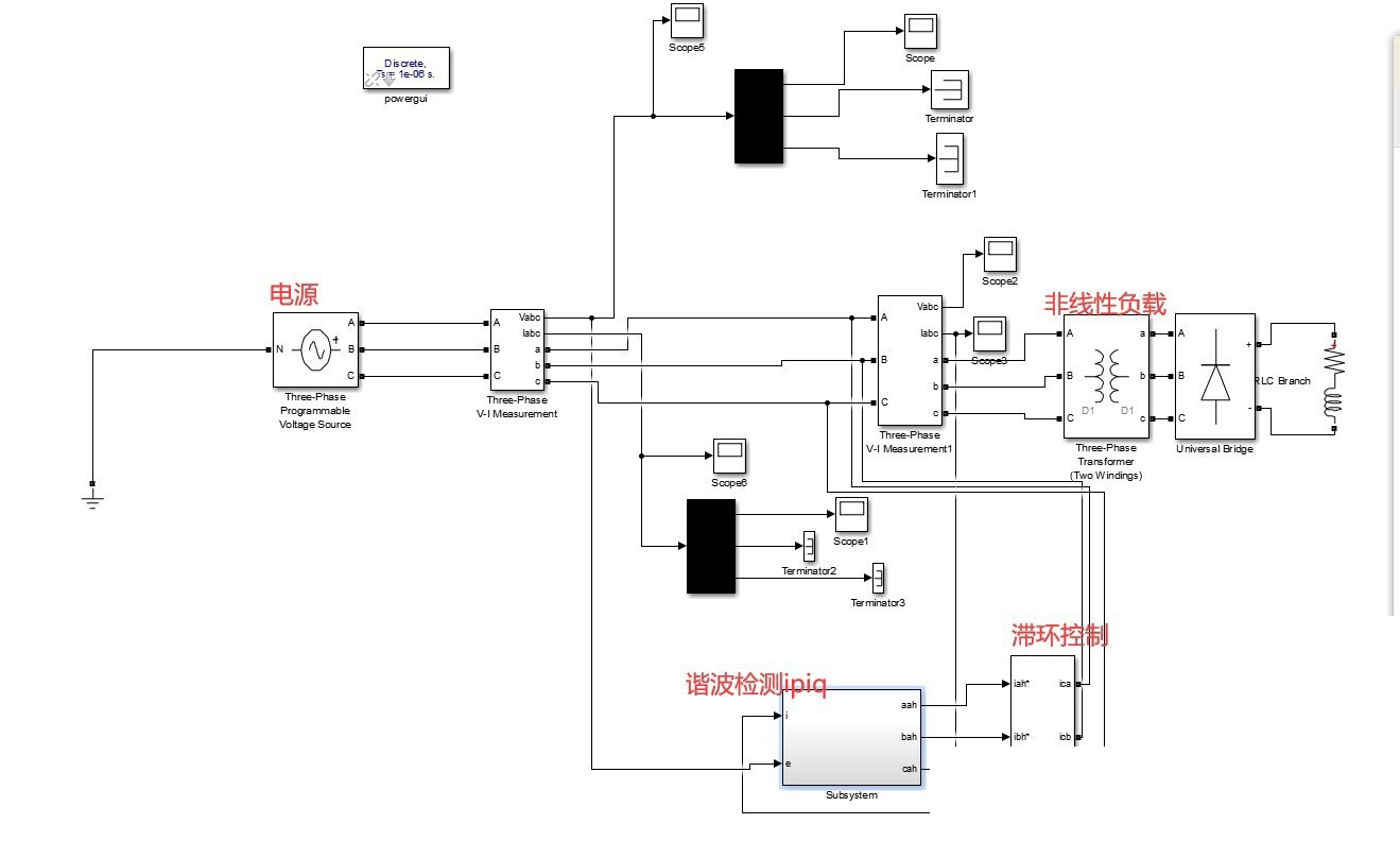
01) 并联型+APF有源电力滤波器,三相三线;02) 谐波检测采用基于瞬时无功功率理论的ip-iq检测方法;03) 采用电压外环+电流内环双闭环控制;04) 电压外环:采用PI控制;05) 电流内环:采用滞环控制;06) 调制策略:CHBPWM滞环调制;07) 可实现谐波抑制和无功补偿功能;08) APF补偿后,电网电流THD大约2%;09) 仿真模型主要涉及三相交流电压模块、非线性负载、信号采

我们搭建的这个14自由度整车模型可不是“花瓶”,它能在众多工况场景中发挥作用。通过模块化建模,就像搭建乐高积木一样,将各个关键部分有机组合。从复杂的动力学模拟到实际驾驶场景的仿真,它都能大显身手。

无感FOC 滑膜观测器算法采用滑膜观测器,启动采用Vf,全开源c代码,全开源,启动顺滑,提供原理图、smo推导过程及仿真模型。最近在研究电机控制领域的无感FOC(Field - Oriented Control,磁场定向控制)技术,发现其中的滑膜观测器(Sliding Mode Observer,SMO)算法很有意思,今天就来和大家分享一下。

差分进化(DE)算法求解置换流水车间调度问题PFSP其中:main.m是主函数运行即可;DE.m是算法的代码;color_selection用于获得甘特图的颜色配置;gantt_chart.m绘制甘特图;objective.m是目标函数,即计算Makespan;sorting.m根据调度方案计算每台机器任意时刻的加工信息(开始时间、结束时间、工件号、机器号), 用于绘制甘特图;调度测试集包括Car

fluent 纯石蜡,多孔介质流体仿真(均质,组合梯度,线性梯度孔隙结构泡沫金属仿真模拟,udf编译等),SpaceClaim泡沫金属骨架建模等。(当前有关泡沫金属工作一篇见刊,两篇在投)在工程流体力学的研究领域中,多孔介质流体仿真一直是一个令人着迷且充满挑战的方向。今天就来聊聊我在这方面的一些研究经历,特别是围绕fluent纯石蜡以及泡沫金属相关的模拟工作。








