
简介
该用户还未填写简介
擅长的技术栈
未填写擅长的技术栈
可提供的服务
暂无可提供的服务
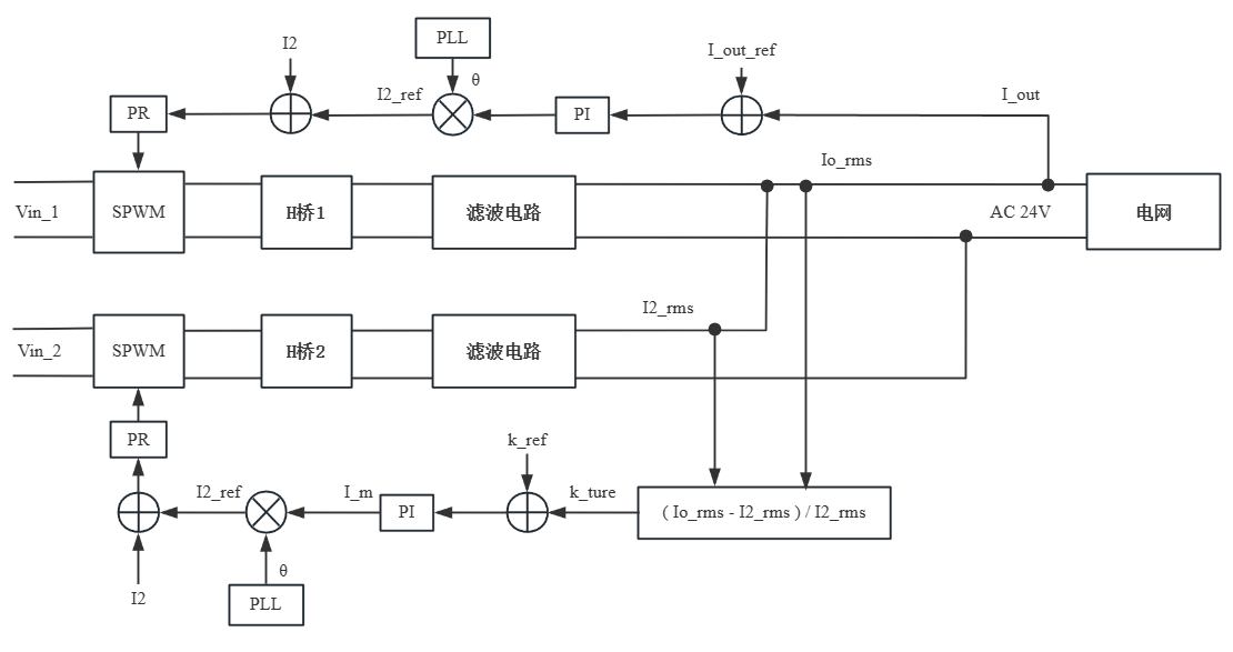
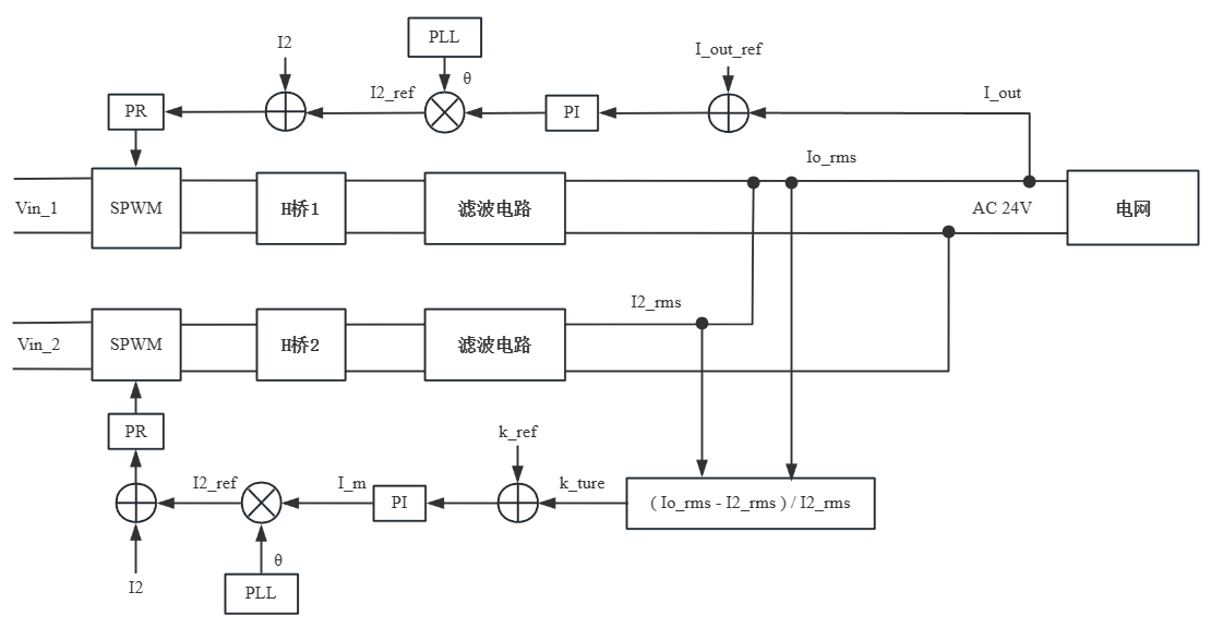
23电赛国赛A题单相逆变器并联运行系统
并联主要控制策略是主从机控制,在并联离网模式下设定逆变器1为主机,逆变器2为从机,主机控制全桥逆变电路输出一个稳定的正弦电压,从机通过采样得到的电压电流信息,经锁相环获得相位,送给PR控制器输出SPWM调制信号,实现主从机的有效并联。同时我们采用AD7606数据采集模块,选用并行接口的连接方式,AD7606具有极高的采样速率,所有的通道均能以200 kSPS的速率进行采样,同时还具有二阶抗混叠滤波

23电赛国赛A题单相逆变器并联运行系统
并联主要控制策略是主从机控制,在并联离网模式下设定逆变器1为主机,逆变器2为从机,主机控制全桥逆变电路输出一个稳定的正弦电压,从机通过采样得到的电压电流信息,经锁相环获得相位,送给PR控制器输出SPWM调制信号,实现主从机的有效并联。同时我们采用AD7606数据采集模块,选用并行接口的连接方式,AD7606具有极高的采样速率,所有的通道均能以200 kSPS的速率进行采样,同时还具有二阶抗混叠滤波

树莓派4b连接手机热点wifi及远程桌面连接
1.SD卡上烧写操作系统;2.树莓派连接手机热点;3.SSH连接;4.远程桌面VNC。

到底了







