
简介
该用户还未填写简介
擅长的技术栈
可提供的服务
暂无可提供的服务
例如,当设备的 OEE水平不高,从 OEE计算看出是时间开动率低下,于是将时间开动率用方框框起来,再问为什么时间开动率不高,发现是设备故障引起,再继续往下分析,直到找出根本原因为止。本文引入非设备因素停机的概念,修改了OEE的算法,使计算得到的OEE更能够真实反映设备维护的实际状况,让设备完全利用的情况由完全有效生产率TEEP这个指标来反映。1)如果设备开动速度超过了设计速度,就如同设计负荷5吨的

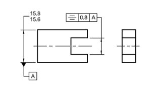
我们需要把对称度的被测元素测量成点,上侧的点这里标记成点1点2点3,下侧的点标记成点4点5点6.其中点1和点4是镜像关系,点2点5是镜像关系,点3和点6是镜像关系。将测量完成的点构造成特征组,选点顺序一定要注意,互为对称关系的点靠在一起,如点1、点4(点1的对称点),然后,点2、点5(点2的对称点),再然后,点3、点6(点3的对称点)。根据对称度的定义,此例中对称度的公差带是两个平行平面,等分在基

(1)假如被测截面圆度完美,只有同轴度偏差,则径向跳动度测量值=被测轴偏心值的2倍=同轴度测量值,这种情况下跳动度=同轴度;从上面分析中我们可以看到,被测要素的径向跳动度总是大于或等于同轴度,跳动与同心度/同轴度的区别,您理解了吗?在几何公差中,跳动度和同心度/同轴度都需要关联基准,都是用来控制同心/同轴要素,那么它们之间存在什么区别呢?(2)假如被测截面的轴心与基准轴完美重合,只有圆度误差,则径

随着产品性能要求的不断提高,产品公差逐步缩小,从而导致产品的可装配性逐渐成了问题,随后泰勒先生提出了装配功能要求的“泰勒原则",即ASME公差标准中的包容原则2,它有效地解决了零件的大小和形状的关系,从而保证了产品的可装配性。无论是复合位置度还是复合轮廓度,共同点都是公差框格有多行,只用一个公差符号,公差框格首行和普通公差标注没有任何区别,其余公差框格控制组孔(型面)之间的关系或相对基准的方向,简

(2)只有第一、二基准:如下图示评价两个孔的位置度带有两个基准A/B,公差带是两个平行的圆柱形、轴心距为理论值40,且公差带要垂直于基准A平面,平行于B基准面且到B基准面的距离为20,被评价的两个孔的提取中心线都位于公差带内才合格;不带基准的位置度用在特征组中,评价的是一组要素的相对位置(Relative Position),如下图示两个孔的位置度不带基准,公差带是两个平行的圆柱形,且轴线距离为理








