
简介
该用户还未填写简介
擅长的技术栈
可提供的服务
暂无可提供的服务
凌晨四点的月光透过窗户,看着自己搭建的框架同时运行着灰度转换、Canny边缘检测和直方图均衡,突然觉得这半个月掉的头发值了——至少下次甲方说要加新算法时,不用从头再撸一遍界面了。看着自己捣鼓了半个月的图形处理框架终于能跑通全流程,摸过手边的冰可乐猛灌一口——这玩意儿可比对象靠谱。QT+opencv开发的图像处理通用开发平台,实现图像常规处理,自定义程序,图元窗口程序流程窗口独立显示,图像显示窗口的

有趣的是当画面里出现多人脸时,程序会疯狂保存所有检测到的人脸——得手动加个防误触机制。现在这系统在实验室跑得挺欢,就是偶尔会把长得像的老师和学生搞混——看来特征提取算法还得优化。"这个画面在计算机实验室里被我们复现了——用Python搞了个能自动识别班级考勤的系统,比传统点名有趣多了。饼图展示考勤状态分布,导出的图片自动插入到PyQt5的报表界面。⑩ 信息添加功能,如: 课表添加,班级信息添加,个

当模型在德州电网的实时数据上跑出99.2%的预测精度时,监控屏幕上的预测曲线几乎与真实负荷重合。"我盯着屏幕上跳动的负荷曲线,想起上个月加州大停电时控制中心的手忙脚乱——是时候让我们的智能预测系统上场了。这个网络藏着三个黑科技:双向LSTM捕捉电力负荷的前后关联,注意力机制自动聚焦关键特征时段(比如早高峰),多步预测头直接输出未来6个时间点的预测量。最后的实时预测模块像给电网装了自动驾驶仪,滑动窗

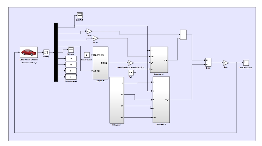
Simulink这边打开TrajectoryTracking.slx,模型结构看着挺唬人,其实核心就三块:轨迹生成器在疯狂输出参考路径,MPC控制器在绞尽脑汁算方向盘转角,CarSim接口模块正把车辆状态偷偷传给控制器。模型包里附带的TuningGuide.pdf第23页有个骚操作:把前轮侧偏刚度和后轮的比值调到1.3:1,能让车子在急转弯时自动呈现转向过度的趋势,配合控制器能做出漂移效果——当然

基于CORDIC的FFT硬件加速器实现,并将其搭载到小型SOC系统上,工程包含:1 设计文档2 系统verilog代码3 keil纯软件实现算法4 算法matlab代码在数字信号处理(DSP)的诸多应用场景中,快速傅里叶变换(FFT)是实现信号频谱分析、滤波、调制解调等功能的核心算法,广泛应用于雷达、宽带通信、图像处理等领域。随着嵌入式系统对实时性、低功耗和高集成度的需求不断提升,传统纯软件实现的

本文深入剖析龙讯半导体(Lontium)两款主流视频桥接芯片LT6911UXC与LT9611UXC的参考固件代码。这两款芯片广泛应用于视频采集、转换和传输领域,尤其在对接海思(HiSilicon)3519A/3559A等SoC平台时扮演关键角色。本文将从整体架构、核心功能模块、初始化流程以及与海思平台的集成方式等多个维度,详细解读其固件实现原理,为开发者提供一份高质量的技术参考。LT6911UXC

先说说这个数据集的妖孽之处:7种健康状态(正常+6种故障程度),每个样本都是15秒的加速-稳速-减速过程。这就好比让算法坐过山车,既要识别故障类型,还得应对转速变化带来的信号畸变。今天咱们玩点刺激的——用真实工业场景的变转速轴承故障数据搞事情。每个实验采集时间为 15 秒,由一个完整的加速/减速过程组成,从静止状态逐渐加速到 3000 rpm,然后保持稳定,最后逐渐减速到 0。本数据集包括6个故障

最近在鼓捣配电网仿真的时候发现,搞个能直接上手跑的IEEE33节点模型比找对象还难。翻遍全网终于搞到个靠谱的Simulink模型,节点参数和支路数据都带原始文献参考,关键是不挑MATLAB版本这点太香了——毕竟谁还没被版本兼容问题坑过几次呢?squeeze函数在这里是防维度错乱的保命符,特别是当你要做3D矩阵可视化的时候。下期准备搞个33节点+微电网的混合仿真,感兴趣的记得点个关注防走丢~数据已经

先说个真实案例,上个月给某主机厂调混动车型模型,他们的ECU逻辑在Simulink里写了三百多个子系统,和Cruise的扭矩分配死活对不上,差点耽误项目节点。后来发现是信号单位不匹配——Simulink用N·m,Cruise默认是kN·m,这种低级错误真能坑死人。需要搞联合仿真的老铁可以直接私信,主页挂了二十多个现成模型案例,从微型电动车到重卡混动都有。本人从事整车仿真已经六年,参与过各种车型仿真

比如在房价预测里,把"面积"这个特征打乱,模型误差可能暴涨30%,而"离地铁站距离"打乱只涨5%,那明显面积更重要。这事儿对搞特征筛选的人来说贼方便,尤其是当你面对几百个特征不知道先砍哪个的时候。如果R²低于0.7,可能需要回去检查特征工程,或者加树的数量(把代码里的100调大到500试试)。但别无脑堆数量,超过500棵之后提升会越来越小,反而影响训练速度。特征重要性排完不是终点,建议用前5-10








