DPJ-050 基于单片机的智能睡眠监控系统设计(源代码+proteus仿真)
摘要:本文设计了一款基于STC89C52单片机的嵌入式睡眠监测系统,可实时检测用户心率、体温及翻身次数。系统采用8052内核单片机作为主控,搭配LCD1602显示屏,通过ADC0832模数转换器获取心率数据,DS18B20温度传感器采集体温,ADXL345传感器监测翻身动作。该方案解决了传统数码管显示信息量不足的问题,具有成本低、功能实用等特点,帮助用户了解睡眠质量,预防因失眠引发的健康问题。系统
单片机型号(STC89C52)
目录
一、摘要
二、设计要求
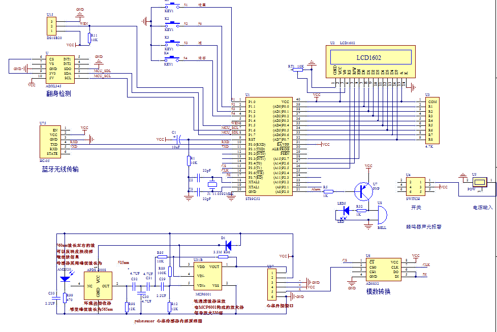
三、原理图
四、说明书预览
五、QA
作者简介:电类领域优质创作者、多年架构师设计经验、多年校企合作经验,被多个学校常年聘为校外企业导师,指导学生毕业设计并参与学生毕业答辩指导,有较为丰富的相关经验。期待与各位高校教师、企业讲师以及同行交流合作
主要内容:人工智能与大数据、单片机/PLC开发、Matlab物联网设计与开发设计、学习资料、面试题库、技术互助、就业指导等
业务范围:指导功能设计、开题报告、任务书、文献综述、系统功能实现、代码编写、论文编写和辅导、论文降重、长期答辩答疑辅导、腾讯会议一对一专业讲解辅导答辩、模拟答辩演练、和理解代码逻辑思路等。
收藏点赞关注作者
一、摘要
失眠问题已经成为一些人在夜间生活中面临的困扰。睡眠作为人类日常生活的一部分,与健康密切相关。良好的睡眠可以帮助身体的各个系统得到充分的调整。经过充足的睡眠和休息,人们在第二天可以保持良好的精力和活力,从而提高工作效率,同时减少在处理日常任务时出错的概率。然而,随着社会的发展,夜间的霓虹灯光的闪烁已经对某些人的生活规律产生了一定的影响。许多人面临失眠和无法进入深度睡眠等睡眠问题。
良好的睡眠质量对于人体健康和长寿至关重要,睡眠是人类生命所必需的。长期的失眠不仅会加速衰老,还可能导致突发死亡。从短期来看,睡眠不足会对人们的工作效率产生负面影响,导致身体疲惫、精神低落和情绪不稳定。从长远来看,这种情况更加严重,因为失眠会带来更多的危害。肥胖、加速衰老和健忘都是失眠常见的症状。然而,失眠引发的最严重危害是导致其他疾病的发生,例如心脏病、高血压和老年痴呆等。
本文首先探讨了睡眠问题的存在,并调查了睡眠监测系统的研究现状。在分析了现有显存睡眠监测系统的不足之后,设计了一款基于嵌入式技术的睡眠监测系统。该系统可以检测使用者的心率、体温以及睡眠过程中的翻身次数等数据,使使用者能够更方便地了解自身的睡眠情况。
关键词 :睡眠监测;STC89C52;心率;温度
二、设计要求
本文介绍了一种以单片机为核心的睡眠监测系统。该系统使用心率、体温等传感器测量人体当前的生理状况,并使用ADXL345传感器测量人体的翻身次数。解决如何在LCD屏幕上进行数据采集和处理是首要问题。因此,选择了8052内核的STC89C52单片机作为核心控制器,经过仔细思考并结合实际工作条件做出了决策。为了节约成本,选择了内存容量为8KB的52单片机,而不是更复杂、更昂贵的单片机如STM32或MSP430。信息显示方面,采用LCD 1602来弥补传统数码管显示信息量有限的不足,可以显示当前的心率、体温和翻身次数等信息。LCD1602还具备数字显示功能,可以调节屏幕亮度以节约资源。最终,单片机将采集到的数据显示出来,供人们观测和学习。使用ADC0832进行模数转换以获取心跳数据,使用DS18B20温度传感器获取体温数据。同时,利用ADXL345传感器判定当前的翻滚次数。

三、原理图

四、说明书预览(13119字)


五、如果学弟学妹们在毕设方面有任何问题,随时可以私信我咨询哦,有问必答!学长专注于单片机相关的知识,可以解决单片机设计、嵌入式系统、编程和硬件等方面的难题。愿毕业生有力,陪迷茫着前行!
通过网盘分享的文件:资料.rar
链接: https://pan.baidu.com/s/1oAaq4r_ZbdVjRvQsAA8r5g 提取码: BYSJ
更多推荐

所有评论(0)