
简介
该用户还未填写简介
擅长的技术栈
未填写擅长的技术栈
可提供的服务
暂无可提供的服务
FPGA时序约束(一)--为什么要做时序约束
时序约束对于学FPGA的人来说,好像是一个比较“高深”的技术。初学者跑工程时,由于运行速率(时钟频率)比较低,往往不需要做这一步骤。好像也没啥影响。那为什么聊FPGA的时候总是逃不开这个东西呢,就让人感觉不会时序约束就没入门一样,找工作的时候很多招聘要求还把它放在加分项上。

VIVADO的IP核 DDS快速使用——生成正弦波,线性调频波
本文帮助大家快速配置DDS核,并给出相应的仿真代码观察相应的波形。没有多余的讲解,先用起来再说。

VIVADO FIR IP核快速使用教程(结合matlab)
本文通过一个实际的滤波过程,带大家快速的学会使用这个IP,同时对IP的每一页都做了详细介绍。你可以直接使用matlab代码产生滤波器参数和原始数据,然后跟着图片中的配置完成FIR IP实现滤波的过程,先用起来再说。

互相关函数的时域和频域计算(matlab)
详细介绍了用matlab计算互相关的方法和细节

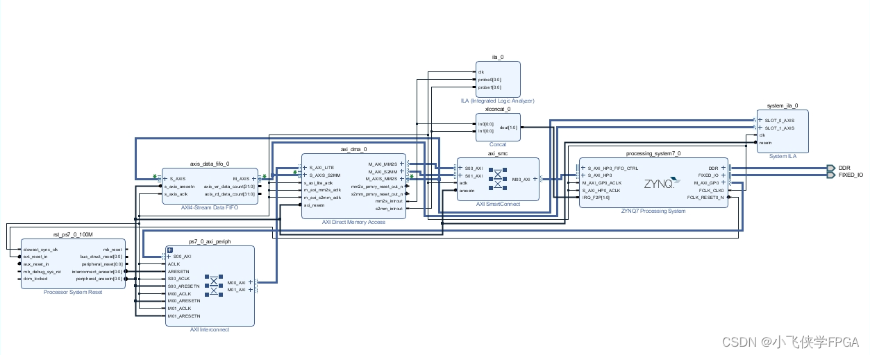
ZYNQ--PL与PS端的数据交互(PS端编程实现)
这篇文章的侧重点是讲思路的,讲为什么需要某一个步骤或者某一个东西,以及它和其他步骤的联系是什么

到底了







