
简介
该用户还未填写简介
擅长的技术栈
可提供的服务
暂无可提供的服务
BMP180是Bosch Sensortec的一种高精度数字气压和温度传感器,使用BMP180可以测量环境温度、压力和高度。BMP180是超低功耗,低电压的电子元件,经过优化,具有高精度和高稳定性,适用于移动电话,PDA,GPS导航设备和户外设备。它由压阻传感器、模数转换器,带E2PROM和串行I2C接口的控制单元组成。详细内容参考芯片手册链接:https://pan.baidu.com/s/1L

输入电压电阻R作用于集成运放的反相端口,因此输出电压Uo和输入电压Ui想呈现反相比列关系,同向输入端也经过一个R接地,此电阻为补偿电阻,保证放大电路的对称性。电路中通过Rf引入负反馈。在节点N上的电流方程为由于在N点虚地,得出由此可以得出输出与输入呈现反比例关系,代表着反相的关系由于电路引入了深度电压负反馈,所以输出电阻Ro=0,接入负载后运算关系不变。

BMP180是Bosch Sensortec的一种高精度数字气压和温度传感器,使用BMP180可以测量环境温度、压力和高度。BMP180是超低功耗,低电压的电子元件,经过优化,具有高精度和高稳定性,适用于移动电话,PDA,GPS导航设备和户外设备。它由压阻传感器、模数转换器,带E2PROM和串行I2C接口的控制单元组成。详细内容参考芯片手册链接:https://pan.baidu.com/s/1L

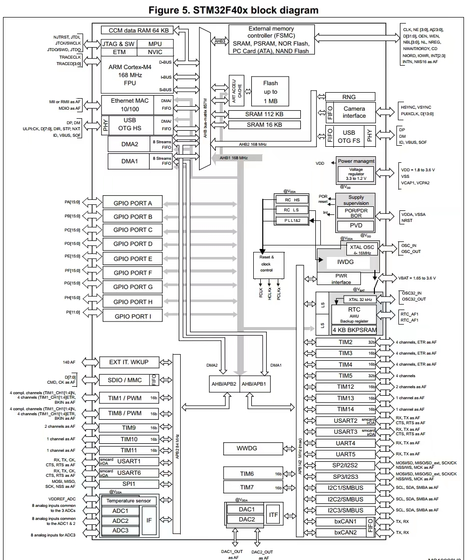
要求连续发出3个120khz的脉冲,在实际动手实现时遇到了挺多小问题,在这记录下。想到两种方法,一是使用引脚模拟pwm,然后用us级延时凑出120hz的频率,但是考虑到引脚模拟并不是太准确,可能会有想不到的影响,就选择另一种,用定时器生成120khz的频率,然后再用一个定时器产生us中断,当生成三个120khz的脉冲后,就关闭pwm输出。采用的stm32f407的板卡,首先要计算定时器的分频系数和








