
简介
该用户还未填写简介
擅长的技术栈
未填写擅长的技术栈
可提供的服务
暂无可提供的服务
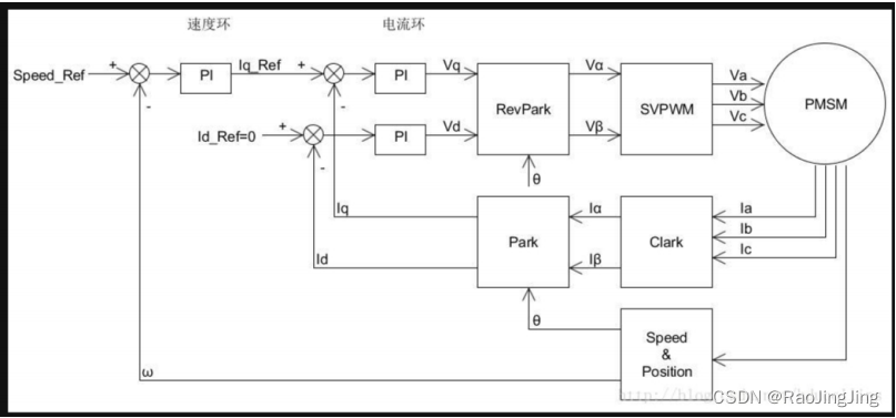
ST 2.0 霍尔FOC 的相关难点总结
FOC , ST 2.0.无刷电机

电机电角度和机械角度的终极解释(网络上没一个说清楚什么是电角度,我去墙上看到的解释,给力)
bldc FOC控制里面, park变换,用的就是电角度。说人话就是,机械角度就是转子相对于定子旋转的角度,就是人看到的角度。所以电角度=极对数(或者级数)*机械角度。的时候,代表电角度是180度(电角度: 一个点的磁极发生。

WIN10 WPS2019使用LaTeX 100%成功保姆教程
1下载安装ctex (这个有一两百M,不要下错了)。http://iso.mirrors.ustc.edu.cn/ctex/unstable/CTeX_2.9.3.211_TUNA-SNAPSHOT.exe2下载LaTeXEE1.01, https://sourceforge.net/projects/latexee/.3.解压LaTeXEE1.01,修改miktex为ctex下的相应目录直接修改
到底了







