
简介
该用户还未填写简介
擅长的技术栈
未填写擅长的技术栈
可提供的服务
暂无可提供的服务
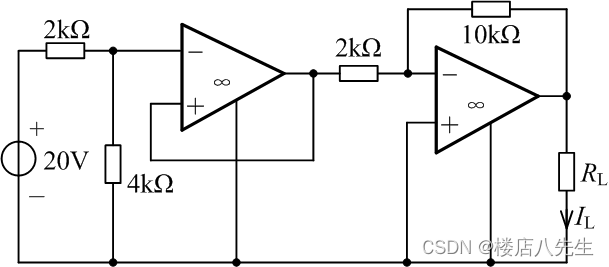
含有运算放大器的电阻电路分析
含理想运放的电阻电路分析,通常都会用到“虚断”和“虚短”的性质(规则),并将其灵活运用到结点电压法或回路电流法等一般分析方法中去。对含非理想运放的电阻电路,根据给定条件,可近似为理想运放,或部分使用“虚短”和“虚断”规则,或通过运放的线性模型进行分析和求解。

到底了

该用户还未填写简介
暂无可提供的服务
含理想运放的电阻电路分析,通常都会用到“虚断”和“虚短”的性质(规则),并将其灵活运用到结点电压法或回路电流法等一般分析方法中去。对含非理想运放的电阻电路,根据给定条件,可近似为理想运放,或部分使用“虚短”和“虚断”规则,或通过运放的线性模型进行分析和求解。
