
简介
该用户还未填写简介
擅长的技术栈
未填写擅长的技术栈
可提供的服务
暂无可提供的服务
异步电机参数计算的公式法
很多绕线式异步电机的额定参数有限,如果要用来matlab 仿真明显是不够的,通过公式法计算求得其个电阻和电抗参数。

基于simulink的风速仿真研究
风速模型用于各类风力发电机
浅谈电气工程专业的工程伦理
在研究生教育中,工程伦理教育是重要的组成部分,直接关系到工程科技人才的价值取向。高校电气工程专业担负着为我国经济发展培养合格的电力行业建设者的重任,电气工程伦理教育培养电气工程学生社会责任感,提高伦理意识,增强其遵循伦理规范的自觉性,提升其应对工程伦理问题的能力,让电气工程更好地造福社会、造福人类。本研究结合电气工程专业的特点对该专业领域工程伦理教育存在的问题和困难进行了分析,并给出积极的应对策略

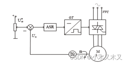
三相异步电动机交流调压调速的仿真研究
三相异步电动机的调速方法有多种,其中较为常用的调速手段为调压调速。本文在现有理论的基础上,在Matlab 中运用Simulink 模型库中的电路、电子、电机、电力电子等模块库,以转速单闭环调压调速系统为例,进了行仿真实验,直观地观察不同的控制方式下对系统的控制。根据异步电机转速公式:若要改变三相异步电动机的转速, 可以通过控制定子电源相电压, 调节定子电源频率, 或者是改变异步电动机的极对数三种方

到底了







