
简介
该用户还未填写简介
擅长的技术栈
未填写擅长的技术栈
可提供的服务
暂无可提供的服务
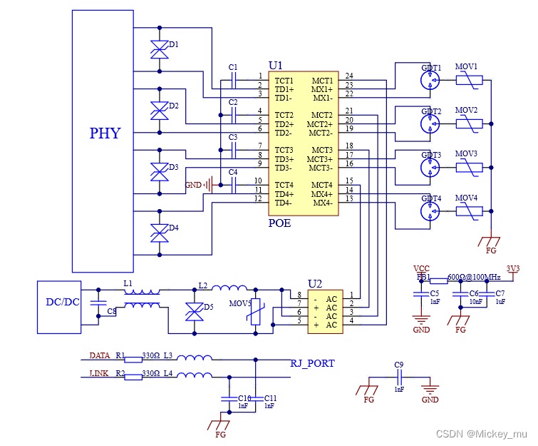
接口EMC设计(四)——POE接口
POE(Power Over Ethernet)是有源以太网供电的简称,POE接口设计可能会影响的EMC问题有:辐射问题、干扰问题、雷击浪涌等。GDT、MOV、TVS管元器件要靠近板边或者连接器端,使瞬态电流回路所占空间以及其生成的阻抗尽可能的小。

初识EMC元器件(六)——磁珠的参数解读及选型应用
磁珠的全称是铁氧体磁珠滤波器,是一种抗干扰元件,消除高频噪声效果明显。磁珠的单位是Ω,而不是H。等效于电阻和电感串联,Z=R+jX,但电阻值和电感值都随频率变化。

到底了







