
简介
该用户还未填写简介
擅长的技术栈
未填写擅长的技术栈
可提供的服务
暂无可提供的服务
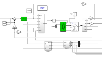
1.4永磁同步电机——滑模控制(SMC)
模型可上闲鱼(蓝云07)购买,可提供模型定制与答疑服务~本文从理论定义,到实例讲解,从滑模面设计、趋近率设计、控制器求解三个方面详细阐述了滑模控制!!保证浅显易懂,对永磁同步电机的滑模控制能快速掌握!

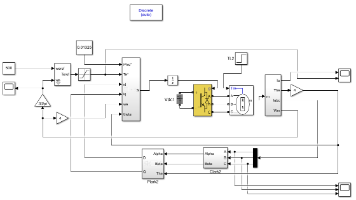
1.2永磁同步电机——直接转矩控制(DTC)
直接转矩控制(DTC)是一种通过滞环比较器直接调节电磁转矩和定子磁链的控制方法。该方法利用预设的电压矢量表,根据转矩和磁链误差信号快速选择最优电压矢量,具有计算量小、动态响应快的优势,但存在转矩波动较大的缺点。文章详细阐述了电压矢量对磁链和转矩的影响机制,介绍了扇区划分和磁链位置判断方法,并提供了仿真结果验证。相比磁场定向控制(FOC),DTC省去了坐标变换环节,但稳态性能较差。

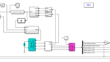
1.3永磁同步电机——模型预测转矩控制(MPTC)
模型可上闲鱼(蓝云07)购买,可提供模型定制与答疑服务~永磁同步电机模型预测转矩控制的核心其实就是通过欧拉公式(或其他预测公式)进行预测,通过当前电机状态量(电流值、角度值、转速值等)及将要作用的电压矢量预估下一时刻电机状态量。通过代价函数判断哪个电压矢量使得预估转矩值、磁链值与预期转矩值、磁链值相差最小便是最优电压矢量,也即此时刻选择作用在电机上的电压矢量。

到底了







