
简介
该用户还未填写简介
擅长的技术栈
未填写擅长的技术栈
可提供的服务
暂无可提供的服务
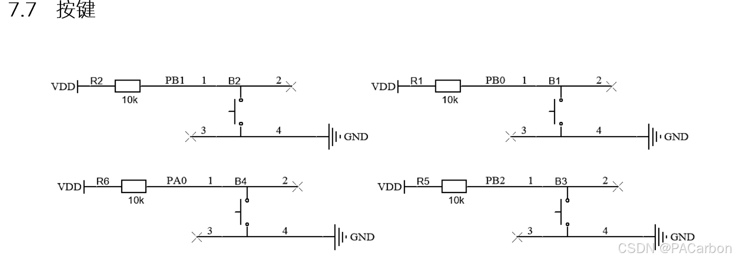
蓝桥杯嵌入式学习记录【按键】实现单击,双击,长按
按键模块的介绍及讲解,各种按键操作。

【蓝桥杯嵌入式】15届真题主要功能实现--脉冲测量,LCD显示界面及切换,按键操作和参数变换,LED的条件亮灭
【第十五届蓝桥杯嵌入式真题】主要功能的实现。基本配置和代码编写

蓝桥杯嵌入式学习记录【按键】实现单击,双击,长按
按键模块的介绍及讲解,各种按键操作。

到底了







