
简介
该用户还未填写简介
擅长的技术栈
可提供的服务
暂无可提供的服务
首先,它的关机静态电流仅为1uA,非常适合电池供电场合的应用。其次,在轻载条件下,YB2411通过降低开关频率来减小开关和门驱动的损失,实现宽负载范围内高效率的功率转换。同时,YB2411还拥有宽范围的输入电压(33V至36V),适用于各种降压型电源变换的应用,尤其适合移动环境输入条件下的应用场景。YB2411系列的封装形式为SOT23-6,体积小巧,非常适合高电压功率转换系统的紧凑设计。无论是需

支持对 0V 电池充电;具有涓流/恒流/恒压三种模式充电,恒定电压 4.20V(典型值);SM5401 内部采用了 PMOSFET 架构,加上防倒充电路,因此可以不需要外部检查电阻和隔离二极管。SM5401 的同步升压转换器提供 0.8A 输出电流,转换效率高至91%。空载时,自动进入休眠状态,静态电流降至 9uA。示功能,升压转换器的移动电源管理芯片,外围只需极少的元件,就可以组成功能强大的移动

概述:SY7065A是一种高效率的同步升压调节器,输入电压降低至1.8V,输出电压高达5.5V。主开关采用NMOS,同步开关采用PMOS。它可以在关机模式下断开输出和输入。 特性:1.8V最小输入电压输出电压可调,从2.5V到5.5V5A峰值电流极限输入电压锁定关机时负载断开输出过电压保护输入电池电压监控器低内阻MOS(主开关/同步开关)封装:QFN2x2-10...

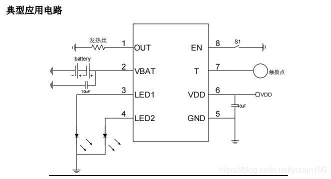
简介SM5101 是一款针对电子点烟器的专用芯片,具有完整的充电功能和完善的电池保护功能,还具有触摸控制开关。SM5101 具有发热丝短路保护功能,在负载电阻小于 0.8Ω 电阻时输出截止。SM5101 还具有省电模式,在省电模式下静态待机电流小于 1uA。SM5101 具有完善的电池保护功能,具有过流、过压、恒流、恒压、温度保护等功能。当锂电池充电电压小于 2.7V 时为涓流充电,可以保证不损坏

M5202高品质线性充电芯片,与TP4056引脚兼容M5202高品质线性充电芯片*足1A电流发热更小*ESOP8/EMSOP8两种封装现货有NTC功能引脚*9V耐压及输入过压保护OVP*充电电池反接保护*引脚兼容TP4056
YB506 是一款锂电池充、放电管理专用芯片,充电电流固定 500mA,简化外围电路。开关1.5MHz同步降压放电,放电电流能力高至 2A,效率高至 95%。集成充电和充满双灯指示,适合充电红灯、充满绿灯设计。同时,允许 5V充电口和 1.5V输出口短接,便于布局异口和同口应用。空载时自耗电电流为 40uA,100mAh的电池可以四个月充电一次。YB506 是一款锂电池充、放电管理专用芯片。▪空载

YB5011系列高性能低成本非隔离PWM控制AC-DC开关IC

甚至短路后自动切断电池回流芯片的电流通路,此时仅从电池消耗不到 3μA的功耗。芯片还集成充放电状态指示灯,一个灯可指示丰富的状态,以及点烟时渐亮和渐灭效果。流、恒流、恒压三段式充电管理,符合锂电池充电规范。充电输入可直接从USB口取电,充电电流默认 250mA,无需外部电阻可配置电流。保护,以及微妙级快速响应的过流和短路保护,提。集成防倒灌电路,充电输入电压拔出、集成锂电池涓流、恒流和恒压充电管理

封装与较少的外部元件数目使得YB4055成为便携式应用的理想选择.YB4055可以适合。当充电电流在达到最终浮充电压之后降至设定值1/10时,YB4055将自动终止充电循环。充电电压固定于4.2V,而充电电流可通过一个电阻器进行外部设置。态,将电池漏电流降至luA 以下。YB4055的其他特点包括充电电流监控器、欠压闭锁自动再充电和一个用于指。YB4055是一款完整的单节锂离子电池采用恒定电流/恒

输出电压模拟AA/AAA电池增加了降压跟随功能,即1.5V放电电压曲线兼具恒压1.5V和输出电压跟随电芯电量降低而下降。YB506AB是一款理电池充、放电管理专用芯片,集成锂电池充电管理和降压DC-DC电路。充电过程满足锂电池三段式滑流/恒流/恒压充电规范,B506内部的线性充电电路采用了恒流可配置模式,可以通过外部端口置高置低或悬空来对应固定的最大恒流电流,不用再增加限流电阻,使的外部电路更加精








