
简介
该用户还未填写简介
擅长的技术栈
可提供的服务
暂无可提供的服务
芯谷科技79MXX系列是采用双极工艺的单片负电压稳压器,提供-5V至-24V输出,最大电流500mA。产品具有短路和热过载保护,纹波抑制达54-58dB,静态电流仅2-2.7mA。TO252-2封装适用于运算放大器供电、工业控制、通信设备等场景。典型应用需搭配2.2μF输入和1μF输出电容,设计时需注意散热和2-3V压差要求。该系列以高可靠性和紧凑设计成为负电源解决方案的理想选择。
D6208是绍兴芯谷科技推出的高性能双向马达驱动IC,采用双极工艺设计,支持4.5-15V宽电压工作,提供200mA输出电流。该芯片集成驱动功率管和保护二极管,具有制动功能、超低待机功耗(≤0.4mA)和TTL电平直接驱动特性,适用于智能家居、办公设备、医疗电子等领域。提供SIP9和SOP8两种封装,内置保护机制可抑制马达反向电动势,实现精准控制。典型应用包括智能窗帘、玩具模型、汽车电子等,具有集
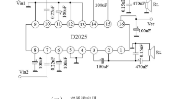
D2025是一款高性能双通道音频功率放大芯片,适用于便携式音频设备、车载系统和家庭音响。其核心优势包括:3-12V宽电压供电、45dB可调增益、0.3%低失真度及55dB声道隔离,兼具温度保护和低功耗特性(静态电流40-50mA)。支持立体声和BTL桥接模式,能满足不同功率需求,特别适合MP3、蓝牙音箱等设备。该芯片通过优化设计实现了开关无啸叫、高稳定性与长寿命,在音质和能效间取得平衡,成为音频设

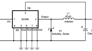
D1509是一款高效DC-DC芯片,输入耐压40V,输出1.23-37V可调/固定3.3V/5V/12V,最大电流2A。采用ESOP8封装,工作频率150kHz,适用于工控、车载等多种场景,可节省外围元件成本与PCB空间。

TS01S是一款单通道电容式触摸控制开关集成电路,采用SOT23-6封装。该芯片具有灵敏度可调(3档可选)、低功耗(3.3V时40μA)、内置噪声消除电路、支持多芯片同步(最多10片)等特点。采用差分灵敏度校准技术,最小可检测0.2pF电容变化,内置上电复位电路,工作电压2.5V-5.0V。适用于家电、玩具、移动设备等触摸控制场景,可替代机械开关和薄膜开关,具备抗干扰能力强、体积小、易于集成的优势
D386是一款专为低电压消费类电子产品设计的音频功率放大器,具有低功耗(静态电流仅4mA)、可调增益(20-200倍)和宽电源范围(4-12V)等特性。它适用于便携设备、车载音响及家庭音频系统,能提供700mW输出功率和0.2%低失真度。通过灵活的外围电路设计,D386可实现不同增益和低频提升功能,在保证音质的同时显著降低功耗,是电池供电音频设备的理想选择。

D4202是一款高度集成的单芯片LNB电源管理芯片,采用16引脚QFN封装,仅需3个外部元件。该芯片集成了FET/混频器偏置、22kHz音频检测、极化切换和稳压电源等功能,具有过温/过流保护特性。其工作电压8-22V,最大功耗2W,通过单一电阻可编程设置0-15mA FET偏置和0-10mA混频器偏置。适用于单输出卫星接收机LNB,设计时需注意散热和电源滤波,推荐使用双面PCB和100nF滤波电容
输入电压范围:4.5V 至 28V,能够适应多种电源环境,从常见的 12V 电源到工业场景中的高电压输入。输出电流:连续输出电流高达 2A,满足大多数中等功率需求的应用场景。开关频率:1MHz 的高频开关频率,使得电路设计更加紧凑,同时减少了外部元件尺寸,降低了整体成本。控制模式:采用 ECOT 强制连续导通模式(CCM),提供快速瞬态响应和易于设计的环路特性,确保输出电压的稳定性。保护功能:内置
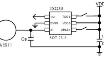
芯谷科技TS223B触控芯片是一款低功耗单键电容式触控方案,适用于小家电、电子玩具及智能物联网产品。该芯片支持2.0-5.5V宽电压,正常/低功耗模式电流仅13μA/4μA@3V,采用SOT23-6封装节省空间。具有灵敏度高、抗干扰强等特点,提供直接/触发两种输出模式(通过TOG脚选择),可配置电平极性(AHLB脚控制),典型应用场景包括单键触控开关等消费电子产品。

D1307是一款低功耗RTC芯片,采用I²C接口,集成56字节NVSRAM和自动闰年修正功能。其关键特性包括:双电源无缝切换(4.5-5.5V主电源/2.0-3.5V电池)、极低功耗(500nA工作/10nA保持)、完整日历功能(自动闰年处理)和可编程方波输出。典型应用场景包括移动设备、便携仪器和智能家电等需要长时间精准计时的场景。设计建议包括晶体选择、电池回路优化和I²C走线等注意事项。该芯片以







