
简介
该用户还未填写简介
擅长的技术栈
未填写擅长的技术栈
可提供的服务
暂无可提供的服务
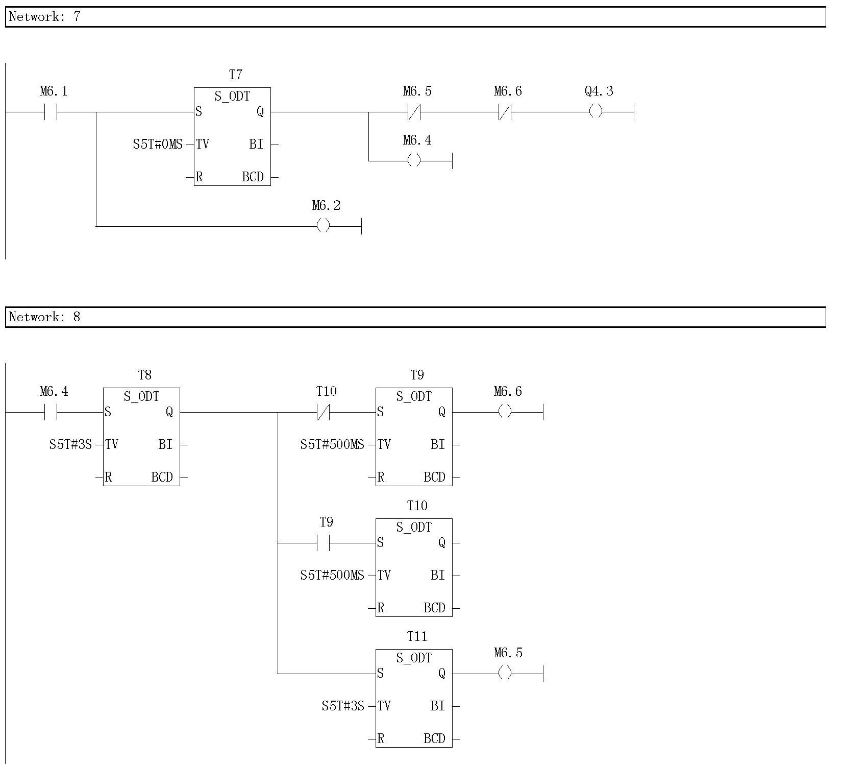
西门子PLC十字路口红绿灯控制(梯形图程序)
控制十字路口红绿灯,当南北向路口为绿灯或黄灯时,东西向路口为红灯。在黄灯亮起后灯闪烁。每个灯都亮设定的一段时间。延时模块S_ODT,输入端S5T#?S为延时时长设置(?(2)控制灯闪烁亮起(延时1s,接通关断来回控制实现)(1)控制灯亮起的时长。

PLC开关控制七段数码管(梯形图程序)
5.有个常见的错误,设置一个开关同时控制几个数码管,以此达到按下一个开关显示一个数字的效果,这种设计思路容易出现一个问题:控制输出矛盾。思考一下,你按开关M5.0时让A亮,但M5.1没按时要控制A不亮,凭什么程序就要听M5.0开关的控制呢?3.程序中七段数码管控制顺序:A-Q4.0 B-Q4.1...以此类推,这个输出地址取决于所链接的设备给的地址是什么样的(电脑仿真的设备可以随便改灵活性更大)2

到底了







