
简介
该用户还未填写简介
擅长的技术栈
未填写擅长的技术栈
可提供的服务
暂无可提供的服务
利用MATLAB模糊控制器实现对水位高度调节SIMULINK仿真(隶属度7分级)
A.理论分析与设计(1)确定模糊控制器的输入、输出变量模糊控制器的两个输入变量,分别选为液位偏差E(设定液位高度r-实测液位高度y)和液位偏差变化率EC,输出模糊变量为控制阀门开度U;(2)确定输入、输出语言变量的空间分割液位偏差E对应语言变量为Level,其论域为X={-1,-0.6667,-0.3333,0,0.3333,0.6667,1},对应的语言值为 {PB,PM,PS,ZO,NS,NM

利用MATLAB模糊控制器实现对水位高度调节SIMULINK仿真(隶属度3分级)
利用MATLAB模糊控制器实现对水位高度调节SIMULINK仿真(隶属度3分级)

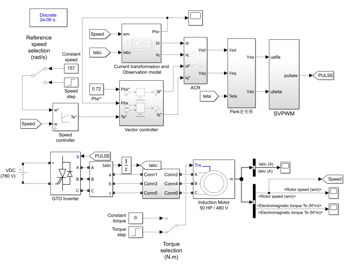
基于Matlab交流异步电机矢量控制系统仿真建模
现代交流电机矢量控制MATLAB SIMULINK仿真

到底了







