logo
publist
写文章

简介

该用户还未填写简介

擅长的技术栈

可提供的服务

暂无可提供的服务

vivado中常见错误

在文件夹中找到这个文件,然后给他删了。

#fpga开发
DDS的IP核使用

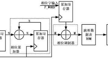
DDS(Direct Digital Synthesis,直接数字频率合成),作为信号发生器使用。使用vivado调用DDS的ip核进行仿真。设计单通道信号发生器(固定频率)、Verilog查表法实现DDS、AM调制解调、DSB调制解调、可编程控制的信号发生器(调频调相)。DDS的基本结构主要由相位累加器、相位调制器、波形数据表ROM、D/A转换器等四大结构组成,其中较多设计还会在数模转换器之后增

文章图片
#fpga开发
到底了